CD4050 IC on laajalti käytetty kuusiopuskurisiru, jossa on kuusi ei-invertointia puskuria.Se on täydellinen sovelluksiin, kuten signaalin uudistamiseen ja jännitteen muuntamiseen.Tämä artikkeli kattaa sen ominaisuudet, työperiaatteet, PIN-kokoonpanot ja sovellukset yksinkertaisella, lukijaystävällisellä tavalla.

Se CD4050 IC on heksapuskurisiru, jossa on kuusi ei-invertointia puskuria, jotka kulkevat signaalit muuttumattomana, mikä on ihanteellinen jännitteen muuntamiseen ja signaalin uudistumiseen.Se voi ajaa jopa kahta TTL- tai DTL -laitetta kerralla, mikä tarjoaa luotettavan suorituskyvyn vähäisellä virrankulutuksella.Sen korkea pesuallasvirtakyky varmistaa, että se käsittelee useita kuormia tehokkaasti, mikä tekee siitä monipuolisen valinnan digitaalisille piireille.
Tässä osassa on CD4050 IC: n avainkohokohdat ja tekniset tiedot, mukaan lukien sen käyttöjännite, virrankulutus ja suorituskykymittarit.
| Parametri | Eritelmä |
| Käyttöjännite | 3V - 15 V DC |
| Nykyinen kulutus (max) | 50MA |
| Pesuallasvirtakyky | Korkean pesuallasvirta 2 TTL -kuorman ajamiseen |
| Matalan matalan lähtöjännite | 0,5 V 5 V VCC: ssä |
| Pienin korkean tason lähtöjännite | 4,95 V 5 V VCC: ssä |

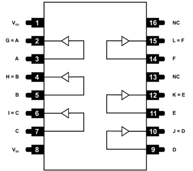
| Pinanumero | Nastatyyppi | Kuvaus/suunta |
| 1 | VCC | Positiivinen syöttö |
| 2 | G | Ei-käänteinen lähtö 1 |
| 3 | Eräs | Tulo 1 |
| 4 | H | Ei-käänteinen lähtö 2 |
| 5 | B - | Tulo 2 |
| 6 | Minä | Ei-käänteinen lähtö 3 |
| 7 | C | Tulo 3 |
| 8 | Vss | Negatiivinen tarjonta |
| 9 | D -d | Tulo 4 |
| 10 | J - | Ei-käänteinen lähtö 4 |
| 11 | E | Tulo 5 |
| 12 | K -k - | Ei-käänteinen lähtö 5 |
| 13 | NC | Ei yhteyttä |
| 14 | F | Tulo 6 |
| 15 | Lens | Ei-käänteinen lähtö 6 |
| 16 | NC | Ei yhteyttä |
CD4050 IC on suunniteltu muilla kuin invertoilla olevilla puskureilla, jotka ylläpitävät tulosignaalia sellaisenaan muuttamatta sen logiikkatilaa.Toisin kuin invertteri, joka kääntää signaalin, ei-tunkeutumaton puskuri varmistaa, että lähtö vastaa tuloa.Sen ensisijainen tarkoitus on vahvistaa signaalia, tuottaen selkeän korkean tai matalan lähtöä.

Jokaisessa IC: n puskurissa on yksi tulo ja yksi lähtö.Lähtö on aina yhtä suuri kuin tulo, joten se sopii sovelluksiin, joissa signaalin eheys on säilytettävä.Nämä puskurit voivat myös tuoda esiin pienen etenemisviiveisen, josta voi olla hyötyä tietyissä piirimalleissa.
CD4050 IC: n sisäinen rakenne sisältää kuusi ei-invertointia puskuria, joista kukin on kytketty tiettyihin tulo- ja lähtötappiin.Alla oleva kuva havainnollistaa, kuinka nämä puskurit on järjestetty IC: n sisällä, ja näyttää niiden yhteydet vastaaviin tappiin.Esimerkiksi, kun signaali käytetään sisääntuloon A (nasta 3), lähtö on identtinen G: ssä (nasta 2).Samoin tulo B vastaa lähtöä H, syöttö C lähtö I ja niin edelleen.

Tämä johdonmukainen käyttäytyminen varmistaa, että ICL -luotettavasti heijastaa tulosignaaleja lähtöissään ilman mitään muutoksia logiikkatilaansa.
Alla oleva taulukko tuo esiin IC: n totuustaulukon, mikä vahvistaa, että lähtö vastaa aina tuloa.Olipa tulo on korkea vai matala, lähtö heijastaa samaa tilaa, mikä varmistaa saumattoman signaalin eheyden.
| Tulosignaali (A, B, C, D, E, F) | Lähtösignaali (G, H, I, J, K, L) |
| KORKEA | KORKEA |
| MATALA | MATALA |
• SOIC
• PDIP
• CDIP
CD4050 IC: tä käytetään signaalien turvaamiseen korkeammasta alempaan jännitteen tasoon, mikä mahdollistaa yhteensopivuuden eri jännitteillä toimivien piirien välillä.
Tämä IC toimii heksa -muunnona, mikä mahdollistaa DTL- ja TTL -logiikkaperheiden välisen sujuvan rajapinnan käsittelemällä helposti useita signaaleja.
CD4050 voi toimia virran pesualtaan tai lähteenä, mikä varmistaa vakaan virran virtauksen useiden kuormitusten avulla CMOS -järjestelmissä tehokkaasti.
Alla esitetyn ei-invertoattoman IC: n 2D-malli sisältää sen mitat sekä millimetreissä että tuumina.Nämä tiedot ovat hyödyllisiä räätälöityjen jalanjälkien luomiseen ja ovat ihanteellisia käytettäväksi piirilevyn suunnittelussa ja CAD -mallinnuksessa.

Lähetä kysely, vastaamme heti.
20.12.2024
20.12.2024
18.04.8000 147757
18.04.2000 111935
18.04.1600 111349
18.04.0400 83719
01.01.1970 79508
01.01.1970 66901
01.01.1970 63019
01.01.1970 63010
01.01.1970 54081
01.01.1970 52121