
EPM7128ATC100-10 on ohjelmoitava logiikkalaite, joka on suunniteltu toteuttamaan konfiguroitavia digitaalisia ohjaustoimintoja sulautetuissa elektronisissa järjestelmissä.Laite sisältää 128 makrosolua ja noin 2500 logiikkaporttia, joiden avulla suunnittelijat voivat luoda mukautettuja logiikkapiirejä, kuten ohjauslogiikkaa, rajapinnan hallintaa ja tilakoneita.Sen rakenne järjestää ohjelmoitavan logiikan useisiin logiikkaryhmälohkoihin, jotka on yhdistetty sisäisen reititysverkon kautta, joka jakaa signaalit laitteelle.Se toimii 3 V - 3,6 V syöttöjännitteellä ja tukee 10 ns:n etenemisviivettä, mikä mahdollistaa ennustettavan logiikan ajoituksen.100-nastainen TQFP-paketti tukee kompaktia pinta-asennusta rajoitetuissa virtapiireissä.
Etsitkö mallia EPM7128ATC100-10?Ota yhteyttä tarkistaaksesi tämänhetkiset varastot, toimitusajat ja hinnat.

Neliön muotoinen pakettiasettelu esittelee nelitasoisen laitteen, jossa metallijohdot ulottuvat rungon kaikilta neljältä sivulta.Pin numerot on järjestetty peräkkäin kehän ympäri, alkaen nastasta 1 vasemmassa yläkulmassa ja jatkuen molemmilla sivuilla järjestyksessä, kunnes lopulliset nastat ilmestyvät jäljellä oleville reunoille.Kulmaosoittimet osoittavat tärkeimmät suuntapisteet, joita käytetään laitteen oikeaan sijoittamiseen piirilevylle.Keskialueella on ohjelmoitavaan logiikkaperheeseen MAX 7000A liittyvät laitetunnistemerkinnät.Johdinvälit ja symmetrinen järjestely tukevat pinta-asennusta ja mahdollistavat jokaisen ulkoisen nastan kytkeytymisen levyn signaalireitittimeen.

Pin-järjestely osoittaa jaetun piirilevyn asettelun, joka tukee useita FineLine BGA -pakettikokoja.Alun perin 256-nastaiselle FineLine BGA -jalanjäljelle valmistettu keskuslevyn rakenne on esitetty tiheällä juotepallojen paikoilla.Asettelu mahdollistaa pienemmän 100-nastaisen FineLine BGA -laitteen sijoittamisen samaan nastakenttään säilyttäen samalla yhteensopivat reititysyhteydet.Ulkopallon paikat jäävät käyttämättä, kun pienempi paketti asennetaan, kun taas koko ristikko hyödynnetään suuremmassa laitteessa.Tämä järjestely mahdollistaa yhden levyn suunnittelun tukemaan laitteita, joilla on erilaiset lähtömäärät tai logiikkavaatimukset muuttamatta piirilevyn asettelua.
Laite käyttää makrosolupohjaista ohjelmoitavaa logiikkarakennetta, joka mahdollistaa digitaalisten piirien konfiguroinnin valmistuksen jälkeen.Jokainen makrosolu voi toteuttaa yhdistelmälogiikkaa tai rekisteröityjä logiikkatoimintoja, mikä antaa suunnittelijoille joustavuutta ohjauspolkuja, signaalin reitityslogiikkaa ja ajoituspiirejä rakentaessaan.Tämä arkkitehtuuri mahdollistaa useiden erillisten logiikkatoimintojen integroinnin yhteen laitteeseen säilyttäen samalla ennakoitavan logiikan.
Sisäiset logiikkaresurssit on järjestetty logiikkataulukon lohkoiksi, jotka ryhmittelevät makrosoluja ja jakavat reititysresursseja.Tämä järjestely yksinkertaistaa sisäistä signaalin jakautumista ja auttaa ylläpitämään vakaata logiikkaa koko laitteessa.Signaalit voidaan reitittää lohkojen välillä sisäisen liitäntäverkon kautta, joka tukee monimutkaisia digitaalilogiikkajärjestelyjä.
Jopa kahdeksankymmentäneljä tulo- ja lähtönastaa mahdollistavat laitteen yhdistämisen suoraan useilla digitaalisilla signaaleilla sulautettuun järjestelmään.Nämä nastat voidaan konfiguroida tulo-, lähtö- tai kaksisuuntaiseen käyttöön suunnitteluvaatimuksesta riippuen.Tämän joustavuuden ansiosta laite voi hallita prosessorien, muistilaitteiden ja oheislogiikkapiirien välistä viestintää.
Laite tukee jopa kymmenen nanosekunnin etenemisviivettä, mikä mahdollistaa reagoivan digitaalisen logiikan.Tämä ajoitussuorituskyky tukee ohjaustoimintoja, jotka edellyttävät johdonmukaista signaalinvaihtoa ja luotettavaa synkronointia järjestelmän muiden digitaalisten komponenttien kanssa.
Konfiguraatiot tallennetaan sähköisesti pyyhittävällä ohjelmoitavalla tekniikalla, jonka avulla laitelogiikka voidaan päivittää järjestelmävaatimusten muuttuessa.Suunnittelijat voivat muokata digitaalista logiikkaa kehityksen tai järjestelmän ylläpidon aikana ilman laitteistokomponentin vaihtamista.
Toiminta kolmen voltin ja kolmen pisteen kuuden voltin syöttöalueella mahdollistaa laitteen integroinnin moniin nykyaikaisiin digitaalisiin järjestelmiin.Tämä jännitealue tukee vakaita logiikkatasoja säilyttäen samalla yhteensopivuuden yleisten digitaalisten liitäntästandardien kanssa.
Laite toimitetaan satanapaisessa ohuessa nelitasoisessa pakkauksessa, joka on suunniteltu pinta-asennukseen.Kompakti pakkauksen jalanjälki säästää kartonkitilaa ja tukee nykyaikaisessa elektroniikkatuotannossa käytettyjä automatisoituja valmistusprosesseja.
Ohjelmoitavan logiikan, joustavan reitityksen ja konfiguroitavien tulo- ja lähtöliitäntöjen yhdistäminen mahdollistaa sen, että laite suorittaa erilaisia digitaalisia ohjaustehtäviä.Se voi korvata useita erillisiä logiikkapiirejä säilyttäen samalla vakaan signaalin käyttäytymisen sulautetuissa elektronisissa malleissa.
| Tuotteen ominaisuus | Attribuutin arvo |
| Valmistaja | Altera (Intel) |
| Jännitesyöttö - Sisäinen | 3V ~ 3,6V |
| Toimittajan laitepaketti | 100-TQFP (14x14) |
| sarja | MAX® 7000A |
| Ohjelmoitava tyyppi | EE PLD |
| Paketti / kotelo | 100-TQFP |
| Paketti | Bulkki |
| Käyttölämpötila | 0°C ~ 70°C (TA) |
| Makrosolujen lukumäärä | 128 |
| Logiikkaelementtien/lohkojen määrä | 8 |
| I/O:n määrä | 84 |
| Porttien lukumäärä | 2500 |
| Asennustyyppi | Pinta-asennus |
| Viiveaika tpd(1) Max | 10 ns |
| Perustuotenumero | EPM7128 |
| RoHs-tila | RoHS-yhteensopimaton |
| Kosteusherkkyystaso (MSL) | 3 (168 tuntia) |
| REACH-tila | REACH Ei vaikuta |
| ECCN | EAR99 |
| HTSUS | 8542.39.0001 |

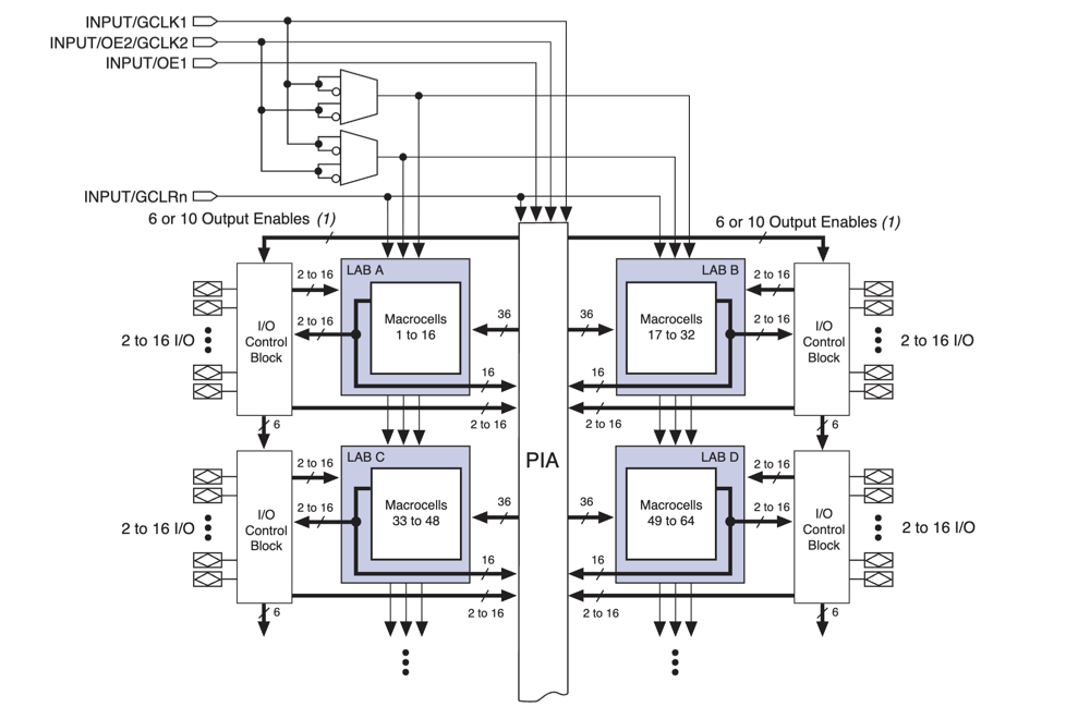
Kaavio havainnollistaa MAX 7000A CPLD -laitteiden, kuten EPM7128ATC100-10, käyttämää sisäistä logiikkaarkkitehtuuria.Rakenne on järjestetty useiden logiikkataulukkolohkojen ympärille, jotka on merkitty LAB A, LAB B, LAB C ja LAB D, joista jokainen sisältää makrosoluryhmiä, jotka toteuttavat ohjelmoitavia logiikkatoimintoja.Nämä makrosolut tukevat yhdistelmälogiikkaa ja rekisteröityjä logiikkatoimintoja laitteessa.Logic Array Block -lohkot on kytketty keskusohjelmoitavan liitäntätaulukon kautta, joka reitittää signaalit logiikkaosien välillä.Jokainen Logic Array Block muodostaa yhteyden I O -ohjauslohkoon, joka hallitsee laitteen tulo- ja lähtönastat.Globaalit ohjaussignaalit, mukaan lukien kellotulot, lähdön sallivat signaalit ja globaalit selkeät tulot, tulevat arkkitehtuurin yläosasta ja jakavat ohjaussignaalit sisäiseen logiikkarakenteeseen laitteen toiminnan koordinoimiseksi.

Logiikkasignaalit saapuvat makrosoluun ohjelmoitavasta liitäntätaulukosta kolmenkymmenenkuuden reitityslinjan kautta, jotka on liitetty LAB-paikalliseen taulukkoon.Tuotetermin valintamatriisi yhdistää nämä signaalit jopa kuuteentoista laajennustuotetermiin ohjelmoitavien logiikkafunktioiden luomiseksi.Rinnakkaiset logiikkalaajentimet mahdollistavat lisätermejä viereisistä makrosoluista, kun taas jaetut logiikkalaajentimet jakavat ylimääräisiä tuotetermejä logiikkataulukon lohkolle logiikkakapasiteetin lisäämiseksi.Lähtöpolut syöttävät ohjelmoitavaa rekisteriä, joka toimii globaalin kellon ja selkeiden ohjauslinjojen kanssa mahdollistaen joko rekisteröidyn tai suoran yhdistelmälähdön.Nopea tulonvalintapolku hyväksyy signaalit ulkoisesta I O-nastasta, ja rekisterin ohituspolku mahdollistaa signaalin kulkemisen ilman kellotettua tallennusta.Lopulliset lähtösignaalit reititetään joko I O -ohjauslohkoon ulkoisia nastaa varten tai takaisin ohjelmoitavaan liitäntäjärjestelmään sisäistä signaalin reititystä varten.
Tämän kaltaisia ohjelmoitavia logiikkalaitteita käytetään usein mukautetun ohjauslogiikan toteuttamiseen sulautettujen järjestelmien sisällä.Se voi koordinoida ajoitussuhteita prosessorien, antureiden ja viestintälaitteiden välillä samalla kun se ylläpitää vakaata signaalivirtaa järjestelmän läpi.
Automaatiolaitteet vaativat usein erillistä logiikkaa antureiden, releiden ja toimilaitteiden signaalien hallintaan.Laite voidaan ohjelmoida käsittelemään automaattisissa koneissa ja valvontajärjestelmissä käytettäviä ohjausjaksoja, turvatarkastuksia ja signaalien reititystehtäviä.
Viestintälaitteet käyttävät ohjelmoitavaa logiikkaa signaalien reitityksen hallintaan prosessorien ja liitäntäpiirien välillä.Laite voi tukea digitaalista kytkentää, protokollan käsittelyä ja signaalin säätöä, jotka auttavat ylläpitämään luotettavaa tiedonsiirtoa järjestelmän komponenttien välillä.
Digitaaliset kuluttajatuotteet luottavat usein kompakteihin logiikkalaitteisiin sisäisten toimintojen koordinoinnissa.Laite voi hallita ajoitusta, syötteiden käsittelyä ja signaalin ohjausta elektronisissa tuotteissa, kuten multimedialaitteissa, kodin elektroniikassa ja oheislaitteissa.
Useita digitaalisia alijärjestelmiä yhdistävät järjestelmät vaativat ohjatun signaalin reitityksen komponenttien välillä.Ohjelmoitavan logiikkarakenteen ansiosta suunnittelijat voivat luoda mukautettua reitityslogiikkaa, joka ohjaa signaaleja muistin, prosessorien ja ulkoisten liitäntöjen välillä.
Monet elektroniset järjestelmät luottavat tilakoneisiin toimintojen hallintaan.Laite voi toteuttaa nämä tilapohjaiset ohjausrakenteet käyttämällä ohjelmoitavia logiikkapolkuja, jotka vastaavat tuloolosuhteisiin ja ajoitustapahtumiin.
Usein useita erillisiä logiikkaportteja ja ohjauspiirejä voidaan yhdistää yhdeksi ohjelmoitavaksi laitteeksi.Tämä lähestymistapa vähentää kortin monimutkaisuutta ja mahdollistaa logiikan toiminnan säätämisen kokoonpanopäivitysten avulla, kun järjestelmävaatimukset muuttuvat.
• Joustava ohjelmoitava logiikka antaa suunnittelijoille mahdollisuuden toteuttaa mukautettuja digitaalisia piirejä
• Nopeampi kehityssykli verrattuna kiinteisiin logiikkalaitteisiin
• Useiden logiikkatoimintojen kompakti integrointi yhteen laitteeseen
• Luotettava toiminta suhteellisen pienellä etenemisviiveellä ohjauslogiikkatehtävissä
• Tukee useita tulo- ja lähtöliitäntöjä 84 I/O-nastan kautta
• Uudelleenohjelmoitava arkkitehtuuri mahdollistaa suunnittelun päivitykset kehityksen aikana
• Soveltuu useiden erillisten logiikkapiirien korvaamiseen sulautetuissa järjestelmissä
• Pienempi logiikkatiheys verrattuna nykyaikaisiin FPGA-laitteisiin
• Rajoitetut sisäiset resurssit verrattuna uudempiin ohjelmoitaviin logiikkaperheisiin
• Rajoitettu käyttölämpötila-alue verrattuna teollisuuslaitteisiin
• RoHS-yhteensopimaton versio saattaa rajoittaa käyttöä joissakin nykyaikaisissa ympäristöystävällisissä malleissa
| Osanumero | Valmistaja | Tärkeimmät ominaisuudet | Käytä tapausta/huomautuksia |
| EPM7128ATC100-12F | Altera | MAX 7000A -perheen CPLD, jossa on 128 makrosolua ja noin 2 500 käyttökelpoista logiikkaporttia.Käyttää sähköisesti pyyhittävää ohjelmoitavaa logiikkatekniikkaa ja 100-nastaista TQFP-pakettia, jossa on useita ohjelmoitavia I/O-liitäntöjä. | Käytetään digitaaliseen ohjauslogiikkaan, väylärajapintalogiikkaan ja järjestelmän liimalogiikkaan, joissa useita digitaalisia toimintoja on toteutettava yhdessä ohjelmoitavassa laitteessa. |
| EPM7128ATC100-6 | Altera | Nopeampi CPLD MAX 7000A -arkkitehtuurista.Tarjoaa ohjelmoitavat makrosolut, sisäiset reititysresurssit ja joustavat digitaaliset tulo- ja lähtönastat. | Soveltuu ajoitusherkkään digitaaliseen logiikkaan, rajapinnan hallintaan ja sulautettuihin ohjausjärjestelmiin, jotka vaativat nopeampaa logiikkaa. |
| EPM7128ATC144-10 | Altera | CPLD-laite, joka käyttää MAX 7000A -arkkitehtuuria haihtumattomalla konfigurointimuistilla ja suuremmalla paketilla, joka tukee enemmän I/O-yhteyksiä digitaaliseen järjestelmän integrointiin. | Yleistä teollisissa ohjauskorteissa, tietoliikennelaitteistoissa ja ohjelmoitavissa logiikkaohjaustehtävissä, joissa on käsiteltävä ylimääräisiä ulkoisia signaaleja. |
Altera oli puolijohdeyritys, joka tunnettiin digitaalisissa järjestelmissä ja sulautetussa elektroniikassa käytettävien ohjelmoitavien logiikkalaitteiden kehittämisestä.Yritys on erikoistunut kenttäohjelmoitaviin porttiryhmiin ja monimutkaisiin ohjelmoitaviin logiikkalaitteisiin, joiden avulla suunnittelijat voivat toteuttaa mukautettuja digitaalisia piirejä yhdessä komponentissa.Sen tuoteperheitä käytettiin laajasti viestintälaitteissa, laskenta-alustoissa, teollisuuden ohjausjärjestelmissä ja kulutuselektroniikassa.Vuonna 2015 yhtiöstä tuli osa Inteliä, jossa sen ohjelmoitavien logiikkatekniikoiden kehittämistä jatketaan ja integroidaan datakeskukseen, verkkoon ja sulautettuihin laskenta-alustoihin.
EPM7128ATC100-10 on ohjelmoitava logiikkalaite, joka on suunniteltu käsittelemään konfiguroitavia digitaalisia ohjaustehtäviä elektronisissa järjestelmissä.Se yhdistää 128 makrosolua ja sisäisen reititysrakenteen, jonka avulla voit rakentaa mukautettuja logiikkatoimintoja yhden kompaktin sirun sisällä.Laite järjestää logiikkaresurssinsa logiikkaryhmälohkojen kautta, jotka muodostavat yhteyden ohjelmoitavan reititysverkon kautta.Sen pin-kokoonpano ja kompakti TQFP-paketti tukevat pinta-asennusmalleja, joita käytetään nykyaikaisissa piirilevyissä.Tämän laitteen avulla voit hallita signaalin reititystä, loogista järjestystä ja ohjaustoimintoja monissa digitaalisissa sovelluksissa.Tämä joustavuus auttaa yksinkertaistamaan piirien suunnittelua ja pitämään järjestelmän toiminnan ennustettavana.
Lähetä kysely, vastaamme heti.
EPM7128ATC100-10 on monimutkainen ohjelmoitava logiikkalaite, joka mahdollistaa konfiguroitava digitaalinen logiikka, joka voidaan toteuttaa yhden integroidun sisällä piiri.
Laite sisältää 128 makrosolua, jotka voivat toteuttaa ohjelmoitavia yhdistelmä- tai rekisteröityjä logiikkatoimintoja.
Se on saatavana 100-nastaisena ohuena nelilevypakkauksena, joka tukee pinta-asennusta painetuille piirilevyille.
Sitä käytetään yleisesti digitaaliseen ohjauslogiikkaan, signaalin reitittämiseen, rajapinnan hallinta ja tilakonetoteutus sulautetussa muodossa järjestelmät.
Laite toimii sisäisellä syöttöjännitealueella noin 3 volttia 3,6 volttiin.
13.03.2026
10.03.2026
19.04.8000 147781
19.04.2000 112056
19.04.1600 111352
19.04.0400 83810
01.01.1970 79622
01.01.1970 66992
01.01.1970 63118
01.01.1970 63055
01.01.1970 54097
01.01.1970 52205