
Se BF245 käytetään ensisijaisesti VHF-, UHF -kaistojen ja äänitaajuuksien signaalien monistamiseen.Suurella vahvistuksella ja alhaisella kohina -määritteillä se vahvistaa taitavasti pieniä signaaleja minimoimalla meluhäiriöt.
Sarja, mukaan lukien BF245, BF245A, BF245B ja BF245C, esittävät selkeät sähköiset ominaisuudet, lähinnä portti-lähteen jännitteessä ja nolla-porttijännitevirrassa.Nämä erot palvelevat tiettyjä sovelluksia, jotka tarjoavat monipuolisuuden piirisuunnitelmien optimoinnissa erilaisten signaalin monistustarpeiden varalta.Tehokkuus VHF- ja UHF -kaistoissa on huomattavaa, koska niiden kyky hallita ja vahvistaa heikompia signaaleja, mikä parantaa signaalin selkeyttä ja voimaa, perusta lähetys- ja viestintäjärjestelmille.
Äänitaajuussovelluksissa BF245 on erinomainen säilyttämällä signaalin eheys ja minimoimalla vääristymät, joita käytetään korkean kannattavuuden äänilaitteissa.Sen kyky suodattaa melu varmistaa puhtaamman äänilähtön.Verrattuna vastaaviin transistoreihin, BF245: n tasapaino korkean voiton ja matalan melun välillä tekee siitä suositun valinnan.Voit usein mieluummin tämän komponentin sen kestävyyden ja luotettavuuden suhteen vaativissa ympäristöissä.

|
Nasta |
SYMBOLI |
KUVAUS |
|
1 |
g |
Portti |
|
2 |
s |
Lähde |
|
3 |
d -d |
Valua |



|
Ominaisuus |
Eritelmä |
|
Pakettityyppi |
To-92 |
|
Transistorityyppi |
N kanava jfet |
|
Viemärin jännite |
30 V (enintään) |
|
Tyhjennysjännite |
30 V (enintään) |
|
Käänteinen portin lähteen jännite |
–30 V (enintään) |
|
Jatkuva tyhjennysvirta |
25MA (enintään) |
|
Portin lähteen rajajännite |
-0,5 V -–0V |
|
Virran hajoaminen |
300MW (enintään) |
|
Varastointi- ja käyttölämpötila |
-55 ° C - +150 ° C |
|
Melutaso ja voitto |
Matala melu ja korkea voitto |
|
Toimintataajuus |
Jopa 700 MHz |
|
Tyhjennä ja lähteen vaihdettavuus |
Kyllä |
Tässä on ON Semiconductorin tekninen eritelmätaulukko BF245B Jfet.
|
Tyyppi |
Parametri |
|
Elinkaaren tila |
Vanhentunut |
|
Viimeiset lähetykset |
Viimeksi päivitetty: 1 viikko sitten |
|
Asentaa |
Reiän läpi |
|
Paketti / kotelo |
TO-226-3, TO-92-3 (TO-226AA) |
|
Nastat |
3 |
|
Paino |
200 mg |
|
Jakautumisjännite / v |
-30 V |
|
Elementtien lukumäärä |
1 |
|
Pakkaus |
Massa |
|
Julkaistu |
2009 |
|
JESD-609-koodi |
E0 |
|
Pbfree -koodi |
Ei |
|
Osien tila |
Vanhentunut |
|
Kosteuden herkkyystaso (MSL) |
1 (rajoittamaton) |
|
Päätteiden lukumäärä |
3 |
|
ECCN -koodi |
Ear99 |
|
Terminaalipinta |
Tina/lyijy (SN/PB) |
|
Max -käyttölämpötila |
150 ° C |
|
Min käyttölämpötila |
-55 ° C |
|
HTS -koodi |
8541.21.00.75 |
|
Jännite - nimellis tasavirta |
30 V |
|
Nykyinen luokitus (AMPS) |
100 Ma |
|
Enimmäisvoiman hajoaminen |
350 MW |
|
Terminaalin sijainti |
Pohja |
|
Huippukämpötila (° C) |
240 |
|
Saavuttaa vaatimustenmukaisuuskoodi |
Ei yhteensopiva |
|
Nykyinen luokitus |
10 Ma |
|
Time@Peak Refow-Temp-Max (t) |
30 |
|
Perusosanumero |
BF245 |
|
Nastaluku |
3 |
|
Pätevyystila |
Ei pätevä |
|
Elementin kokoonpano |
Yksittäinen |
|
Käyttötila |
Ehtymistila |
|
Virran hajoaminen |
350 MW |
|
Transistorisovellus |
Vahvistin |
|
Valuta lähdejännitteeseen (VDSS) |
15 V |
|
Transistorityyppi |
N-kanava jfet |
|
Jatkuva tyhjennysvirta (ID) |
15 Ma |
|
Portti lähdejännitteeseen (VGS) |
-30 V |
|
Tyhjennysvirta-max (ABS) (ID) |
0,1 a |
|
Valuta lähteen hajoamisjännitteeseen |
30 V |
|
Fet -tekniikka |
Risteys |
|
Korkein taajuuskaista |
Erittäin korkeataajuus B |
|
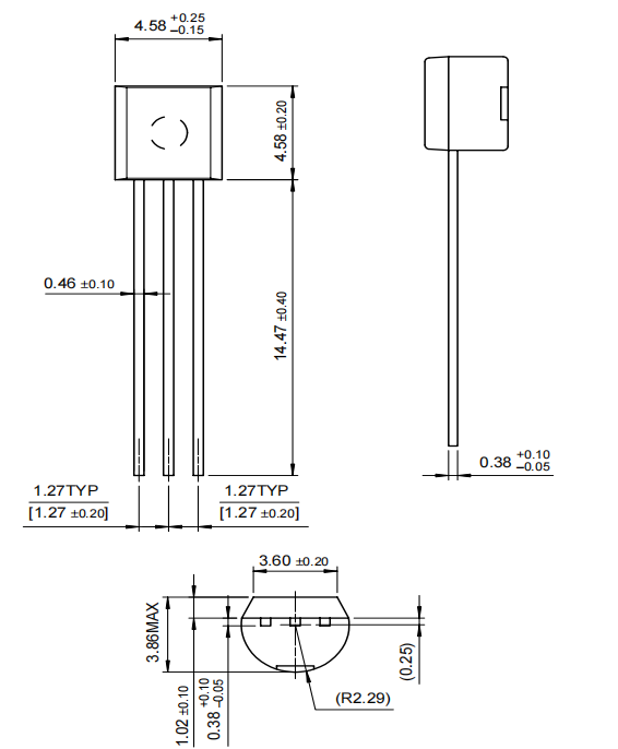
Korkeus |
4,58 mm |
|
Pituus |
4,58 mm |
|
Leveys |
3,86 mm |
|
ROHS -tila |
Ei-ROHS-yhteensopiva |
|
Lyijyvapaa |
Lyijyvapaa
|
Olla BF245C
Olla 2N5457
Olla 2sk117
Olla MPF102
Olla 2N5458
Olla BF244A
Olla BF256A
Olla J113
Olla 2N3819
Olla 2N4416
Olla 2N5638
Olla 2sk162
BF245 löytää laajaa käyttöä VHF: n (erittäin korkeataajuuden) ja UHF (erittäin korkeataajuus) signaalien monistamisessa.Näillä taajuuksilla on rooli radioviestinnässä, televisiolähetysten ja langattomien laitteissa, jotka vaativat yksityiskohtaista monistusta signaalin selkeyden ylläpitämiseksi.Voit tutkia hienostuneita kokoonpanoja suorituskyvyn parantamiseksi, pohtimaan haasteita, kuten signaalin vääristymistä ja melunhallintaa.Tämä harjoittelu vastaa usein teknisen huippuosaamisen saavuttamisen emotionaalista tyytyväisyyttä.
Tällä transistorilla on merkitys RF -oskillaattorien muotoilussa, jotka tuottavat vakaat ja tarkkoja taajuussignaaleja.Sen alhainen meluominaisuus rikastuttaa lähtösignaalien laatua, joka on vaalittu televiestintä- ja lähetyspiireissä.Voit investoida emotionaalista ja älyllistä pyrkimystä minimoida harmoniset vääristymät säilyttäen taajuuden vakauden, piirtämällä käsityksiä käytännöllisistä kokemuksista piiriparametrien säätämiseksi.
Äänen monistumisen alueella BF245 tarjoaa luotettavan tuen pienitehoisille äänisignaaleille.Sen rooli äänipiireissä varmistaa minimaalisen vääristymisen, mikä tekee siitä sopivan erittäin hyväntahtoisille äänijärjestelmille.Suorituskyvyn tasapainottamisen taidetta tulee tarkka tehtävä, voit nauttia tarkennuksesta kuuntelukokemuksen parantamiseksi, jonka käytännöllinen asiantuntemus on tietoinen transistorin oikein puolustamisesta.
Matalan signaalinkäsittelyä varten, jota usein havaitaan analyyttisissä ja mittausvälineissä, BF245 osoittaa sen arvon.Heikkojen signaalien käsittely varmistaa taitavasti tiedon eheyden.Ympäristön seurannan ja biolääketieteellisen tekniikan kaltaisten aloilla työskentelevä yhteistyö tulee räätälöintipiirejen tutkimiseksi tarkkojen mittaustarpeiden tyydyttämiseksi, nauttimalla tämän aiheuttamasta älyllisestä sitoutumisesta.
BF245 parantaa anturipiirejä monipuolisten anturien heikkojen signaalien vahvistamalla.Olipa lämpötila, paine tai kosteustunnistus, tämä transistori tarjoaa vakaan vahvistuksen, mikä helpottaa tarkkoja anturitietojen tulkintaa.Voit pyrkiä tarkentamaan anturipiirejä keskittyen vasteaikojen minimoimiseen ja herkkyyden parantamiseen, samalla kun arvostavat BF245: n johdonmukaista suorituskykyä eri olosuhteissa.

Puolijohteessa palvelee puolijohde -alaa monipuolisella tuotevalikoimalla.Yhtiö on erikoistunut voiman ja signaalin hallintaan, loogisiin komponentteihin sekä erillisiin ja räätälöityihin laitteisiin, kuten auto-, viestintä-, tietojenkäsittely-, kuluttaja-, teollisuus-, LED -valaistus-, lääketieteen, armeijan/ilmailu- ja voimalaitteiden ja voimasovellusten.Puolijohteessa on laaja verkosto Pohjois -Amerikassa, Euroopassa ja Aasian ja Tyynenmeren alueella.Yrityksen pääkonttori sijaitsee elinvoimaisessa Phoenixin kaupungissa, Arizonassa, keskuksessa, joka polttaa sen innovatiivista henkeä.
Lähetä kysely, vastaamme heti.
29.10.2024
29.10.2024
18.04.8000 147757
18.04.2000 111935
18.04.1600 111349
18.04.0400 83719
01.01.1970 79508
01.01.1970 66900
01.01.1970 63017
01.01.1970 63010
01.01.1970 54081
01.01.1970 52121