
The AD8542AR on kaksikäyttöinen yleiskäyttöinen operaatiovahvistin, joka on rakennettu alhaisen tehon toimintaan ja kiskosta kiskoon tulo- ja lähtötehoon.Se toimii yhdestä virtalähteestä ja tukee pienjännitejärjestelmiä, joissa tarvitaan tehokasta signaalinkäsittelyä.Laite tarjoaa vakaan vahvistuksen pienille analogisille signaaleille samalla, kun se säilyttää yhdenmukaisen toiminnan koko toiminta-alueella.Sen kaksikanavainen rakenne tukee kompakteja piiriasetteluja ja vähentää komponenttien määrää.Yleisiä käyttökohteita ovat anturin signaalin säätö, paristokäyttöiset instrumentit, kannettavat mittauslaitteet ja analogiset peruskäsittelyvaiheet.Osa tasapainottaa tarkkuutta ja tehokkuutta päivittäisiin analogisiin toimintoihin.Etsitkö AD8542AR:ta?Ota yhteyttä tarkistaaksesi tämänhetkiset varastot, toimitusajat ja hinnat.

| Pin-numero | Pin-nimi | Kuvaus |
| 1 | ULOS A | Vahvistimen A lähtö |
| 2 | −IN A | Vahvistin A invertoiva sisääntulo |
| 3 | +IN A | Vahvistin Ei-invertoiva tulo |
| 4 | V− | Negatiivinen syöttö tai maadoitus |
| 5 | +IN B | Vahvistimen B ei-invertoiva tulo |
| 6 | −IN B | Vahvistimen B invertoiva sisääntulo |
| 7 | ULOS B | Vahvistimen B lähtö |
| 8 | V+ | Positiivinen tarjonta |



AD8542AR sisältää kaksi erillistä vahvistinkanavaa yhdessä laitteessa.Tämän ansiosta yksi komponentti pystyy käsittelemään parillisia analogisia signaaleja, mikä auttaa vähentämään levytilaa ja yksinkertaistaa piirien asettelua.Molemmat kanavat toimivat yhteensopivalla sähköisellä käyttäytymisellä, mikä tukee tasapainoista ja johdonmukaista signaalinkäsittelyä.
Tulot ja lähdöt voivat heilua lähellä molempia syöttötasoja.Tämä mahdollistaa käytettävissä olevan jännitealueen paremman käytön erityisesti pienjännitejärjestelmissä.Signaalit voidaan käsitellä minimaalisella dynaamisen alueen menetyksellä käytettäessä yhdestä virtalähteestä.
Laite käyttää hyvin vähän syöttövirtaa normaalikäytössä.Tämä tukee pidempää akun käyttöikää ja pienempää kokonaisvirrantarvetta.Se sopii hyvin järjestelmiin, jotka pysyvät aktiivisina pitkiä aikoja.
Pieni tulooffset-jännite auttaa säilyttämään tarkkuuden vahvistettaessa matalan tason signaaleja.Tämä vähentää ei-toivottua jännitevirhettä lähdössä.Vakaa offset-käyttäytyminen tukee toistettavia mittauksia.
Tuloporras ottaa vain hyvin pienen määrän virtaa.Tämä minimoi vuorovaikutuksen korkean impedanssin signaalilähteiden kanssa.Se auttaa säilyttämään signaalin eheyden herkillä tuloteillä.
Vahvistuskaistanleveys tukee yleisiä analogisia signaalitaajuuksia, joita käytetään tunnistus- ja ohjauspiireissä.Se tarjoaa tasaisen vahvistuksen ilman liiallista signaalin vääristymistä.Tämä tekee laitteesta sopivan monenlaisiin päivittäisiin analogisiin tehtäviin.
Kääntönopeus mahdollistaa tasaiset lähdön siirtymät, kun tulosignaali muuttuu.Tämä tukee vakaata signaalin seurantaa ilman äkillisiä reunoja.Se auttaa ylläpitämään ennakoitavan aikavasteen.
Pääteaste voi lähteä ja laskea kohtalaisia virtatasoja.Tämä mahdollistaa suoran yhteyden kuormiin, kuten suodattimiin tai muuntimiin.Monissa malleissa ei tarvita lisäpuskurivaihetta.
Vahvistin toimii useilla eri syöttöjännitteillä.Tämä mahdollistaa yhteensopivuuden järjestelmän eri tehotasojen kanssa.Se tukee joustavaa integrointia sekajännitemalleihin.
Laite on määritelty toimimaan laajalla lämpötila-alueella.Sähköinen suorituskyky pysyy vakaana vaihtelevissa lämpöolosuhteissa.Tämä tukee käyttöä teollisuus- ja ulkotiloissa.
| Tuotteen ominaisuus | Attribuutin arvo |
| Valmistaja | Analog Devices, Inc. |
| Jännite - Syöttöalue (min) | 2,7 V |
| Jännite - Syöttöalue (maks.) | 5,5 V |
| Jännite - Tulon poikkeama | 1 mV |
| Lisää kaistanleveyttä tuote | 1 MHz |
| Slew Rate | 0,92 V/µs |
| Lähtötyyppi | Rail-to-Rail |
| Nykyinen - Supply | 45 µA (x 2 kanavaa) |
| Nykyinen - Lähtö / kanava | 30 mA |
| Nykyinen - Input Bias | 4 pA |
| Käyttölämpötila | -40 °C - 125 °C |
| Piirien määrä | 2 |
| Asennustyyppi | Pinta-asennus |
| Toimittajan laitepaketti | 8-SOIC |
| Paketti / kotelo | 8-SOIC (0,154", leveys 3,90 mm) |
| Paketti | Putki |
| Perustuotenumero | AD8542 |

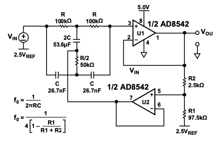
Aktiivinen twin-T-lovisuodatin, joka on määritetty estämään 60 Hz:n häiriöt käyttämällä AD8542-kaksoisoperaatiovahvistimen molempia kanavia yhden virtalähteen käytössä.Piiri yhdistää passiivisen kaksois-T-verkon, joka on valmistettu yhteensovitetuista vastuksista ja kondensaattoreista aktiivisen vahvistinasteen kanssa lovien syvyyden lisäämiseksi ja laatutekijän ohjaamiseksi, joka on asetettu arvoon 10 määritellyllä vastussuhteella.5,0 V:n syöttöä käytetään 2,5 V:n viittauksella signaalipolun biasoimiseen, mikä mahdollistaa oikean toiminnan ilman negatiivista kiskoa.Yksi vahvistinosa käsittelee suodatetun signaalin, kun taas toinen puskuroi keskisyötön referenssiä, mikä varmistaa vakaan esijännityksen.Komponenttiarvot valitaan pykälätaajuuden määrittämiseksi standardin RC-suhteen mukaisesti, mikä tekee konfiguraatiosta sopivan teholinjan kohinan vaimentamiseen matalataajuisilla analogisilla signaaliteillä.
AD8542AR:ta käytetään yleisesti kannettavassa elektroniikassa, jossa vaaditaan pientä syöttöjännitettä ja pientä tehoa.Se tukee vakaata signaalin vahvistusta samalla kun se ottaa mahdollisimman vähän virtaa, mikä auttaa pidentämään akun käyttöaikaa.Kiskosta kiskoon -käyttäytyminen mahdollistaa signaalien tarkan käsittelyn, vaikka akun jännite muuttuu.
Anturipohjaisissa järjestelmissä AD8542AR:ta käytetään vahvistamaan, puskuroimaan tai skaalaamaan matalan tason signaaleja ennen jatkokäsittelyä.Sen pieni tulojännite auttaa välttämään herkkien anturilähtöjen kuormitusta.Tämä tukee puhtaampaa signaalin siirtoa antureista, kuten lämpötila-, paine- tai valoanturielementeistä.
Laite sopii hyvin instrumentointiin, jonka on pysyttävä aktiivisena pitkään.Se tarjoaa tasaisen vahvistuksen pitäen samalla virrankulutuksen alhaisena.Tämä tekee siitä sopivan valvontalaitteiden valvontaan, joissa vaaditaan johdonmukaista signaalin käyttäytymistä ja tehokkuutta.
AD8542AR:ta käytetään analogisissa etupään vaiheissa signaalien valmistelemiseen muunnos- tai ohjauslohkoja varten.Se auttaa vakauttamaan jännitetasoja ja tasaa signaalin siirtymiä.Tämä parantaa audioreittien, käyttäjän tulopiirien ja hitaiden analogisten liitäntöjen yhdenmukaisuutta.
Teollisissa järjestelmissä vahvistin tukee signaalin muokkausta ohjaustakaisinkytkentää ja valvontareittejä varten.Sen laaja käyttölämpötila-alue mahdollistaa sen toiminnan luotettavasti muuttuvissa ympäristöolosuhteissa.Tämä tukee ennakoitavissa olevaa järjestelmän toimintaa pitkän aikavälin käytössä.
AD8542AR valitaan usein yleisiin vahvistustehtäviin sulautetuissa alustoissa.Se voi puskuroida signaaleja sekoitettujen analogisten ja digitaalisten lohkojen välillä.Tämän joustavuuden ansiosta se tukee suodatus-, skaalaus- ja eristystoimintoja kompakteissa malleissa.

Kompakti pinta-asennuspaketti, joka määritellään kahdeksalla johdolla, jotka on järjestetty symmetrisesti kapean suorakaiteen muotoisen rungon ympärille. Mitat on ilmoitettu millimetreinä ja tuumina.Asettelu näyttää rungon leveyden noin 3,80 - 4,00 mm ja kokonaispituuden noin 4,80 - 5,00 mm, nimellisvälin ollessa 1,27 mm.Johdon geometria sisältää määritellyn johdon leveyden, paksuuden ja erotuskorkeuden oikean juottamisen ja samantasoisuuden varmistamiseksi, joka on määritetty 0,10 mm:ksi.Piirustuksessa yksilöidään istukkatason kohdistus, johdinkulmat ja viisteen yksityiskohdat sekä huomioidaan JEDEC-standardin MS-012-AA noudattaminen, mikä tarjoaa johdonmukaisen mekaanisen yhteensopivuuden painetun piirilevyn kokoonpanolle.
• Kaksikanavainen rakenne tukee kompakteja piiriasetteluja
• Matala syöttövirta tukee energiatehokasta toimintaa
• Kiskosta kiskoon tulo ja lähtö mahdollistavat alhaisten syöttöjännitteiden paremman käytön
• Erittäin pieni tulobiasvirta sopii suuriimpedanssisiin signaalilähteisiin
• Laaja käyttölämpötila-alue tukee erilaisia ympäristöjä
• Vakaa käyttäytyminen sopii yleiseen analogiseen signaalinkäsittelyyn
• Rajoitettu vahvistuskaistanleveys rajoittaa käyttöä korkeataajuisissa signaaleissa
• Kohtuullinen muutosnopeus rajoittaa vastetta nopeisiin signaalin muutoksiin
• Syöttöjännitealue ei tue korkeamman jännitteen järjestelmiä
• Yleiskäyttöinen rakenne ei välttämättä sovellu erittäin hiljaisiin sovelluksiin
| Osanumero | Valmistaja | Tärkeimmät ominaisuudet | Käytä tapausta/huomautuksia |
| AD8542KÄSIKELA | Analog Devices, Inc. | Kaksinkertainen pienitehoinen operaatiovahvistin, jossa on kisko-kisko-lähtötoiminto, pieni tulojännite ja vakaa suorituskyky laajalla lämpötila-alueella.Toimitetaan teippi- ja kelapakkauksessa automaattista kokoonpanoa varten. | Sopii hyvin akkukäyttöisiin ja rajoitetusti tilaa oleviin malleihin, jotka perustuvat automatisoituun pinta-asennustuotantoon, mukaan lukien kannettavat instrumentit ja anturisignaalien käsittelypiirit. |
| AD8542AR-REEL7 | Analog Devices, Inc. | Kaksi yleiskäyttöistä operaatiovahvistin, jossa on kiskosta kiskoon -lähdöt, pieni lepovirta ja yhdenmukaiset sähköiset ominaisuudet.Toimitetaan suuren volyymin kelapakkauksessa. | Käytetään yleisesti suuren volyymin valmistuksessa analogisten signaalien käsittelytehtäviin, kuten vahvistukseen, puskurointiin ja säätöihin ohjaus- ja valvontajärjestelmissä. |
| AD8542AR-REEL | Analog Devices, Inc. | Pienitehoinen kaksoisoperaatiovahvistin, jossa on kisko-kisko-lähtöominaisuus, kohtalainen kaistanleveys ja pieni tulojännite.Suunniteltu pinta-asennussovelluksiin. | Soveltuu yleisiin analogisiin piireihin, joissa vaaditaan alhaista virrankulutusta ja kompaktia pinta-asennuspakkausta, kuten kulutuselektroniikkaan ja sulautettuihin järjestelmiin. |
Analog Devices, Inc. on teknologiayritys, joka on keskittynyt analogisten, sekasignaalien ja digitaalisten signaalikomponenttien suunnitteluun ja tuotantoon.Sen tuotevalikoima tukee signaalin mittausta, muuntamista, tehonsäätöä ja tiedonkäsittelyä useissa elektronisissa järjestelmissä.Yritys palvelee muun muassa teollisuuslaitteiden, viestinnän, terveydenhuollon laitteiden ja kulutuselektroniikan markkinoita.Sen pitkä käyttöhistoria kuvastaa keskittymistä vakaaseen suorituskykyyn, tasaiseen laatuun ja pitkäaikaiseen tuotetukeen.Yrityksen komponentteja käytetään yleisesti järjestelmissä, jotka vaativat luotettavaa signaalikäyttäytymistä vaihtelevissa sähkö- ja ympäristöolosuhteissa.
AD8542AR tarjoaa tasapainoisen yhdistelmän vähäistä virrankulutusta, vakaata suorituskykyä ja joustavaa signaalinkäsittelyä.Voit luottaa sen kaksikanavaiseen asennukseen säästääksesi tilaa ja vähentääksesi ylimääräisiä osia piirissäsi.Sen kiskosta kiskoon -käyttäytyminen auttaa sinua saamaan enemmän irti matalista syöttöjännitteistä ilman monimutkaista esijännitystä.Pienellä tulobias-virralla ja offset-jännitteellä se käsittelee pienet signaalit siististi.Laite toimii hyvin laajalla lämpötila-alueella, mikä tekee siitä luotettavan monissa ympäristöissä.Kaiken kaikkiaan se sopii hyvin jokapäiväiseen analogiseen malliin, jossa yksinkertaisuus ja tehokkuus ovat tärkeitä.
Lähetä kysely, vastaamme heti.
AD8542AR on kaksikäyttöinen yleiskäyttöinen operaatiovahvistin, joka on suunniteltu pienitehoiseen, yksisyöttöiseen käyttöön.
Kyllä, se on suunniteltu toimimaan yhdestä syöttöjännitteestä ja tukee kiskosta kiskoon tuloa ja lähtöä.
Näet sen usein anturin signaalinkäsittelyssä, kannettavassa elektroniikassa, instrumenteissa ja analogisissa perusprosessointipiireissä.
AD8542AR toimitetaan 8-kytkentäisessä SOIC-kapeassa rungon pinta-asennuspaketissa.
Kyllä, sen erittäin alhainen syöttöjännite tekee siitä sopivan korkeaimpedanssisiin signaalilähteisiin kytkettyihin piireihin.
13.01.2026
13.01.2026
18.04.8000 147764
18.04.2000 111984
18.04.1600 111351
18.04.0400 83743
01.01.1970 79538
01.01.1970 66949
01.01.1970 63087
01.01.1970 63028
01.01.1970 54092
01.01.1970 52171