
Se 74LS93 on 4-bittinen binaarinen tiski, joka on suunniteltu kahdella sisäänrakennetulla ylöspäin.Siinä yhdistyvät Mode-2: n yläosan MOD-8: n yläosassa, mikä tekee siitä monipuolisen sovelluksille, kuten Mod-8-signaalien laskeminen tai jakaminen 2 tai 8: lla. Tämä IC sisältää neljä JK-flip-flopsia, jotka reagoivat syöttöpulsseihin,jonka voidaan tarjota mikrokontrollerilla tai ajastimella IC.
74LS93: n suunnittelussa on kaksi nollaustappia, kaksi kellotapia ja neljä lähtöliittoa, jolloin se voi laskea 0-15 binaarissa.Yhteensopivuudella erilaisten mikrokontrollerien ja TTL-pohjaisten järjestelmien kanssa tämä laskuri on joustava valinta erilaisille digitaalisille projekteille.Se on yleisesti saatavana muodoissa, kuten Dip ja SMD, joka sisältää aina 14 nasta.Lisäksi IC on rakennettu käsittelemään nopeaa tuloa, mikä varmistaa luotettavan toiminnan dynaamisissa ympäristöissä.

| Pinanumero | Nimeä | Kuvaus |
| 1, 2, 3, 6 | NC | Ei yhteyttä |
| 4, 5, 8, 9 | Q0, Q1, Q2, Q3 | Lähtötapit |
| 7 | Pohja | Kytketty järjestelmän maahan |
| 10 | CP0 | Kellotulo - Jaa 2: lla |
| 11 | CP1 | Kellotulo - Jaa 8: lla |
| 12, 13 | Herra | Master Reset - Tyhjennä syöttö |
| 14 | VCC | Syöttöjännite - 4,5 V - 5,5 V |
74LS93 on 4-bittinen binaarinen laskuri, joka on suunniteltu monille sovelluksille.Se tarjoaa luotettavan suorituskyvyn järjestelmissä, jotka vaativat laskentaa tai taajuusjakoa tehokkaan 4-bittisen arkkitehtuurinsa ansiosta.
Tämä IC toimii saumattomasti 5 V: n vakiojännitteellä, joten se on yhteensopiva monien digitaalisten järjestelmien kanssa.Sen kyky suorittaa johdonmukaisesti tällä jännitteellä varmistaa sen luotettavuuden erilaisissa projekteissa.
IC tukee jännitespektriä välillä 4,5 V - 5,5 V.Tämän joustavuuden avulla voit käyttää sitä järjestelmissä, joissa virtalähde on pieniä vaihteluita säilyttäen vakautta.
Kun IC tuottaa korkean tilan, se toimittaa 3,5 V ja kun se on alhaisessa tilassa, se tuottaa 0,25 V.Nämä tasot tekevät siitä yhteensopivan muiden TTL -laitteiden kanssa, mikä varmistaa sileän integraation piireihisi.
IC käsittelee -0,4 mA suuren ulostulon ja 8 mA: n aikana alhaisen ulostulon aikana.Nämä virran tasot antavat IC: n olla vuorovaikutuksessa muiden komponenttien kanssa tehokkaasti aiheuttamatta ylikuormituksia.
Syöttötapin CP0 -kellotaajuus voi ulottua jopa 32MHz: iin, kun taas CP1 tukee jopa 16MHz.Tämä nopea suorituskyky tekee IC: n sopivan tehtäviin, jotka vaativat nopeaa laskentaa tai taajuusjakoa.
CP0 vaatii vähintään 15N: n pulssin leveyden, kun taas CP1 tarvitsee vähintään 30N: n.Nämä tekniset tiedot varmistavat tarkan toiminnan, estäen menetettyjä signaaleja nopean kytkemisen aikana.
IC on saatavana muodoissa, kuten 14-nastainen PDIP, GDIP ja PDSO, joten se on monipuolinen ja helppo integroida eri malleihin.Näiden muotojen avulla voit valita sen, joka sopii parhaiten erityiseen sovellukseesi.
Voit ajaa IC: n kellotuloja laitteiden, kuten 555 ajastimen tai mikro -ohjaimen avulla.Tämän joustavuuden avulla on helppo käyttää erilaisissa sovelluksissa yksinkertaisista ajastimista monimutkaisempiin digitaalisiin järjestelmiin.
IC: n lähtö on TTL -muodossa, mikä varmistaa yhteensopivuuden laajan valikoiman ICS- ja mikro -ohjainjärjestelmiä.Tämä ominaisuus yksinkertaistaa integraatiota digitaalisiin piirimalleihisi.
IC toimii hyvin lämpötiloissa, jotka vaihtelevat 0 - 70 astetta, joten se sopii vakioympäristöihin.Se tarjoaa johdonmukaisia tuloksia ilman, että kohtalaiset lämpötilan muutokset vaikuttavat siihen.
Olla 74HC19
Olla 74LS192
Olla 4516
Olla 74LS90
Olla CD4017
Olla 74LS02
Olla CD4020
Olla CD4060
Olla CD4022
Olla CD4026
Olla CD40102
Saadaksesi 74LS93 binaarinen laskuri, aloita yhdistämällä virtalähde.Kiinnitä VCC -nasta positiiviseen nauhaan ja GND -nastaan järjestelmän maahan.Kun tämä on valmis, kytke ensimmäinen kellotulon (nasta 1) viimeiseen bittilähtöön (nasta 12).Tämä yhteys on avain laskentamekanismin mahdollistamiseen.

Aseta seuraavaksi nollatapit (nastat 2 ja 3).Maata nämä nastat varmistaaksesi, että laskuri alkaa nollasta.Jos tarvitset nollauksen toimimaan eri tavalla, voit kytkeä nämä nastat ulkoiseen logiikkaan sovellustarpeesi perusteella.Tämän joustavuuden avulla voit määrittää laskurin piirimisvaatimusten mukaisesti.
Kytke kellotuloa toinen kellotappi (nasta 2) ulkoiseen pulssigeneraattoriin, kuten ajastin IC tai mikä tahansa laite, joka pystyy tuottamaan kellosignaaleja.Tämä kellopulssi säätelee IC: n binaarimäärän lähtöä, joka näkyy nastailla 8, 9, 11 ja 12.
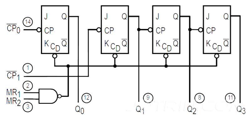
74LS93: n sisäpiiri on jaettu kahteen pääosaan: Mod 2 -laskuri ja Mod 8 -laskuri.Mod 2 -laskuri hallitsee ensimmäistä bittiä, vaihtaen välillä 0 ja 1 jokaisella kellopulssilla signaalin siirtyessä korkeasta matalaan.Tämä lähtö toimii Mod 8 -laskurin kellotulona, joka käyttää kolmea toisiinsa liitettyjä JK-flip-floppeja jäljellä olevien kolmen bitin luomiseen.
Jokainen Mod 8 -laskurin JK-flip-flop saa kellosignaalin edellisen flip-flopin ulostulosta.Yhdessä mod 2 ja mod 8 laskurit tuottavat 4-bittisen binaarimäärän, joka vaihtelee välillä 0000-1111. Tämä binaarinen lähtö näytetään neljän lähtötapin yli, mikä tarjoaa selkeän esityksen laskusta.
74LS93 -laskuripiirin ymmärtämiseksi se auttaa tutkimaan sen sisäistä suunnittelua ja toiminnallisuutta.Piiri perustuu JK-flip-floppeihin, joista kukin pystyy vaihtamaan kahden tilan välillä: 1 ja 0. Nämä tilat edustavat binaarisia arvoja, ja laskuri etenee muuttamalla näitä tiloja vastauksena kellopulssille.

74LS93: ssa jokainen flip-flopin tila muuttuu, kun edellisen flip-flop-siirtymien lähtö korkeasta matalaan.Ensimmäinen flip-flop ei kuitenkaan ole suoraan kytketty toiseen.Jos haluat luoda funktionaalisen sekvenssin, yhdistät ensimmäisen kellotapin (CP1) Mod 8 -laskurin ensimmäisen flip-flopin lähtöon.Tämä varmistaa, että sekvenssi virtaa kunnolla.
Kun neljä flip-floppia on kytketty peräkkäin, jokainen vastaanottaa kellopulssin edellisen flip-flopin ulostulosta, laskuri alkaa klo 0000 ja laskee jopa 1111: een ennen kuin nollataan takaisin 0000: een. Jokainen tila edustaa ainutlaatuista binaarinumeroa, eteneetilata.
Alla oleva taulukko osoittaa, kuinka binaarinen lähtö muuttuu jokaisen määrän kanssa:
| Laskenta | Tulos | Q3 | Q2 | Q1 | Q0 |
| 0 - | 0 - | 0 - | 0 - | 0 - | |
| 1 | 0 - | 0 - | 0 - | 1 | |
| 2 | 0 - | 0 - | 1 | 0 - | |
| 3 | 0 - | 0 - | 1 | 1 | |
| 4 | 0 - | 1 | 0 - | 0 - | |
| 5 | 0 - | 1 | 0 - | 1 | |
| 6 | 0 - | 1 | 1 | 0 - | |
| 7 | 0 - | 1 | 1 | 1 | |
| 8 | 1 | 0 - | 0 - | 0 - | |
| 9 | 1 | 0 - | 0 - | 1 | |
| 10 | 1 | 0 - | 1 | 0 - | |
| 11 | 1 | 0 - | 1 | 1 | |
| 12 | 1 | 1 | 0 - | 0 - | |
| 13 | 1 | 1 | 0 - | 1 | |
| 14 | 1 | 1 | 1 | 0 - | |
| 15 | 1 | 1 | 1 | 1 |
Lisäksi ajoituskaavio osoittaa, kuinka lähdöt Q0: sta Q3: een käyttäytyvät vastauksena sisääntulokellosignaalille.Tämä visualisointi helpottaa, kuinka binaarinen laskuri etenee askel askeleelta:

74LS93 on monipuolinen ylöspäin suuntautuva käsitys, joka on rakennettu käyttämällä neljää JK-flip-floppia.Yhdistämällä sen MOD-2- ja MOD-8-laskurit sitä käytetään yleisesti MOD-16-laskurin luomiseen.Sitä käytetään usein piireissä, jotka vaativat laskemista 0: sta 15: een binaarissa tai luodaan sekvenssejä ajoitustarkoituksiin, mikä tekee siitä suoraviivaisen ja luotettavan valinnan tällaisille sovelluksille.
Tätä IC: tä käytetään myös laajasti taajuusjakopiireissä, joissa se voi jakaa taajuudet 2, 8 tai 16 tarkkuudella.Sen suunnittelu antaa sille mahdollisuuden käsitellä ohjattuja ajoitustehtäviä tehokkaasti, mikä tekee siitä sopivan käytettäväksi digitaalisten ajoitusjärjestelmien, kuten digitaalisten kellojen tai peräkkäisten tapahtumien hallinnan asetuksissa.
Lisäksi 74LS93: ta käytetään pulssinlaskentasovelluksissa, joissa se sijoittaa saapuvat signaalit binaarissa.Sen kyky yhdistää MOD-2- ja MOD-8-toiminnallisuus tekee siitä tehokkaan ja luotettavan komponentin hankkeissa, jotka vaativat tarkkaa binaarilaskentaa.
74LS93 -binaarilaskurin käyttäminen on suoraviivaista ja tehokasta.Aloita käyttämällä IC: tä VCC: n ja maa -nastajen läpi käyttämällä +5 V: n virtalähdettä.Tämä vahvistaa IC: n tarvittavat käyttöolosuhteet.74LS93 sisältää kaksi MR (Master Reset) -tappia, joiden avulla voit määrittää halutun toimintatavan.Vakiolaskentatoiminnot kytke molemmat nollatapit maahan (matala), kuten moodin valintataulukossa on esitetty.

Seuraavaksi toimituskellopulssit CP0- ja CP1 -syöttötappiin laskentaprosessin käynnistämiseksi.Jokainen näiden nastajen pulssitulon lisääminen binaarimääritys yhdellä.CP1 -nasta hallitsee Q0 -lähtöä, kun taas CP0 säätelee Q1: n, Q2: n ja Q3: n lähtöjä.Aktivoidaksesi kaikki neljä lähtöbittiä kytke CP1: n kellopulssi Q0 -lähtöön.
IC tukee huippukellotaajuutta 32MHz CP0: lle ja 16MHz CP1: lle.Varmista, että pulssin leveys on vähintään 15N: n CP0: lle ja 30N: lle CP1: lle tarkan toiminnan ylläpitämiseksi.Tyypillisesti voit luoda kellosignaalin käyttämällä 555-ajastinta tai samanlaista pulssia tuottavaa piiriä.
|
LASKEA |
Tulos |
|||
|
Q0 |
Q1 |
Q2 |
Q3 |
|
|
0 - |
Lens |
Lens |
Lens |
Lens |
|
1 |
H |
Lens |
Lens |
Lens |
|
2 |
Lens |
H |
Lens |
Lens |
|
3 |
H |
H |
Lens |
Lens |
|
4 |
Lens |
Lens |
H |
Lens |
|
5 |
H |
Lens |
H |
Lens |
|
6 |
Lens |
H |
H |
Lens |
|
7 |
H |
H |
H |
Lens |
|
8 |
Lens |
Lens |
Lens |
H |
|
9 |
H |
Lens |
Lens |
H |
|
10 |
Lens |
H |
Lens |
H |
|
11 |
H |
H |
Lens |
H |
|
12 |
Lens |
Lens |
H |
H |
|
13 |
H |
Lens |
H |
H |
|
14 |
Lens |
H |
H |
H |
|
15 |
H |
H |
H |
H |
Ymmärtääksesi sen toiminnallisuutta paremmin, harkitse IC: n toiminnan simulointia.Esimerkiksi tilassa-0 (vakiolaskentatila) sekä MR-nastajen maadoittaminen että logiikkatilan vaihtaminen tuottaa kellopulsseja.Jokaisen siirtymisen jälkeen korkeasta matalaan, IC laskee sen määrän.Alla on esimerkki simulaatiosta, joka kuvaa tätä käyttäytymistä.

Lisätietoja voit viitata video -opetusohjelmiin tai lisäresursseihin.74LS93: n käytännön käyttö eri piireissä, mukaan lukien ajoitus- ja laskentasovellukset, osoittavat sen sopeutumiskyvyn ja helppokäyttöisyyden digitaalisissa malleissa.
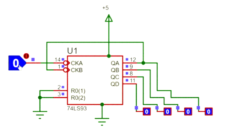
Jotta voit luoda yksinumeroisen laskurin 74LS93: lla, tarvitset komponentteja, kuten a 74LS20 (Neljän sisääntulon NAND-portti) ja a 74LS04 (Kolme ei porttia).Nämä komponentit toimivat yhdessä IC: n kanssa BCD-seitsemän segmentin näytön ajamiseksi, jolloin laskuri voi kiertää numeroita 0-9.
Vaikka 74LS93 on 4-bittinen vastalause, joka pystyy käsittelemään jopa 16 binaarimäärää, sen on nollattava 9: n saavuttamisen jälkeen varmistaakseen, että näyttö pysyy desimaalin tarkkuudella.Jos laskuria ei nollata tässä vaiheessa, lähtö voi osoittaa virheellisiä tai odottamattomia arvoja.Tämän hallitsemiseksi käytetään palautuksen palautuspiiriä yhdistämällä NAND: n signaalit eikä portit palauttaa laskuri automaattisesti.

Tässä piirissä kaksi porttia on kytketty QA- ja QC -lähdöihin, kun taas QB ja QD on kytketty suoraan NAND -porttituloihin.NAND -portti tuottaa korkean lähtöä vain, kun kaikki sen tulot ovat nolla.Binaariarvolla 1010 ei portit kääntävät QA: n ja QC: n signaalit, jotka laukaisevat korkean ulostulon NAND -portista.74LS04 kääntää tämän tulosteen kääntämällä laskurin nollaan.Tämä malli varmistaa, että laskuri päivittää johdonmukaisesti ja näyttää oikeat desimaalit.
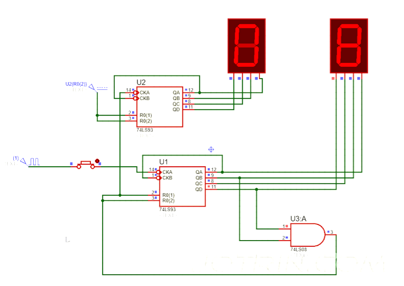
2-numeroinen laskurin kokoonpano laajentaa yksinumeroisen laskurin käsitettä, jolloin se voi näyttää numerot välillä 00-99. Sama peruslogiikka sovelletaan, mutta tässä tapauksessa seitsemän ensimmäisen segmentin näyttö etenee, kun toinen näyttö lähettääKellon palautussignaali.Tämä malli varmistaa saumattoman laskennan kahden numeron yli käyttämällä yhden näytön nollaussignaalia toisen kellontulon ohjaamiseksi.

2-numeroisen laskurin takana oleva logiikka pysyy yhdenmukaisena yksinumeroisen asennuksen kanssa, joka tarjoaa tehokkaan tavan esitellä suurempia numeerisia arvoja kahdella seitsemän segmentinäytöllä.Yhdistämällä nämä kaksi laskuria nollaus- ja kellosignaaliensa läpi, näytöt toimivat samanaikaisesti edustamaan numeroita 00 - 99.
74LS93-pohjainen 2-numeroinen desimaalilaskuri
2-numeroisen laskurin osalta 74LS93 voidaan konfiguroida laskemaan ja näyttämään numerot välillä 00-99. Kaksinumeroisen laskurin logiikka rakentuu samoihin periaatteisiin kuin yksinumeroinen laskuri, mutta laajentaa sen toiminnallisuutta asettamalla kaksi BCD-laskuria.
Tässä asennuksessa ensimmäinen BCD-seitsemän segmentin näyttö edistää sen laskentaa toisen näytön palautussignaalin perusteella.Pohjimmiltaan ensimmäisen näytön kellosignaali on johdettu toisen näytön nollauksesta.Tämä CSS -järjestely varmistaa, että laskuri etenee loogisesti kahden numeron kautta, ja ensimmäinen näyttö kasvaa vain, kun toinen näyttö täyttää syklinsä välillä 0 - 9.

Tämä kaksinumeroinen laskuripiiri mahdollistaa laskemisen 99: een ja tarjoaa selkeän ja luettavan näytön kahdella seitsemän segmentin näyttöllä.Taustalla olevat logiikka- ja palautemekanismit varmistavat sujuvan toiminnan, joten se on ihanteellinen sovelluksille, jotka vaativat suurempaa laskentavalikoimaa.
74LS93 soveltuu hyvin digitaalisten piirien pidennetyn ajoituksen keston luomiseen.Määrittämällä sen laskurit asianmukaisesti, voit saavuttaa pitkät ja johdonmukaiset viivästykset, jotka ovat hyödyllisiä ajoitukseen liittyvissä sovelluksissa.
Tämä IC toimii luotettavana taajuusjakajana.Se voi vähentää syöttökellotaajuuksia tekijöillä 2, 8 tai 16, mikä tekee siitä luotettavan valinnan järjestelmille, joissa synkronoituihin toimintoihin tarvitaan vakaa taajuusjako.
Kun tarkka ajoitus on tarpeen, 74LS93 tarjoaa yksinkertaisen ratkaisun.Sen ennustettavissa oleva laskentakäyttäytyminen varmistaa tarkkuuden tehtävissä, kuten sekvensointi ja aikapohjainen hallinta digitaalisissa projekteissa.
74LS93 on ihanteellinen projekteille, joissa mikrokontrollerin käyttö ei ehkä ole käytännöllinen.Se käsittelee laskenta- ja ajoitustoimintoja tehokkaasti vähentäen monimutkaisempien ja kalliimpien komponenttien tarvetta.
Tämä IC on tehokas sovelluksissa, joihin sisältyy pulssikäsittely tai taajuusosio.Sen binaarinen laskentamekanismi on helppoa seurata pulsseja tai jakaa taajuuksia ilman lisäpiiriä.
74LS93 toimii saumattomasti seitsemän segmentin näytöllä numeeristen lähtöjen näyttämiseksi.Sen yhteensopivuus binaaristen ja desimaalien muuntimien kanssa yksinkertaistaa digitaalisten laskurien ja lukemien luomisprosessia.
Hyödyntämällä laskentaominaisuuksiaan 74LS93 auttaa asettamaan piirejä, jotka vaativat pitkäaikaisia välejä.Tämä tekee siitä erityisen hyödyllisen sovelluksissa, kuten digitaaliset kellot ja ajastimet.
IC: tä käytetään usein luotettavien vastapiirien suunnitteluun.Sen vankka suorituskyky ja helppo kokoonpano tekevät siitä yleisen valinnan sekä erillisten laskurien että taajuusjakajapiirien rakentamiseksi.
Kun ajoitustarpeet ovat erityisiä, 74LS93 voidaan mukauttaa näiden vaatimusten täyttämiseksi.Joko teollisuuden ajoitusratkaisuihin tai DIY-hankkeisiin, sen joustavuus varmistaa, että se sopii moniin ajoitukseen liittyviin tehtäviin.
74LS93 on monipuolinen ja luotettava binaarinen laskuri, joka yksinkertaistaa digitaalisia laskenta- ja ajoitustehtäviä.Sen kyvyn jakaa taajuuksia, laskea pulsseja ja ajaa näytöksiä, se sopii saumattomasti moniin projekteihin.Rakennatko laskureita, hallitset ajoitusta tai luomalla taajuusjakajia, 74LS93 tarjoaa tehokkaan ja suoraviivaisen ratkaisun.Sen joustavuus ja helppokäyttöisyys tekevät siitä käytännöllisen valinnan moniin sovelluksiin.
Lähetä kysely, vastaamme heti.
Ei, 74LS93 on suunniteltu ylöspäin, mikä tarkoittaa vain lasketaan ylöspäin binaarimuodossa.Sillä ei ole kykyä Laske käänteisiin tai pienenemisarvoihin.
74LS93 on kätevä käyttää ja minimoi ulkoisen tarpeen Johdotus, mikä tekee helpon integroinnin projektiin.Kuitenkin yksi rajoitus on, että sen flip-flops ei voi olla esiasetettu, joten laskenta alkaa aina nollasta, etkä voi alkaa laskea eri määrä.
74LS93 sisältää neljä JK-flip-floppia, jotka reagoivat syöttöpulsseihin, Tulevatko ne mikrokontrollerista tai ajastimesta IC.Siinä on kaksi Palauta nastat, kaksi kellotuloa ja neljä lähtötapia, jolloin se voi laskea Binaarilukut tehokkaasti vasteena kellopulsseille.
74LS93 toimii taajuusjakajana ja laskuna.Se on Yleisesti käytetään ajan viivästymisten luomiseen tai laskentatehtävien hallintaan piirit.Tämä IC on erityisen hyödyllinen sovelluksissa, joissa jakaa Vaaditaan 2, 8 tai 16.
74LS93N on 4-bittinen binaarinen laskuri, joka käyttää neljää master-orja-JK: ta Flip-flops.Se tukee jakautumiskahdeksan laskentamekanismia, joka on laukaisee siirtymällä korkeasta matalaan kellotulossaan.Jokainen Tulotappiin levitetty kellopulssi edistää laskentaa yhdellä vaiheella.
29.11.2024
29.11.2024
18.04.8000 147757
18.04.2000 111935
18.04.1600 111349
18.04.0400 83719
01.01.1970 79508
01.01.1970 66900
01.01.1970 63017
01.01.1970 63010
01.01.1970 54081
01.01.1970 52121