
Se SN65HVD1781DR Lähetin -vastaanotin on rakennettu tasaista viestintää varten asetuksissa, joissa luotettavuus on avainasemassa.Se toimii puoliaineena RS-485-lähetin-vastaanottimena, jolla on joustavat tiedonsiirtonopeudet-115 kbps, 1 Mbps ja 10 Mbps-tekemällä sen sopivan eri sovelluksiin.Sen laaja yhteinen alue ylläpitää signaalin stabiilisuutta, jopa erojen kanssa maatasoissa, jolloin se voi käsitellä pitkän matkan yhteyksiä tai meluisia ympäristöjä.Sisäänrakennetulla väyläpisarella jopa 70 V: llä se on hyvin suojattu sähkövikoihin.Sekä kuljettaja että vastaanotin voidaan poistaa käytöstä valmiustilan virran minimoimiseksi, säilyttäen energiaa pienitehoisissa asetuksissa.



SN65HVD1781DR-lähetin-vastaanotin sisältää väyläpisteen viansuojauksen, joka kestää jopa ± 70 V: tä. Tämä ominaisuus tarjoaa lisää kestävyyttä pitäen laitteen suojattuna äkillisiltä sähköisiltä nousuilta, mikä tekee siitä ihanteellisen vaativiin ympäristöihin.
SN65HVD1781DR mukautuu 3,3-V-5 V: n toimitusalueella helposti erilaisiin tehoolosuhteisiin, mikä antaa sen toimia tehokkaasti eri järjestelmissä tarvitsematta lisäsäätöjä.
Laitteessa ± 16 kV HBM (ihmiskehon malli) suojaa väylätappeilla, laite vastustaa sähköstaattista purkausta, mikä auttaa estämään vaurioita käsittelyn aikana tai ympäristöissä alttiina.
Tehokkuuteen suunniteltu tämä lähetin -vastaanotin toimii minimaalisella voimalla.Sen valmiustila voi mennä niinkin alhaiseksi kuin 1 µA, josta on hyötyä sovelluksissa, joissa säilyttäminen on ensisijainen tavoite.
SN65HVD1781DR on yhteensopiva SN75176: n kanssa, mikä on helppo integroida olemassa oleviin järjestelmiin, jotka käyttävät tätä suosittua lähetin -vastaanotinta tarvitsematta uudelleensuunnittelua.
Signalointinopeuksilla 115 kbps, 1 Mbit / s ja jopa 10 Mbit / s, tämä lähetin-vastaanotin voi sopeutua sekä pienen nopeuteen että nopeaan viestintävaatimukseen, joka kattaa laajan sovelluksen.
Tällä lähetin -vastaanottimella on vikaantumaton vastaanotin, joka ylläpitää vakaa lähtö, kun on avoin piiri, oikosulku tai tyhjäkäynti.Tämä ominaisuus varmistaa luotettavan toiminnan jopa epätavallisissa verkko -olosuhteissa, estäen järjestelmävirheet.
Niille, jotka haluavat räätälöidä lähetin -vastaanottimen erityisiin vaatimuksiin, TI: n Webench® Power Designer tarjoaa räätälöityjä suunnitteluvaihtoehtoja, mikä helpottaa SN65HVD1781DR: n integrointia erikoistuneisiin sovelluksiin.

| Parametri | Kuvaus | Mini | Nimellis | Max | Yksikkö |
| VCC | Toimitusjännite | 3.15 | 5 | 5.5 | V |
| VI | Syöttöjännite missä tahansa väyläridalla (erikseen tai yhteinen tila) | -7 | 12 | V | |
| Vih | Korkean tason syöttöjännite (ohjain, ohjaimen käyttöönotto ja vastaanottimen käyttöönotetut tulot) | 2 | VCC | V | |
| Vilja | Matalan tason tulojännite (ohjain, ohjaimen käyttöönotto ja vastaanottimen käyttöönotetut tulot) | 0 - | 0,8 | V | |
| Vid | Differentiaalijännite | -12 | 12 | V | |
| Io | Lähtövirta, ohjain | -60 | 60 60 | mehu | |
| Hölynpöly | Lähtövirta, vastaanotin | -8 | 8 | mehu | |
| RI | Differentiaalikuormituskestävyys | 54 | 60 60 | Ω | |
| Cl | Differentiaalikuormituskapasitanssi | 50 | pf | ||
| 1/tui | Signalointinopeus | ||||
| SN65HVD1780 | 115 | KBPS | |||
| SN65HVD1781 | 1 | MBPS | |||
| SN65HVD1782 | 10 | MBPS | |||
| Ta | Vapaan ilma-lämpötila | -40 | ° C | ||
| 5-V tarjonta | -40 |
105 | ° C | ||
| 3,3-V SUOTTO | -40 | 125 | ° C | ||
| TJ | Risteyslämpötila | -40 | 150 | ° C |
| Osanumero | Kuvaus | Valmistaja |
| SN65HVD1781DR | 70-V vikaan suojattu RS-485 -20-+25 Yhteinen moodi 8-SOIC -40-105 | Texas Instruments |
| Isl32435eibz | ± 40 V: n vika suojattu, 3,3 V-5 V, ± 15 V CMR, 1Mbps puoli-duplex RS-485/RS-422, ± 15 kV ESD;MSOP8, SOIC8;Lämpötila: -40 ° -85 ° C | Intersil -yhtiö |
| Isl32435eiuz | ± 40 V: n vika suojattu, 3,3 V-5 V, ± 15 V CMR, 1Mbps puoli-dupleksi RS-485/RS-422, ± 15 kV ESD | Renesas Electronics Corporation |
| SN65HVD1786D | 70-V vikaan suojattu RS-485 -20-+25 Yhteinen moodi 8-SOIC -40-105 | Texas Instruments |
| ILX3485DT | Linjan lähetin -vastaanotin | Iksemicon Co Ltd |
| ISL32435EIBZ-T7 | Linjan lähetin -vastaanotin | Intersil -yhtiö |
| ISL32435EIUZ-T | ± 40 V: n vika suojattu, 3,3 V-5 V, ± 15 V CMR, 1Mbps puoli-duplex RS-485/RS-422, ± 15 kV ESD;MSOP8, SOIC8;Lämpötila: -40 ° -85 ° C | Intersil -yhtiö |
| ILX3485D | Linjan lähetin -vastaanotin | Iksemicon Co Ltd |
| ISL32435EIBZ-T7A | ± 40 V: n vika suojattu, 3,3 V-5 V, ± 15 V CMR, 1Mbps puoli-duplex RS-485/RS-422, ± 15 kV ESD;MSOP8, SOIC8;Lämpötila: -40 ° -85 ° C | Intersil -yhtiö |
| SN65HVD1781D | 70-V vikaan suojattu RS-485-lähetin-vastaanottimet 8-SOIC -40-125 | Texas Instruments |
Tekniset tekniset tiedot, ominaisuudet, ominaisuudet ja komponentit, joissa on vertailukelpoiset tekniset tiedot Texas Instruments SN65HVD1781DR
| Tyyppi | Parametri |
| Elinkaaren tila | Aktiivinen (viimeksi päivitetty: 1 päivä sitten) |
| Tehtaan läpimenoaika | 6 viikkoa |
| Asentaa | Pintakori |
| Asennustyyppi | Pintakori |
| Paketti / kotelo | 8-SOIC (0,154, 3,90 mm leveys) |
| Nastat | 8 |
| Paino | 75,891673mg |
| Käyttölämpötila | -40 ° C ~ 125 ° C |
| Pakkaus | Nauha ja kela (TR) |
| JESD-609-koodi | E4 |
| Pbfree -koodi | Kyllä |
| Osien tila | Aktiivinen |
| Kosteuden herkkyystaso (MSL) | 1 (rajoittamaton) |
| Päätteiden lukumäärä | 8 |
| ECCN -koodi | Ear99 |
| Tyyppi | Lähetin -vastaanotin |
| Terminaalipinta | Nikkeli/palladium/kulta (ni/pd/au) |
| Enimmäisvoiman hajoaminen | 905MW |
| Jännite - Syöttö | 3,15 V ~ 5,5 V |
| Terminaalin sijainti | Kaksois- |
| Terminaalimuoto | Lokisiipi |
| Huippukäyttölämpötila (CEL) | 260 |
| Toimintojen lukumäärä | 1 |
| Toimitusjännite | 5V |
| Aika@Peak Reflow -lämpötila-max (t) | Ei määritelty |
| Perusosanumero | 65HVD1781 |
| Nastaluku | 8 |
| Pätevyystila | Ei pätevä |
| Lähtöjännite | 2,75 V |
| Toimitusjännite | 5V |
| Rajapinta | RS-422, RS-485 |
| Toimitusvirta | 6Ma |
| Nimellinen toimitusvirta | 6Ma |
| Etenemisviive | 200 ns |
| Tiedonsiirto | 1Mbps |
| Lähtöominaisuudet | ERO |
| Differentiaalilähtö | KYLLÄ |
| Tulosten napaisuus | ERO |
| Protokolla | RS422, RS485 |
| Syöttöominaisuudet | Differentiaalinen Schmitt -laukaiseminen |
| Kuljettajien/vastaanottimien lukumäärä | 1/1 |
| Kuljettajan lukumäärä bittiä | 1 |
| Vastaanottimen bittien lukumäärä | 1 |
| Dupleksi | Puoli |
| Vastaanottimen hystereesi | 50mV |
| Lähetinvastaanottimien lukumäärä | 1 |
| Simplex/duplex | Puolikekappale |
| Syöttöjännite1-nom | 5V |
| Max -risteyslämpötila (TJ) | 150 ° C |
| Ympäristön lämpötila -alue korkea | 125 ° C |
| Korkeus | 1,75 mm |
| Pituus | 4,9 mm |
| Leveys | 3,91 mm |
| Paksuus | 1,58 mm |
| Saavuttaa SVHC: n | Ei svhc |
| ROHS -tila | ROHS3 -yhteensopiva |
| Lyijyvapaa | Lyijyvapaa |
| 4o | ROHS3 -yhteensopiva |
| Lyijyvapaa | Lyijyvapaa |
LVI -järjestelmissä SN65HVD1781DR -lähetin -vastaanotin mahdollistaa luotettavan viestinnän ohjaimien ja anturien välillä.Se käsittelee lämpötilan, ilmavirran ja muut ympäristötiedot, tukee sujuvaa toimintaa näiden verkkojen välillä.
Turvajärjestelmissä tämä lähetin -vastaanotin helpottaa tiedonsiirtoa laitteiden, kuten kameroiden, hälytysten ja ohjauspaneelien välillä.Sen kestävyys ja sähkömelun kestävyys varmistavat keskeytymättömän seurannan, jopa haastavissa ympäristöissä.
SN65HVD1781DR -lähetin -vastaanotinta käytetään automaation rakentamiseen valaistukseen, kulunvalvontaan ja energianhallintaan.Se sallii sujuvan vuorovaikutuksen eri laitteiden välillä, auttaen järjestelmiä toimimaan saumattomasti ja vähentämään energian yleistä käyttöä.
Tällä lähetin-vastaanottimella on rooli tietoliikennelaitteissa tukemalla nopean tiedonsiirtoa verkkolinjojen välillä.Sen vahva vikasuojaus varmistaa, että tietoliikenne pysyy vakaana, jopa odottamattomien sähköhäiriöiden aikana.
Teollisuusautomaatiossa käytetyissä liikkeenohjausjärjestelmissä SN65HVD1781DR -lähetin -vastaanotin auttaa hallitsemaan tarkkoja liikkeitä ja paikannusta.Sen vakaus ja nopeus tekevät siitä ihanteellisen tällaisissa sovelluksissa vaaditun tiedonvaihdon käsittelemiseen.
Teollisuusverkoissa SN65HVD1781DR mahdollistaa tiedon jakamisen koneiden ja ohjausjärjestelmien välillä.Sen vankka suunnittelu kestää teollisuusympäristöille tyypillisiä vaativia ympäristöjä, jotka varmistavat johdonmukaisen suorituskyvyn ja tehokkaan viestinnän verkossa.


Texas Instruments (TI) on merkittävä puolijohteiden ja integroitujen piirien tarjoaja, joka tukee laajaa valikoimaa elektronisia malleja maailmanlaajuisesti.Keskittyneet analogiseen ja sulautettuun prosessointiin, TI toimittaa luotettavia, korkean suorituskyvyn tuotteita teollisuudelle teollisuudesta henkilökohtaiseen elektroniikkaan.Innovaatioistaan tunnetaan TI: llä on suuri patenttisalkku ja on edelleen johtava tekniikan kehittämisessä, jonka avulla insinöörit voivat rakentaa tehokkaita ja edistyneitä järjestelmiä.
| Osanumero | Valmistaja | Paketti / kotelo | Nastat | Rajapinta | Kuljettajan lukumäärä bittiä | Vastaanottimen bittien lukumäärä | Tiedonsiirto | Vastaanottimen hystereesi | Simplex/duplex | Toimitusjännite |
| SN65HVD1781DR | Texas Instruments | 8-SOIC (0,154, 3,90 mm leveys) | 8 | RS-422, RS-485 | 1 | 1 | 1Mbps | 50mV | Puolikekappale | 5V |
| SN75HVD08DR | Texas Instruments | 8-SOIC (0,154, 3,90 mm leveys) | 8 | RS-485 | 1 | 1 | 10Mbps | 35mV | Puolikekappale | 5V |
| SN65HVD07D | Texas Instruments | 8-SOIC (0,154, 3,90 mm leveys) | 8 | RS-485 | 1 | 1 | 1Mbps | 35mV | Puolikekappale | 5V |
| SN65HVD3085EDR | Texas Instruments | 8-SOIC (0,154, 3,90 mm leveys) | 8 | RS-485 | 1 | 1 | 250 kbps | 70mV | Puolikekappale | 5V |
| ADM483EARZ-RULE | Analog Devices Inc. | 8-SOIC (0,154, 3,90 mm leveys) | 8 | RS-485 | 1 | 1 | 1Mbps | 30mV | Puolikekappale | 5V |
Lähetä kysely, vastaamme heti.
SN65HVD1781DR on puolivälissä oleva RS-485-lähetin-vastaanotin, joka on suunniteltu Luotettava tiedonsiirto kolmella valittavalla nopeudella: 115 kbps, 1 Mbps, ja 10 Mbit / s.Sen laaja yhteinen käyttöalue mahdollistaa vakaan Viestintä ympäristöissä, joissa on jännitekieroja yhteydet.Lisäksi se tarjoaa linja-autojen viansuojan jopa 70 V, joustavuuden tarjoaminen sähköisiltä nousuilta.Aktiivisesti korkealla Kuljettajan ja aktiivisen matalan vastaanottimen, se voi siirtyä valmiustilaan, vähentää Valmiustila, alle 1 µA virransäästötehokkuuden saavuttamiseksi.
Tämä lähetin -vastaanotin toimii tehokkaasti laajan lämpötilan välillä vaihtelevat -40 ° C -125 ° C, mikä tekee siitä hyvin sopivan monenlaisille sovellukset, mukaan lukien äärimmäisissä lämpötilaolosuhteissa.
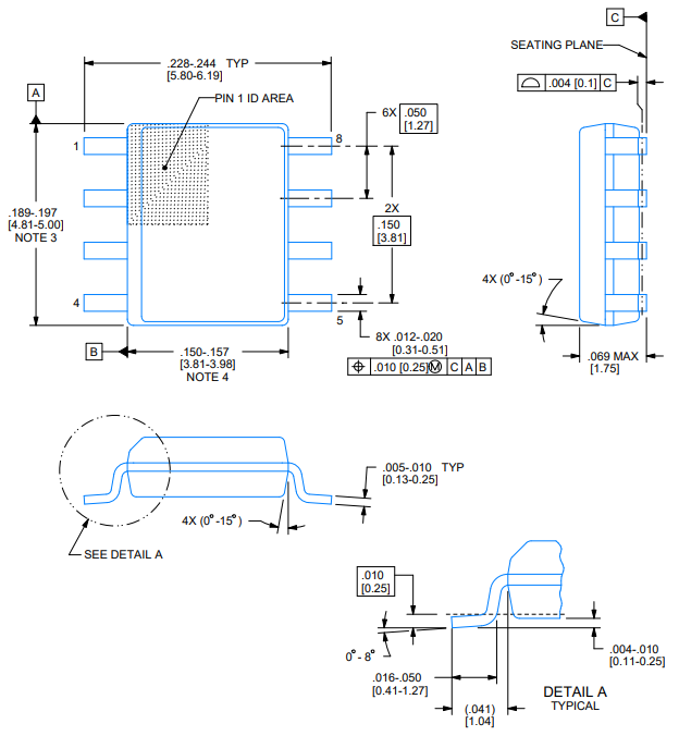
SN65HVD1781DR on saatavana 8-SOIC: ssa (0,154 tuumaa, 3,90 mm leveys) paketti, joka tarjoaa avaruusrajoitetulle kompaktin koon Suunnittelut säilyttäen samalla integraation helppous.
Laitteessa on yhteensä 8 nastaa, jotka tarjoavat tarvittavat Yhteydet RS-485: n tiedonsiirtoon puolivälissä-tilassa.
01.11.2024
01.11.2024
18.04.8000 147758
18.04.2000 111954
18.04.1600 111349
18.04.0400 83725
01.01.1970 79508
01.01.1970 66921
01.01.1970 63078
01.01.1970 63017
01.01.1970 54083
01.01.1970 52147