
Se LM340T5, 3-terminaalinen positiivinen jännitesäädin, on suunniteltu yhtenä, yhtenäisenä yksikkönä, joka korostaa kestävyyttä ja luotettavuutta.Nämä kattavat sisäisen virran rajoittamisen, lämmön sammutuksen ja turvallisen alueen kompensoinnin varmistaen, että säädin kestää stressaavia operatiivisia skenaarioita.Vaikka se voi toimittaa yli 1,0A virran, tämä kyky riippuu taitavista lämmön hajoamisstrategioista.Vaikka se on ensisijaisesti tarkoitettu kiinteän jännitteen ylläpitämiseen, se sallii modifikaatiot apukomponenttien avulla jännitteen ja virranlähtöjen säätämiseksi.
LM340T5 esittelee joustavuutta erilaisilla sisäänrakennetuilla suojatoimenpiteillä.Se suojaa piirin ylivirta -olosuhteita vastaan ja estää aktiivisesti ylikuumenemisen aiheuttamia vaurioita.Se ylläpitää suorituskyvyn eheyttä nimetyissä käyttöparametreissa.Nämä integroidut ominaisuudet virtaviivaistavat suunnitteluprosesseja, minimoimalla mahdolliset viat ja seisokit osoittautuvat arvokkaiksi vaativissa teollisuusskenaarioissa.
Toimintasovelluksissa LM340T5 palvelee monipuolista elektronisia piirejä, joille on ominaista useita tekijöitä.Piirin kyky ylläpitää vakaata jännitettä on sen hyödyllisyyden ydinosa eri laitteiden välillä.Optimaalisen suorituskyvyn saavuttaminen on voimakkaasti riippuvainen tehokkaasta lämmönhallinnasta tekniikoiden, kuten jäähdytyselementtien ja jäähdytysjärjestelmien avulla, joita käytetään säätimen tehokkuuden maksimoimiseksi aktiivisten toimintojen aikana.Huolimatta kiinteistä lähdöksistään, LM340T5 tarjoaa monipuolisuuden räätälöinnin avulla integroimalla komponentit, kuten muuttuvat vastukset, voit räätälöidä jännitettä ja virranlähtöjä erityistarpeisiin.
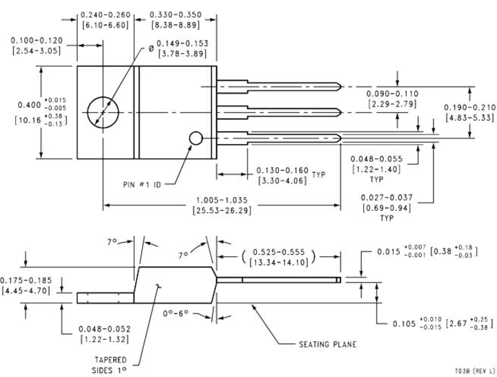
LM340T5-jännitesäädin, joka on koteloitu laajasti käytettyyn TO-220-pakkaukseen, on huomattava sen poikkeuksellisista lämpömääritteistä ja asennuksen helppoudesta.Nämä ominaisuudet tekevät siitä suositun valinnan tehonsäädäntötilanteissa.Paketin malli edistää tehokasta lämmön hajoamista, mikä on arvostettu ominaisuus monissa sovelluksissa.
|
Nro |
Nimeä |
Funktio |
|
1 |
Syöttö |
Vastaanottaa sääntelemättömän tulojännitteen, joka voi vaihdella
7 V - 35 V.Tämä nasta on tyypillisesti kytketty virtalähteeseen. |
|
2 |
Pohja |
Toimii tuloksen yhteisenä vertailupisteenä
Lähtöjännitteet.Se tulisi kytkeä järjestelmän maahan. |
|
3 |
Tulos |
Toimittaa säännellyn 5 V lähtöjännitteen.Se on kytketty
kuormaan, joka vaatii vakaan jännitteen syöttöä. |
LM340T5 -ominaisuudet
|
Ominaisuus |
Kuvaus |
|
Sisäinen lämmön ylikuormitussuojaus |
Ylikuumeneminen sulkemalla sääntelijä. |
|
Oikosulkuvirta rajoittava |
Suojaa sääntelijää ja kytkettyjä laitteita vaurioilta
Ylivirta -olosuhteiden vuoksi. |
|
Lähtötransistorin turvallinen alueen suojaus |
Varmistaa luotettavan toiminnan kaikissa olosuhteissa. |
|
Suuritehoiset hajoamisominaisuudet |
Käsittelee suurta tehotasoa tehokkaasti. |
|
Kiinteä lähtöjännite |
Tarjoaa vakaan 5 V: n lähtöä minimaalisella ulkoisella
komponentit. |
LM340T5 -tekniset tiedot
|
Eritelmä |
Yksityiskohdat |
|
Lähtöjännitteen tarkkuus |
± 2% TJ = 25 ° C, ± 4% vaihtelevien lämpötilojen välillä |
|
Linja -asetus |
0,01% voutista volttia kohden ∆vin 1A -kuorman alla |
|
Kuormitusasetus
|
0,3% voutista ampeeria kohti |
|
Lämmön ylikuormitussuojaus |
Sisäänrakennettu |
|
Oikosulkuvirta rajoittava |
Integroitu |
|
Turvallinen alueen suojaus lähtötransistorille |
Mukana |
|
P+ -tuotteiden parannustestaus |
Valmis |
LM340T5 -jännitesäädin tarjoaa stabiilin 5 V -lähtöä ja sitä käytetään laajasti erilaisissa elektronisissa piireissä.Luotettavuudestaan huolimatta on tilanteita, joissa LM340T5 ei ehkä ole käytettävissä, mikä vaatii sopivan korvauksen tarvetta.Tällaisissa skenaarioissa useat analogiset komponentit tarjoavat vertailukelpoisuuden.
Olla 7805
Olla L7805CV
Olla LM7805
LM340T5 -jännitesäätimellä on tärkeä rooli mikrokontrollerien ja anturien, kuten mikrokontrollerien ja anturien energisoinnissa, tarjoamalla stabiili +5 V -lähtö.Jännitetasojen tarkka ohjaus tukee digitaalisten välineiden saumattomia toimintoja, joissa virtalähteen tarkkuus liitetään usein optimaaliseen suorituskykyyn.Tämä huolellinen jännitesäätely auttaa kompaktin elektroniikan kehityksessä, joka on yleinen sekä kuluttajatekniikassa että autotekniikassa, luomalla maiseman, jossa luotettavaa energiavirtaa käytetään yhä enemmän.
LM340T5: n standout -ominaisuus on sen säädettävissä lähtöominaisuuksissa, mikä antaa sille joustavuuden mennä pelkän jännitesäädön ulkopuolelle.Tämä sopeutumiskyky tarkoittaa, että säädin voidaan hienosäätää monien sähköroolien täyttämiseksi, joka sisältää monipuoliset jännitteet tarpeellisesti vaivattomasti.Se pystyy käsittelemään taitavasti virtalähdetoimintoja eri aloilla, kuten televiestintä ja teollisuuskoneet, edistäen siten sekä tehokkuutta että sopeutumista.
LM340T5 -lineaarisen jännitesäätimen avulla on tärkeä rooli vakaan jännitteen ylläpitämisessä ja korkeampien jännitteiden tehokkaiden alhaisempien säilyttämisessä.Se toimii sujuvasti 1A -virtaan saakka valikoimalla kiinteitä jänniteasetuksia, mikä tekee siitä luotettavan valinnan erilaisissa skenaarioissa, jotka vaativat johdonmukaista virran toimitusta.Siitä huolimatta, että käsittelee operaatioissa syntynyttä lämpöä, kuten 12 V: n tuloksen muuntaminen 5 V: n lähtöon 1A, on huomattava haaste.Tehokkaiden lämmönhallintamenetelmien toteuttamisesta tulee hallitseva, koska liiallinen lämpö voi estää suorituskykyä ja vähentää elektronisten komponenttien elinkaarta.
LM340T5 paistaa tarkat jännitesäätöön, lähinnä ympäristöissä, jotka vaativat luotettavaa virtalähdettä.Sen kiinteät jännitevariantit tarjoavat sinulle johdonmukaisuuden mukavuuden, mikä eliminoi jatkuvan seurannan tai säätämisen tarpeen.Voit usein valita tämän säätimen sovelluksille, joissa jännitteen stabiilisuus on vakava tekijä, mikä lisää järjestelmän yleistä luotettavuutta valitsemalla asianmukainen kiinteä lähtövaihtoehto.
LM340T5: tä käytettäessä lämmön hajoamisen käsittely on huomattava huomio.Oikean jäähdytyselementin laskeminen tai säätelijän strateginen asettaminen piirilevylle voi tehokkaasti lieventää lämmön kertymistä.Siten lämpötehokkuuden ja avaruuden optimaalisen käytön välisen tasapainon löytäminen kuvaa suunnitteluvaihetta.Lisäksi menetelmät, kuten lämpöpastan tai tyynyjen soveltaminen, parantavat lämmönsiirtoa, pidentäen laitteen käyttöikää.
Ulkoisten komponenttien integrointi LM340T5: n kanssa antaa sinulle räätälöimään suorituskykyä tiettyihin sovellustarpeisiin.Esimerkiksi kondensaattorien lisääminen voi vähentää jännitteen aaltoilua edistäen tasaisempaa lähtöä.Samoin diodien sisällyttäminen voi suojata käänteistä napaisuutta vastaan suojaamalla koko piiri mahdollisilta vahingoilta.

LM340T5 sijaitsee monipuolisessa TO-220 -kapselaatiossa, jota arvostetaan usein tilanteissa, joissa lämmön hallinta on merkittävä näkökohta.Tämä kapselointi tarjoaa useita etuja sen suunnitteluominaisuuksien vuoksi.

• TO-3-metalli voi pakata
• TO-263 pinta-asennuspaketti
• TO-220 Power -paketti
• 3-LEAD SOT-223 -paketti
|
Parametri |
LM340T5 |
7805 |
|
Lähtöjännite |
Kiinteä 5 V |
Kiinteä 5 V |
|
Tulojännitealue |
7V - 35 V |
Samanlainen, toleranssin pienten vaihteluiden kanssa |
|
Lähtövirtaominaisuus |
Jopa 1,5A |
Jopa 1,5A |
|
Pakettityyppi |
TO-220 |
TO-220 |
|
Keskeiset variaatiot |
Standardit eritelmät luotettavan suorituskyvyn kanssa |
Pienen jännitteen ja lämpöä koskevat pienet variaatiot
suorituskyky |
|
Suorituskyky ja toiminnallisuus |
Tarjoaa vakaa 5 V -lähtö samanlaisella suorituskyvyllä kuin 7805 |
Samanlainen suorituskyky valmistajaspesifisen kanssa
erot |
|
Soveltuvuus |
Virtalähteen suunnittelu, kulutuselektroniikka, teollisuus
Automaatio, viestintäjärjestelmät |
Virtalähteen suunnittelu, kulutuselektroniikka, teollisuus
Automaatio, viestintäjärjestelmät |
|
Suunnittelu |
Valinta voi riippua erityisistä suunnitteluvaatimuksista ja
valmistajan mieltymys |
Valinta voi riippua erityisistä suunnitteluvaatimuksista ja
valmistajan mieltymys |
LM340T5 -jännitesäädin korostaa vakaan tehonkulutuksen merkitystä elektronisissa järjestelmissä.Sen kyky tarjota johdonmukainen 5 V -lähtö yhdistettynä lämpö- ja ylivirtasuojauksiin tekee siitä luotettavan valinnan sovelluksille, jotka vaativat luotettavaa suorituskykyä.Kulutuselektroniikasta teollisuuskoneisiin LM340T5 osoittaa sopeutumiskyvyn monipuolisten skenaarioiden välillä varmistaen sekä tehokkuuden että kestävyyden.Sisällyttämällä parhaat käytännöt lämmönhallinnassa ja komponenttien integroinnissa, voit hyödyntää niiden kykyä suunnitella vankkaja, tehokkaita järjestelmiä, jotka vastaavat nykyaikaisia kestävyyden ja luotettavuuden vaatimuksia.
Lähetä kysely, vastaamme heti.
LM340T5 mahtuu tyypillisesti jopa 35 volttia sen maksimilähetykseen.Tämän ominaisuuden avulla se toimii tehokkaasti olosuhteiden spektrissä.Pitämällä tulojännite tällä alueella voi parantaa sekä stabiilisuutta että laitteen pitkäikäisyyttä.
LM340T5 erottuu sen luotettavasta kuormasta ja linjasäätelystä.Vaikka se ei välttämättä vastaa uudempien mallien kompaktiisuutta ja energiatehokkuutta, sen kohtuuhintaisuus yhdistettynä vankkaan rakenteeseen tekee siitä suotuisan vaihtoehdon.Sinä, joka priorisoit yksinkertaisuuden ja kestävyyden vakaissa ympäristöissä, on usein sen luotettavuuden houkutteleva.
Itse asiassa LM340T5 on riittävän monipuolinen akkukäyttöisille laitteille.Sen keskeyttämisjännitteen ja lepotilavirran tarkkaavainen hallinta on tärkeä, koska nämä tekijät voivat vaikuttaa suuresti akun elinkaareen.Tämä hallinta määrittelee myös vähimmäistulojännitteen, jota tarvitaan tehokkaan toiminnan ylläpitämiseen.
Potentiaalisten LM340T5 -toimintahäiriöiden tyypilliset indikaattorit käsittävät virheellisen jännitteen lähdön, ylikuumenemisongelmat, tulosjännitteen täydellisen puutteen ja epävakauden tai kohinan.Ennakoiva havainto ja rutiinitarkastus voivat auttaa tunnistamaan nämä merkit varhain, ja siten välttää vakavampia ongelmia ja järjestelmän hajoamisia.
LM340T5: n suorituskyvyn maksimoimiseksi jäähdytyselementtien integrointi taitavaa lämpösäätelyä varten on suositeltavaa.Sekä syöttö- että lähtökondensaattorien kohdistaminen määritettyihin vaatimuksiin parantaa vakautta.Ehdotetaan myös asianmukaisen syöttöjännitteen ylläpitämistä ja melua vähentävän piirilevyasettelun omaksumista.Säännöllinen seuranta ja ylläpito edistävät odottamattomien komplikaatioiden estämistä ja jatkuvan luotettavuuden varmistamista käytännön sovelluksissa.
27.11.2024
26.11.2024
18.04.8000 147760
18.04.2000 111973
18.04.1600 111351
18.04.0400 83741
01.01.1970 79527
01.01.1970 66935
01.01.1970 63086
01.01.1970 63025
01.01.1970 54092
01.01.1970 52166