
Se TCMT4100 Integroi nerokkaasti optisen logisen järjestelmän, yhdistämällä taitavasti fototransistorin gallium-arsenidi-infrapuna-emittyvän diodin kanssa tyylikkääseen 4-nastaiseen pakettiin.Tämä harkittu muotoilu tarjoaa varman eron syötteen ja ulostulon välillä, yhdenmukaistaen monipuolisten teollisuussektorien tiukkojen turvallisuusstandardien kanssa.Tämä komponentti on muutakin kuin vain kytketty;Se muodostaa selkärangan, joka ylläpitää sekä energiatehokkuutta että tehostettua signaalin laatua.
TCMT4100: n tukeva suunnittelulla on suuri vaikutus kentällä, joilla turvallisuuden ja luotettavuuden rauhoittaminen muokkaa operatiivista etiikkaa.Fototransistorin ja IR-emittyvän diodin välinen luontainen etäisyys muodostaa suojan hankalien signaalin häiriöiden välttämiseksi ja tietojen eheyden ylläpitämiseksi.Tämä lähestymistapa on osoittautunut korvaamattomaksi teollisuudenaloilla, kuten auto- ja ilmailutila, joissa turvallisuusnormit ja operatiiviset haavoittuvuudet eivät ole neuvoteltavissa.
TCMT4100: n suunnittelu herää sen laajalle levinneiden sovellusten avulla, etenkin mekaanisten ja sähköisten toimintojen valvonnassa ja ohjaamisessa.Todellisten käyttöönottojen havainnot korostavat komponentin vankkaa suorituskykyä korkean lämpötilan olosuhteissa ja sen sitkeys sähkömagneettista tunkeutumista vastaan.
Vaikka TCMT4100: n tarkoitus on edelleen melko selkeä, sen hienostuneet sovellukset paljastavat sen kehittymisen kehittymisen keskellä.Sen merkitys on rikastettu erilaisissa olosuhteissa, kuten järjestelmissä, jotka vaativat tarkkuutta, joissa hienovaraiset signaalin siirtymät on tarkalleen vangittu ja arvioitava.Tämä sopeutumiskyky tarkoittaa laajempaa etenemistä kohti monipuolisia komponentteja, jotka on muotoiltu vastaamaan monimutkaisia haasteita.
TCMT4100 Optocopper erottaa itsensä sekoituksella puhdistettuja piirteitä ja toimii välttämättömänä kokonaisuutena monissa asetuksissa.Kompakti, matalan profiilin puolijalkapakettiin, se kannattaa avaruuden tehokasta käyttöä, ateriapalveluihin nykyaikaisiin elektronisiin malleihin, jotka pyrkivät parantamaan kykyä rajoitetuissa mitoissa.Erityisen mielenkiintoista on sen vaikuttava vaihtovirta -eristys, joka on validoitu 3750 VRM: n testijänniteellä, joka suojaa sähköisen eheyden ja turvallisuuden monimutkaisissa järjestelmissä.
Tämä optokopari on suunniteltu vähentämään kytkentäkapasitanssia noin 0,3 PF: ään, ja se on erinomainen korkeataajuisissa skenaarioissa signaalin puhtauden säilyttämiseksi ja komponenttien häiriöiden vähentämiseksi.Sen nykyinen siirtosuhde (CTR), joka kattaa 50% - 600%, on joustava ratkaisu monimuotoisiin piiritarpeisiin ja tarjoaa selkeät edut erilaisissa toimintaspektrissä.
TCMT4100: n suorituskyky on erityisen joustava laajalla lämpötila -alueella, säilyttäen luotettavuuden vaihtelevissa lämpöolosuhteissa.Sen vaatimaton lämpötilakerroin CTR: lle varmistaa vakaan virransiirtonopeuden lämpötilan siirtymien keskellä, mikä ilmentää luotettavuutta, etenkin aloilla, kuten auto- ja teollisuuselektroniikka, jossa lämpövaihtelut ovat usein.



TCMT4100 Optocopper löytää tiensä moniin teollisuussovelluksiin kehittääkseen toimintojaan tavanomaisista viestintävälineistä uraauurtavan teollisuuden kehityksestä.Tällä laitteella on rooli saumattoman tiedonsiirron saavuttamisessa ympäristöissä, joissa tarkkuus ja automaatio ovat syvästi juurtuneita.Esimerkiksi valmistuslaitoksissa se ylläpitää signaalin eheyttä ja eristämistä, mikä vaikuttaa suoraan prosessin jatkuvuuteen ja turvallisuusprotokollien noudattamiseen.Samoin ilmailu- ja avaruusteollisuus näkee palkkiot sen käyttöönoton vuoksi, joka palvelee sekä vankkoja että turvallisia viestintäjärjestelmien kasvavaa kysyntää.Kun tarkkuus ja luotettavuus ovat keskipisteessä, tästä tekniikasta tulee usein ratkaisu.
Henkilökohtaisten laitteiden dynaamisessa maisemassa TCMT4100 parantaa huomattavasti laitteen suorituskykyä ja kestävyyttä, mikä parantaa kuluttajien tyytyväisyyttä.Tuotteet, kuten henkilökohtaiset tietokoneet ja kannettavat tietokoneet, hyödyntävät OptoCopperia sähköisen kohinan tehokkaaseen käsittelyyn, mikä johtaa vakaan laitteen toimintaan.Se nostaa monimutkaisesti päivittäistä vuorovaikutusta vähentämällä sähkömagneettisten häiriöiden aiheuttamien laitteen vikojen todennäköisyyttä.Kun saumaton digitaalinen vuorovaikutus upotetaan nykyaikaiseen elämäntapaan, elektronisten laitteiden luotettavuus vaikuttaa suoraan sitoutumiseen ja tyytyväisyyteen.
Lääketieteellisessä elektroniikassa TCMT4100 on tärkeä tekijä laitteiden edistämisessä, joka vaatii tarkkaa ja luotettavaa tietoliikennettä tiukissa turvallisuusolosuhteissa.Laitteet, kuten potilasvalvonta ja diagnostiset laitteet, hyötyvät sen ylemmästä kohinan eristämisominaisuuksista, mikä varmistaa yhdenmukaisen ja tarkan tiedonsiirron.Tämä lukee ympäristön, jossa terveydenhuollon asiantuntijat voivat riippua teknologisista työkaluista ilman, että potilastietojen eheyden tai turvallisuusstandardien vaarantaminen vaarantaa.
TCMT4100: n lisääminen kulutuselektroniikkaan tuo tehokkuuden virranhallinnassa minimoimalla laitteen seisokit.Tämä tukee kuluttajien halua laitteille, jotka tasapainottavat korkeaa suorituskykyä energiansäästöjen kanssa, mikä heijastaa yhteiskunnallista siirtymistä kohti ympäristötietoisia tekniikoita menettämättä laatua.Kun odotukset nojautuvat edelleen älykkäisiin ja kestäviin ratkaisuihin, tämän tekniikan vaikutus muuttuu huomattavammaksi.
|
Tyyppi |
Parametri |
|
Kosketuspinnoitus |
Tina |
|
Asennustyyppi |
Pintakori |
|
Nastat |
16 |
|
Keräilijän ja emitterin jakautuminen |
70 V |
|
Elementtien lukumäärä |
4 |
|
Pakkaus |
Leikkausteippi (CT) |
|
Osien tila |
Aktiivinen |
|
ECCN -koodi |
Ear99 |
|
Jännite - nimellis tasavirta |
1,25 V |
|
Jännite - eristäminen |
3750 VRMS |
|
Lähtötyyppi |
Transistori |
|
Virran hajoaminen |
250MW |
|
Etuvirta |
60MA |
|
Asentaa |
Pintakori |
|
Paketti / kotelo |
16-SOIC (0,173, 4,40 mm leveys) |
|
Paino |
477,009076mg |
|
Virransiirtosuhde-min |
50% @ 5MA |
|
Käyttölämpötila |
-40 ° C ~ 100 ° C |
|
Julkaistu |
2009 |
|
Kosteuden herkkyystaso (MSL) |
1 (rajoittamaton) |
|
Lisäominaisuus |
UL hyväksytty, VDE hyväksyi |
|
Enimmäisvoiman hajoaminen |
250MW |
|
Lähtöjännite |
70 V |
|
Kanavien lukumäärä |
4 |
|
Tulotyyppi |
DC |
|
Max -lähtöjännite |
70 V |
|
Lähtövirta kanavaa kohti |
50MA |
|
Syksyaika (tyypi) |
4,7 µs |
|
Max Collector Virta |
50MA |
|
Käänteinen jakautumisjännite |
6V |
|
Tulovirta |
50MA |
|
Kytke päälle / sammuta aika (TYP) |
6 uS, 5 uS |
|
Käänteinen jännite (DC) |
6V |
|
Korkeus |
1,9 mm |
|
Leveys |
4,4 mm |
|
Säteilykovettuminen |
Ei |
|
Lyijyvapaa |
Lyijyvapaa |
|
Nousuaika |
3 uM |
|
Keräilijän emitterijännite (VCEO) |
70 V |
|
Nousu / pudotusaika (TYP) |
3 uM / 4,7 um |
|
Max -tulovirta |
60MA |
|
Virransiirtosuhde (Max) |
600% @ 5MA |
|
VCE -kylläisyys (max) |
300mV |
|
Tumma virta-max |
100na |
|
Pituus |
10,4 mm |
|
Saavuttaa SVHC: n |
Tuntematon |
|
ROHS -tila |
ROHS3 -yhteensopiva |
|
Osanumero |
Valmistaja |
Paketti / kotelo |
Nastat |
Kanavien lukumäärä |
Jännite - eristäminen |
Virransiirtosuhde (Max) |
Virransiirtosuhde (min) |
Max -lähtöjännite |
Lähtöjännite |
|
TCMT4100T0 |
Vishay Semiconductor Opto Division |
16-SOIC (0,173, 4,40 mm leveys) |
16 |
4 |
3750 VRMS |
600% @ 1MA |
- |
35 V |
35 V |
|
TCMT4600 |
Vishay Semiconductor Opto Division |
16-SOIC (0,173, 4,40 mm leveys) |
16 |
4 |
3750 VRMS |
300% @ 5MA |
80% @ 5MA |
70 V |
70 V |
|
TCMT4106
|
Vishay Semiconductor Opto Division |
16-SOIC (0,173, 4,40 mm leveys) |
16 |
4 |
3750 VRMS |
300% @ 5MA |
100% @ 5MA |
70 V |
- |
|
TCMD4000 |
Vishay Semiconductor Opto Division |
16-SOIC (0,173, 4,40 mm leveys) |
16 |
4 |
3750 VRMS |
600% @ 5MA |
50% @ 5MA |
70 V |
- |

Vishay Intertechnology, Inc. toimii puolijohde- ja passiivisten elektronisten komponenttien tuotannon eturintamassa.Heidän toimintansa kattavat maapallon ja vahvistaa ne kulmakivenä sähköisen elektronisten sovellusten alalla.Vishayn ulottuvuus ulottuu huomattavasti alueellisten rajojen ulkopuolelle, läsnäololla, joka koskettaa useita mantereita.Vishayn vaikutus teollisuuteen on syvällinen, koska he ovat sitoutuneet vastaamaan nouseviin teknisiin tarpeisiin.Vishay-interteeknologian rooli elektroniikassa, voimasovelluksissa, on monipuolinen ja kauaskantoinen.Heidän jatkuva innovaatio ja omistautuminen laatuun vahvistavat heidän johtamisasemaansa tarjoamalla ratkaisuja, jotka täyttävät sekä tekniset eritelmät että käytännön tarpeet.
OMV-795-2014-REV-03/Mar/2014.pdf
OMV-795-2014-REV-03/Mar/2014.pdf
Lähetä kysely, vastaamme heti.
TCMT4100 on erittäin edistyksellinen fototransistorin lähtö Optocoppeler, joka yhdistää taitavasti fototransistorin gallium-arsenidi-infrapuna-emittyvällä diodilla.Näiden komponenttien hienostunut kohdistus on valmistettu huolellisesti saavuttaakseen erinomaisen turvallisuuden ja toiminnallisuuden sovellusten joukossa.Tämä kokoonpano käsittelee turvallisuusherkkien laitteiden puristamisongelmia, etenkin jos sähköisellä eristyksellä on huomattava merkitys.
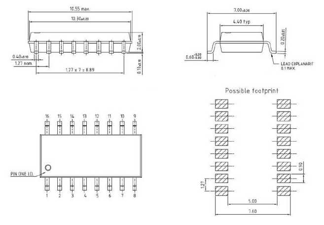
Tässä laitteessa on kattava 16-nastainen järjestely.Tällainen asennus tarjoaa lisättyjä liitettävyysväyläitä, jotka yksinkertaistavat järjestelmäprosessia upotettaessa optokopilaa monimutkaisiksi piireiksi.Näiden nastajen käytännöllisyys, joka perustuu piirisuunnitteluun, esittelee sen joustavuutta rajalla erilaisten levyjen ja järjestelmien kanssa.Tämä sopeutumiskyky tukee laajaa sovellusvalikoimaa elektroniikasta teollisuusasetuksiin korostaen pin -suunnittelun harkittuja huomioita tekniikan pyrkimyksissä.
Kyllä, TCMT4100 toimii jatkuvasti lämpötilavälin sisällä -40 ° C -100 ° C.Tämä laaja lämpötila -alue varmistaa, että komponentti säilyttää suorituskyvyn tehokkuuden äärimmäisissä ympäristöolosuhteissa.Sektorit, kuten autoteollisuus ja ilmailu, joka vaatii laitteiden kestävyyttä, keskittyvät usein komponentteihin, joilla on tällaisia ominaisuuksia, jotka johtuvat usein altistumisesta vaihteleville lämpötiloille.Tämä operatiivinen ominaisuus korostaa komponenttien valintaa, jotka kykenevät ylläpitämään luotettavuutta monipuolisissa olosuhteissa, parantaen järjestelmien pitkäikäisyyttä.
TCMT4100: n fysikaaliset mitat määritetään pituudeksi: 10,4 mm, leveys: 4,4 mm, korkeus: 9 mm.Nämä yksityiskohtaiset mittaukset yksinkertaistavat sen integrointia kompakteihin piirien asetteluihin, näkökohtaan, kun tilarajoitukset ovat ensisijainen huomio.Monet säännöllisesti kohtaavat esteitä komponenttien sovittamisessa tiheästi miehitettyihin levyihin tekemällä tarkan ulottuvuuden eritelmien ymmärtämisen ja soveltamisen suunnittelurajoituksissa haluttujen tulosten saavuttamiseksi.
TCMT4100 tuottaa Vishay Intertochnology, joka on Amerikan elektroniikan tuotantoalalla arvostettu kokonaisuus.Tunnettu luotettavien ja huipputeknisten komponenttien toimittamisesta, Vishay-interteeknologia vaikuttaa elektronisten järjestelmien mallien etenemiseen.Yhtiön laaja salkku ja laaja valmistus korostavat hyvämaineisten valmistajien valinnan arvoa, kun hankitaan komponentteja korkean kysynnän sovelluksille.
04.11.2024
04.11.2024
18.04.8000 147760
18.04.2000 111969
18.04.1600 111351
18.04.0400 83734
01.01.1970 79525
01.01.1970 66932
01.01.1970 63084
01.01.1970 63025
01.01.1970 54090
01.01.1970 52163