
Se TB6600 Stepper Motor Driver -moduuli on laite, joka eroaa sen joustavuudesta ja sopeutumiskyvystä 2-vaiheisen askelmoottorien ohjaamiseksi.Se yhdistyy saumattomasti laajaan joukkoon mikrokontrollereita, enimmäkseen Arduino, joka edistää tarkkojen 5 V: n digitaalisten pulssilähtöjen luomista.Nämä lähdöt ovat dynaamisia moottorin ohjauksen herkän tasapainon ylläpitämiseksi.Toiminnassa jännitealueella 9-42 V DC ja tukee huippuvirtaa 4 ampeeria, se on monipuolinen valinta erilaisille moottorivetoisille projekteille.Tämän sopeutumiskyvyn avulla voit hallita moottorin paikannusta ja nopeutta tehokkaasti, mikä on erittäin hyödyllistä sovelluksissa, joiden tarkoituksena on minimoida koodauksen monimutkaisuus.Moduulin korkeataajuinen optio-eristys parantaa merkittävästi sen luotettavuutta vähentämällä häiriöriskejä ja varmistamalla tasaisen toiminnan.
Harmonia lukuisten mikrokontrollerien kanssa tekee TB6600 -ohjaimesta sopivan valinnan hankkeille, jotka vaativat monimutkaista moottorin ohjausta.Se integroituu sujuvasti Arduinon kaltaisiin alustoihin, mikä heijastaa sen kykyä vastata monipuolisiin odotuksiin.Esimerkiksi tämän ohjaimen käyttäminen CNC -koneissa tai 3D -tulostimissa mahdollistaa tarkan ja ohjattavan liikkeen, joka kuvaa sen hyödyllisyyttä eri aloilla.
Tämä moduuli erottuu tukena sekä 2-vaiheisiin että 4-vaiheisiin askelmoottoreihin sekä hybridi-kokoonpanoihin.Bipolaarinen H-silta-suunnittelu on olennainen osa jännitteen ja virran tehokkaaseen hallintaan, mikä varmistaa, että kuljettaja tarjoaa huipputehokkuuden sovellustensa välillä.Ympäristöissä, joissa tarkkuus ja luotettavuus priorisoidaan, kuten automatisoidut tuotantolinjat ja robotiikka, nämä ominaisuudet arvostetaan voimakkaasti.
|
Ominaisuus |
Kuvaus |
|
Kuljettajatyyppi |
Bipolaarinen H-Bridge DC-ohjain |
|
Lähtövirtavaihtoehdot |
8 tyyppiä (0,5A - 3,5a), valittavissa jopa 4 ampeeriaan |
|
Alajakotilat |
Jaa jopa 32, valittavissa 6 tilasta |
|
Micro STEP -vaihtoehdot |
8 tyyppiä (1, 2/a, 2/b, 4, 8, 16, 32) |
|
Tulosignaalin eristäminen |
Nopea valosähköinen erotus |
|
Rajapinta |
Täysin vakio yksittäinen pulssirajapinta |
|
Offline -pidätystoiminto |
Kyllä |
|
Ympäristön soveltuvuus |
Puolisuluttu vartalo ankariin ympäristöihin |
|
Virranlukko -toiminto |
Puoliautomaattinen, energiansäästö |
|
Eritelmä |
Yksityiskohdat |
|
Käyttöjännite |
9-40 V DC |
|
Lähtövirta |
0.7A-4,0A (valittavissa 8 vaiheessa DIP-kytkimien kautta) |
|
Syöttöpulssitaajuus |
Jopa 20 kHz |
|
Tulosignaalin tasot |
5 V signaalitasot |
|
Pulssi vallankumousta kohti |
200-6400 |
|
Logiikan signaalivirta |
8a-15a |
|
Moottorin yhteensopivuus |
Soveltuu 2-vaiheiseen ja 4-vaiheiseen askelmoottoriin |
|
Suojaominaisuudet |
Ylikuumenemisen ylitys |
|
Tulon eristäminen |
Optisesti eristetty |
|
Eristyskestävyys |
500 Megohms |
|
Tuettu tila |
PUL/FIR -tila |
|
Maksaa |
Alhaiset kustannukset |
TB6600-askelmoottorin ohjainmoduuli on vakava komponentti, joka on suunniteltu hallitsemaan sekä 2-vaiheista että 4-vaiheista askelmoottoreita käyttämällä bi-polaarista H-Bridge-konfiguraatiota tehokasta toimintaa varten.Tässä kokoonpanossa käytetään MOSFET -transistoreita korkean suorituskyvyn varmistamiseksi nykyisen käsittelyn ja lämpöstabiilisuuden suhteen.Moduuli toimii vuorovaikutuksessa kahden ensisijaisen ohjaustapin kanssa: askeltappi, joka laukaisee moottorin askeleen jokaisella pulssilla, ja suuntatappi, joka määrittää moottorin pyörimissuunnan käytetyn jännitteen perusteella.Yhdessä nämä tulot mahdollistavat tarkan ohjauksen moottorin askeljaksosta ja pyörimissuunnasta.

Piirikaavio tuo esiin neljä avaintransistoria, T1, T2, T3 ja T4, jotka on järjestetty H-siltarakenteeseen.Nämä MOSFET: t ovat moduulin toiminnan selkäranka, mikä mahdollistaa askelmoottorin ajamiseen tarvittavan virran kaksisuuntaisen virtauksen.Lisäksi kaavio sisältää flyback -diodeja (D1, D2, D3 ja D4), jotka ovat avain piirin suojaamiseksi moottorin induktiivisen kuorman aiheuttamilta jännitepiikiltä.Nämä diodit estävät ylikuormituksen ja herkille komponenttien vauriot toiminnan aikana.A+, A-, B+ja B-liittimiä käytetään moottorin kytkemiseen varmistaen moottorin akselin tarkan ja ohjattavan liikkeen.
TB6600-ohjain toimii MOSFET-transistorien koordinoidun vaikutuksen kautta H-siltassa.Esimerkiksi:
• Myötäpäivään kierto tapahtuu, kun transistorit T1 ja T4 aktivoidaan, ohjaamalla virran virtausta A+: sta A-.
• Vastapäivään kierto tapahtuu, kun T2 ja T3 ovat kiinni, kääntäen virran virtauksen A- A+: een.
Tämä transistorien vuorotteleva aktivointi varmistaa sujuvan kaksisuuntaisen liikkeen.Optimaalisen vääntömomentin ja tehokkaan toiminnan saavuttamiseksi tarkka ajoitus ja jännitesäätely ovat välttämättömiä.
TB6600 tukee neljää erillistä toimintatapaa, jotka kukin on suunniteltu tasapainottamaan vääntömomenttia, tarkkuutta ja askelkokoa, sovellusvaatimuksista riippuen:
Olla Aaltotila: Tässä tilassa vain yksi kela on energinen kerrallaan.Yhden kelan aktivointi kiertää moottoria 90 astetta yhteen suuntaan samalla kun virta kääntää sitä vastakkaiseen suuntaan.Vaihtamalla kelojen välillä moottori saavuttaa jatkuvan toiminnan.Tämä tila on yksinkertainen, mutta tarjoaa vähemmän vääntömomenttia muihin tiloihin verrattuna.
Olla Koko vaiheen tila: Molemmat kelat virristetään samanaikaisesti tässä tilassa, mikä tuottaa vahvemman magneettikentän.Tämä johtaa lisääntyneeseen vääntömomenttiin, mikä tekee siitä ihanteellisen sovelluksille, jotka vaativat enemmän voimaa ja vakautta.
Olla Puolivaiheinen tila: Aaltotilan ja täysvaiheisen tilan yhdistelmä, tämä tila vuorottelee yhden kelan energisoinnin ja molemmat kelat.Se pienentää askelkoon tehokkaasti 45 asteeseen, mikä tarjoaa tasapainon tarkkuuden ja vääntömomentin välillä.Vääntömomentti voi kuitenkin vaihdella riippuen siitä, onko yksi tai molemmat kelat virran tietyn vaiheen aikana.
Olla Mikrotietotila : Tarkka kaikista moodista, MicroStep -tila pienentää askelkokoa entisestään moduloimalla virtaa huolellisesti moottorivaiheiden läpi.Tämä saavutetaan edistyneiden piirien avulla sujuvien ja asteittaisten siirtymien luomiseen vaiheiden välillä.Tämä tila on ihanteellinen sovelluksille, jotka vaativat suurta tarkkuutta ja johdonmukaista vääntömomenttia, kuten CNC -koneita tai robotiikkaa.
Stepper -moottorien tehokas hallinta vaatii luotettavan laitteiston ja huolellisesti ohjelmoidun ohjelmiston yhdistelmän.TB6600-askelmoottorin ohjain erottuu erinomaisena työkaluna 2-vaiheisen askelmoottorien käyttämiseen.Se tukee useita toimintatapoja, kuten aalto, täysi vaihe, puoli vaihe ja mikroaskel.Sen sisäänrakennetut suojausominaisuudet-mukaan lukien suojatoimenpiteet matalajännitteeltä, ylivirtailta ja ylikuumenemisilta-tekevät siitä vankan valinnan hankkeille, jotka vaativat tarkkuutta ja kestävyyttä.
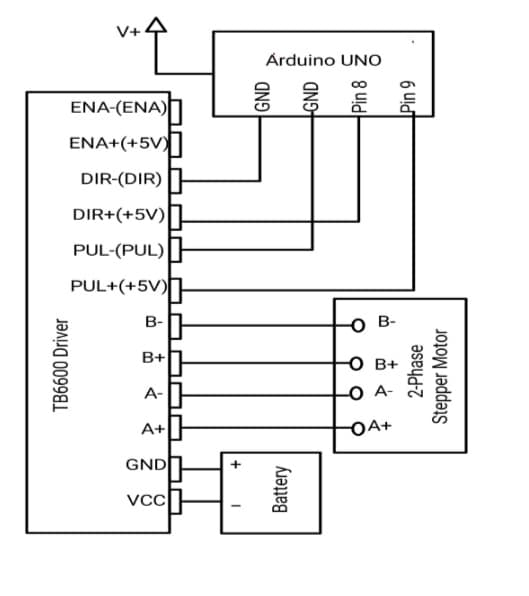
Jos haluat asettaa TB6600: n Arduino UNO: lla, kerää seuraavat komponentit:
• Arduino UNO R3
• TB6600 askelmoottorin ohjain (4A -versio)
• Askelmoottori (suositellulla luokituksella 1,65a)
• Luotettava virtalähde (esim. Akku tai säännelty tasavirtalähde)
• Hyppääjäjohdot
• Tietokoneeseen asennettu Arduino IDE
Integroidaksesi TB6600 Arduinon kanssa noudattaen näitä yksityiskohtaisia ohjeita
Kytke suunnan ja pulssisignaalit
• Yhdistä DIR+ ja Pul+ -liittimet TB6600: lla Arduino -nastaihin 8 ja 9, vastaavasti.Nämä tappit lähettävät suunnan ja pulssisignaalit.
• Kiinnitä Arduinon maa- ja pul- liittimet (GND) -tappi.
• Kytke moottori TB6600: een: Kiinnitä askelmoottorin johdot TB6600 -liittimiin.
• A+ ja A- yhdelle moottorin kelalle.
• B+ ja B- toiselle kelalle.
• Virta TB6600 -ohjain: Kytke TB6600: n VCC- ja GND -nastat virtalähteeseen.Varmista, että jännite vastaa moottorin ja kuljettajan vaatimuksia vaurioiden välttämiseksi.

Mikrotep -resoluution säätäminen
TB6600 antaa sinun hienosäätää askelmoottorin liikkeen tarkkuutta SW1- ja SW2-kytkimillä.Säädä nämä kytkimet seuraavasti:
• ¼ Vaiheen resoluutio: Aseta SW1 päälle ja SW2 pois päältä.
• ⅛ Vaiheen resoluutio: Aseta SW1 pois ja SW2 päälle.
• 1/32 Vaiheen resoluutio: Aseta sekä SW1 että SW2 pois päältä.
• Täysivaiheinen tila: Aseta sekä SW1 että SW2 päälle.
Totuuspöytä
|
SW2 |
Mikroteppiresoluutio |
|
POIS |
1/32 askel |
|
-Lla |
1/8 askel |
|
POIS |
1/4 askel |
|
-Lla |
Täysi askel |
Kytkimen säätöjen avulla voit optimoida tarkkuuden ja nopeuden välisen tasapainon projektin tarpeiden perusteella.
Varmistaaksesi, että moottorisi toimii turvallisten virran rajojen sisällä, TB6600 sisältää lisäkytkimiä (SW4 ja SW6) virran virtauksen säätämiseksi.Nämä asetukset ovat hyödyllisiä:
• Ylikuormitusvaurioiden estäminen.
• Ylläpitää johdonmukaista moottorin suorituskykyä.
• Varmista aina, että moottorin virta pysyy kuljettajan enintään 4a: n alapuolella molempien komponenttien suojaamiseksi.
• Ohjaa moottorin suunta: Jos haluat moottorin kiertävän vastapäivään, muokkaa Arduino -koodin DIR+ -tapin tilaa.
• Testaus ja vianetsintä: Asetuksen suorittamisen jälkeen lataa askelmoottorin perusohjausluonnos varmistaaksesi johdotuksen ja ohjaimen toiminnallisuuden.
• Vältä ylikuumenemista: Varmista TB6600-ohjaimen asianmukainen ilmanvaihto, etenkin korkean virran sovelluksissa.
TB6600 -moduulilla on aktiivinen rooli monilla aloilla, joissa käytetään huolellista moottorin ohjausta.Sen sopeutumiskyky paistaa erilaisissa toteutuksissa, jotka korostavat sen ainutlaatuisia ominaisuuksia:
Televiestinnän alalla optimaalisen antennin kohdistamisen saavuttaminen on pakollista laadun signaalin vastaanottamiselle ja lähettämiselle.TB6600 helpottaa tarkkuusliikettä parantaen siten viestintäjärjestelmien tehokkuutta.
Automaatiossa ja robotiikassa tarkka askelmoottorin käsittely saavutetaan TB6600: n kautta, jolloin voit tarkentaa liikkeen tarkkuutta ja vahvistaa järjestelmän luotettavuutta.
Tietokoneen numeerisen ohjauksen (CNC) koneiden kohdalla TB6600 parantaa monimutkaisia leikkaus- ja jauhatusprosesseja, jolloin voit ylläpitää suurta tarkkuutta ja toistettavaa tarkkuutta heidän työssään.
Lisäainevalmistuksessa, erityisesti 3D -tulostuksessa, TB6600 tarjoaa yksityiskohtaisen moottorin ohjauksen, joka tukee monimutkaisten muotojen ja -muotojen käsityössä tarvittavien tulostuspäiden tarkkaa sijoittamista.
Moduuli on arvokas monimutkaisille motoristen ohjaustehtäville monimutkaisissa automaatiojärjestelmissä, mikä parantaa tehokkuutta ja mahdollistaa puhdistetun hallinnan.
TB6600 on erinomainen skenaarioissa, jotka vaativat tarkkaa nopeutta ja kiertohallintaa, jota käytetään enimmäkseen suorituskyvyn optimointiin jatkuvasti muuttuvissa ympäristöissä.
Moduuli tukee kameroiden ja pankkiautomaattien luotettavaa toimintaa varmistamalla sileät, tarkat moottoriliikkeet, jotka pidentävät laitteiden käyttöaikaa.
Kaiverrustyökaluissa ja koneissa TB6600 tarjoaa tarkan hallinnan, joka on tarpeen hienoksi yksityiskohtaisten mallien suorittamiseen, vaarallinen tekijä teollisuudessa, jolla tarkkuus ja yksityiskohdat ovat hallitsevia.
Lähetä kysely, vastaamme heti.
TB6600 -askelmoottorin ohjain toimii virtalähteen jänniteellä välillä 8 V - 45 V.
TB6600 käyttää pulssin leveyden modulaatiota (PWM) moottorin nopeuden säätämiseen.Voit muuttaa nopeutta muokkaamalla PWM -taajuutta.
Kyllä, TB6600 pystyy käsittelemään jopa 4,5A: ta, joten se on yhteensopiva tämän virran luokiteltujen askelmoottorien kanssa.
Kääntämällä moottorin suunnan kääntämällä tulosignaalisekvenssi ohjaustapissa (esim. IN1-IN2-in3-in4 eteenpäin, IN4-In2-in2-in1 käänteisesti).
TB6600 on valmistettu 4-johtimolle askelmoottoreille.Jos moottorillasi on yli 4 johtoa, tarvitset toisen ohjaimen.
TB6600 toimii hyvin NEMA17 -moottorien kanssa, mutta ei yleensä sovellu NEMA23 -moottoreille niiden suurempien nykyisten vaatimusten vuoksi.
12.12.2024
12.12.2024
18.04.8000 147757
18.04.2000 111935
18.04.1600 111349
18.04.0400 83719
01.01.1970 79508
01.01.1970 66901
01.01.1970 63019
01.01.1970 63010
01.01.1970 54081
01.01.1970 52121