
HT12E RF -kooderi IC on loistava komponentti RF- ja IR -langattomien viestintäjärjestelmien valtakunnassa.Sen ensisijainen tehtävä on koodata signaalit 12-bittiseen rakenteeseen, mikä mahdollistaa turvallisen ja luotettavan tiedonsiirron.Tämä koodausprosessi varmistaa, että lähetetyt tiedot on järjestetty muodossa, joka on sekä vastaanottavien yksiköiden tunnistettavissa että prosessoitavissa.HT12E toimii saumattomasti vastineensa, HT12D -dekooderin IC: n kanssa, luomalla tehokkaan viestintälinkin lähetys- ja vastaanottolaitteiden välillä.Yksi HT12E: n tärkeimmistä eduista on sen kyky muuntaa rinnakkaistiedon syötteet sarjan lähtöiksi, ominaisuus, joka parantaa tietojen eheyttä ja suojausta.Tämä tekee siitä arvokasta sovelluksissa, kuten kaukosäätimissä ja hälytysjärjestelmissä, joissa tarvitaan johdonmukaista ja luotettavaa signaalin lähetystä.

|
Pinanumero |
Nimeä |
Kuvaus |
|
1-8 |
A0, A1, A2, A3, A4, A5, A6, A7 |
Nämä ovat 8-bittisiä osoitebittejä, joita käytetään tietojen suojaamiseen.
Nämä bitit on asetettava samaan malliin kooderissa ja dekooderissa
Yhdistä ne. |
|
9 |
Maa/VSS |
Kytketty piirin maahan. |
|
10–13 |
AD0, AD1, AD2, AD3 |
Näitä neljää nastaa käytetään tietojen lähettämiseen.Koodattuja tietoja
Tässä dekoodataan HT12D IC: tä, joka jakaa samat osoitepalat. |
|
14 |
Lähetys Ota käyttöön (TE) |
Tämä nasta on kytkettävä maahan (0 V) ottaaksesi
tarttuminen. |
|
15 ja 16 |
Oskillaattorin nastat 1 ja 2 |
IC: ssä on sisäänrakennettu oskillaattori.Kytke nämä kaksi nastaa
1 metrin vastuksen kautta sen käyttämiseen. |
|
17 |
Tulos |
Tästä voidaan saada koodatut 12-bittiset lähtötiedot
pin. |
|
18 |
VCC/VDD |
Tämä PIN -koodi käyttää IC: tä, tyypillisesti +5 V.Voi vaihdella
välillä 2,4 V - 12 V. |
|
Ominaisuus |
Kuvaus |
|
12-bittinen kooderi IC |
Suunniteltu käytettäväksi HT12D: n kanssa datan koodaamiseen. |
|
Koodattu tieto |
Käsittää 4 databittiä ja 8 osoitebittiä, muodostaen yhteensä
12 bittiä (8+4 = 12 bittiä). |
|
Langaton siirto |
Yleisesti käytetty RF- ja IR -langattomaan voimansiirtoon
sovellukset. |
|
Toimitusjännitealue |
Toimii laajalla syöttöjännitealueella 2,4 V -
12 V, tyypillisesti 5 V: tä käytetään. |
|
Matala valmiustila |
Kuluttaa valmiustila vain 0,1 µA VCC = 5 V,
energiatehokkuuden varmistaminen. |
|
Pakettivaihtoehdot |
Saatavana 16-nastainen dip- ja 20-nastainen SOP-paketti
Joustava integraatio piireihin. |
Olla PT2262
Olla 74C922
HT12E IC: tä käytetään laajasti turvallisissa ja luotettavissa tiedonsiirtojärjestelmissä, etenkin RF- ja IR -langattomassa viestintä- ja kaukosäädinsovelluksissa.Se parit HT12D-dekooderin kanssa suojatun kehyksen luomiseksi osoitepohjaisella kokoonpanolla luvattoman pääsyn estämiseksi.Yleisiä käyttötarkoituksia ovat autotalliovet, kodin automaatio ja valaistusjärjestelmät, joissa sen yksinkertainen koodausmenetelmä varmistaa helppokäyttöisyyden ja luotettavuuden.Huolimatta vain 4-bittisen tiedonsiirron tukemisesta, se on ihanteellinen lyhyen kantaman ohjausjärjestelmille, jotka priorisoivat turvallisuuden ja suorituskyvyn.Monet muokkaavat usein osoite -asetuksiaan vastaamaan erityisiä projektitarpeita, mikä tekee HT12E: stä monipuolisen valinnan sovelluksille, jotka vaativat maltillista monimutkaisuutta ja vankkaa tiedon eheyttä.
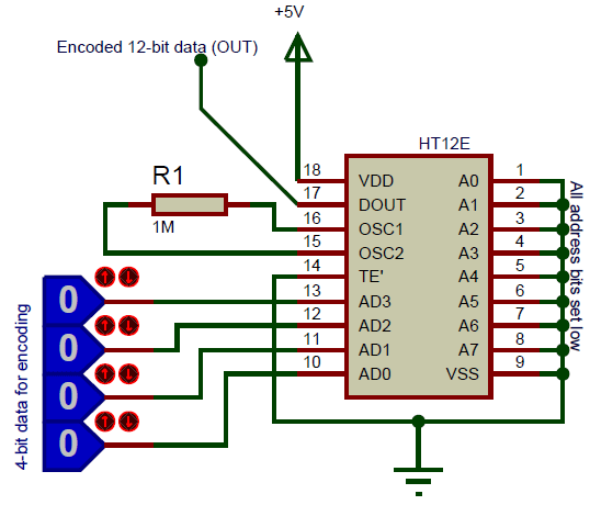
HT12E -kooderi IC on tärkeä komponentti tiedonsiirtoon kaukosäädintäjärjestelmissä.Jos haluat käyttää sitä, kytke IC vakaan 5 V: n virtalähteeseen ja maadoittaen lähetyskäyttöinen PIN -koodi sen tietojen siirtotilan aktivoimiseksi.Sisäinen oskillaattori vaatii 1M: n vastuksen, joka on kytketty OSC1- ja OSC2 -nastaihin tarkan ajoituksen ja vakaan suorituskyvyn varmistamiseksi.Tietojen syöttöä varten käytä 4-bittistä kokoonpanoa PINS AD0-AD3: lla ja kohdista osoitetapit (A0-A7) vastaamaan dekooderin osoitetta viestintävirheiden välttämiseksi.Koodatut tiedot tulostetaan sitten datansaan kautta ja ne voidaan siirtää HT12D -dekooderiin joko langallisen yhteyden tai langattoman tekniikan, kuten RF: n tai IR: n, kautta.Vaikka langalliset yhteydet ovat luotettavia lyhyille etäisyyksille, langattomat menetelmät tarjoavat paremman joustavuuden ja mukautumiskyvyn, mikä tekee niistä ihanteellisia erilaisiin sovelluksiin.

HT12E IC: n yhteyskaavio
HT12E -kooderia käytetään laajasti kaukosäätimissä, kuten autotallin oven avaajat tehokkuuden parantamiseksi.Se muuntaa rinnakkaistiedot RF -moduulin lähettämiseen soveltuvaksi muotoon varmistaen, että kaukosäätimen ja vastaanottimen välillä on tarkka ja luotettava viestintä.Analogisiin järjestelmiin verrattuna HT12E tarjoaa nopeamman ja luotettavamman suorituskyvyn.
Kotiautomaatiossa HT12E: llä on rooli sarjatietojen muuntamisessa tehokkaan järjestelmän integroinnin saavuttamiseksi.Se mahdollistaa erilaisten toimintojen keskitetyn hallinnan, kuten valot päälle tai pois päältä ja hallita laitteita etäyhteyden kautta.Tämä kooderi ei vain paranna mukavuutta, vaan myös edistää energiatehokkuutta sallimalla kotijärjestelmien tarkan hallinnan, tarpeen mukavuuden ja kestävyyden tarpeisiisi.
HT12E parantaa turvajärjestelmiä, kuten murtovarkauksia ja palohälytyksiä, varmistamalla turvallisen ja tarkan tiedonsiirron.Sen luotettava koodaus varmistaa, että hätäsignaalit, kuten tunkeutumishälytykset tai palovaroitukset, siirretään nopeasti ja oikein valvonta -asemille tai hätätilanteille.Tämä parantaa tällaisten järjestelmien yleistä turvallisuutta ja reagointia kriittisissä tilanteissa.
Kenttäarvioinnit paljastavat, että HT12E tarjoaa jatkuvasti luotettavan suorituskyvyn, jopa haastavissa ympäristöissä, joissa on sähkömagneettisia häiriöitä.Sen joustavuus ja monipuolisuus eri sovelluksissa tekevät siitä standout -ratkaisun langattomassa viestinnässä, inspiroivan tutkimaan innovatiivisia käyttötarkoituksia ja maksimoimaan sen potentiaalia.

Lähetä kysely, vastaamme heti.
20.12.2024
20.12.2024
18.04.8000 147770
18.04.2000 112006
18.04.1600 111351
18.04.0400 83768
01.01.1970 79562
01.01.1970 66959
01.01.1970 63098
01.01.1970 63040
01.01.1970 54095
01.01.1970 52182