LIS3DH on korkean suorituskyvyn, erittäin matalan virran kolmi-akselin kiihtyvyysanturi, joka on suunniteltu erilaisiin sovelluksiin, mukaan lukien kulutuselektroniikka, teollisuusautomaatio ja terveydenhuolto.Sen I2C/SPI -digitaalinen rajapinta ja kompakti suunnittelu tarjoavat tarkan kiihtyvyysmittauksen kolmessa ulottuvuudessa, mikä tekee siitä ihanteellisen liikkeen havaitsemiseen ja suuntautumisen tunnistamiseen.Tämä monipuolinen anturi erottuu voiman tehokkuudesta, sulautetuista itsetestausominaisuuksista ja lämpötila-antureista, jotka varmistavat luotettavan suorituskyvyn jopa haastavissa ympäristöissä.Olipa älypuhelimissa, puettavissa laitteissa tai terveydenhuollon seurantajärjestelmissä, LIS3DH parantaa toiminnallisuutta ja energianhallintaa, mikä tekee siitä avainkomponentin nykyaikaisissa, energiatehokkaissa malleissa.

Se Lis3dh erottuu sen puutteellisen virrankulutuksen ja hienostuneiden energiansäästöominaisuuksien vuoksi.Tämä tekee siitä ihanteellisen valinnan sovelluksille, jotka tarvitsevat ylimmän tason suorituskykyä minimaalisilla energiamenoilla.Se tarjoaa konfiguroitavia täysimittaisia alueita ± 2G, ± 4G, ± 8G ja ± 16G, lähtötiedonopeuden ollessa 1 Hz-5,3 kHz, mikä tarjoaa huomattavan monipuolisuuden eri käyttötarkoituksissa.Erityisesti itsetestausominaisuudet varmistavat järjestelmän toiminnallisuuden, vahvistavan luotettavuuden.
LIS3DH: n huomattava ominaisuus on sen kyky luoda keskeytyksiä laitteen paikannuksen tai inertiaalisten tapahtumien perusteella, määritellyt kynnysarvot ja ajoitusasetukset.Tämä toiminnallisuus antaa sovelluksille mahdollisuuden mukautua nopeasti ympäristömuutoksiin parantaen reagointia.Esimerkiksi terveydenhuollon välineet saattavat hyödyntää näitä ominaisuuksia syksyn havaitsemiseen tai liikkeen seurantaan, mikä varmistaa potilasturvallisuuden ja tarkan tiedonkeruun.Keskeytyksen muodostumisen ohjelmoitavuus ja herkkyys nostavat LIS3DH: n hyödyllisyyttä sellaisissa skenaarioissa.
Integroitu 32-tason FIFO-puskuri minimoi jatkuvan isäntäprosessorin toiminnan välttämättömyyden, säilyttäen merkittävästi järjestelmän resursseja.Tämä on enimmäkseen hyödyllistä, kun virran tehokkuus on ensisijainen tavoite, kuten puettavissa laitteissa, joissa pidennetty akun käyttöikä on kilpailuetu.Hallitsemalla tehokkaasti tietojen tallentamista ja siirtoa LIS3DH optimoi järjestelmän yleiset toiminnot ja pidentää tuotteen käyttökelpoista elämää vaarantamatta suorituskykyä.LIS3DH: n kompakti LGA -pakkaussuunnittelu varmistaa vaivatonta sisällyttämistä moniin laitteisiin ja tukee samalla vakaa toiminta lämpötila -alueella -40 ° C - +85 ° C.Tämä kestävyys tekee siitä sopivan sekä kulutuselektroniikkaan että teollisuussovelluksiin, joissa äärimmäiset ympäristöolosuhteet saattavat vallita.Esimerkiksi autojärjestelmissä kyky suorittaa luotettavasti vaihtelevien lämpötilojen alla on hyödyllinen suorituskyvyn johdonmukaisuuden ylläpitämisessä ja turvallisuusstandardien ylläpitämisessä.

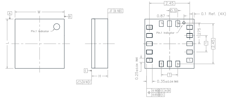
|
Pin# |
Nimi |
Funktio |
|
1 |
Vdd_io |
Voima
I/O -nastat |
|
2 |
NC |
Ei
kytketty |
|
3 |
NC |
Ei
kytketty |
|
4 |
SCL |
I²c
Sarjakello (SCL) |
|
SPC |
SPI
Sarjaporttikello (SPC) |
|
|
5 |
Hölynpöly |
0 V
toimittaa |
|
6 |
SDA |
I²c
sarjatiedot (SDA) |
|
SDI |
SPI
Sarjadatan syöttö (SDI) |
|
|
Sdo |
3-johtiminen
Rajapinnan sarjatiedon lähtö (SDO) |
|
| 7 |
Sdo |
SPI
Sarjadatan lähtö (SDO) |
|
SA0 |
I²c
Vähemmän merkittävää laitteen osoitetta (SA0) |
|
|
8 |
CS |
SPI
ottaa käyttöön |
|
I²C/SPI
Tilavalinta: |
||
|
1:
SPI -tyhjäkäynnin tila / I²C -viestintä käytössä |
||
|
0:
SPI -viestintätila / I²C poistettu käytöstä |
||
|
9 |
Int2 |
Inertiaalinen
keskeyttää 2 |
|
10 |
Resoluutio |
Yhdistää
gnd |
|
11 |
Int1 |
Inertiaalinen
keskeyttää 1 |
|
12 |
Hölynpöly |
0 V
toimittaa |
|
13 |
ADC3 |
Analoginen
Muuntimen syöttö 3 |
|
14 |
VDD |
Voima
toimittaa |
|
15 |
ADC2 |
Analoginen
Muuntimen syöttö 2 |
|
16 |
ADC1 |
Analoginen
muuntimen syöttö 1 |



|
Ominaisuus |
Kuvaus |
|
Laaja syöttöjännite |
1,71 V - 3,6 V
|
|
Riippumaton IO -tarjonta |
1,8 V, syöttöjännite yhteensopiva |
|
Ultra-matala tehotilan kulutus |
Alaspäin 2 μA |
|
Dynaamisesti valittava koko mittakaava |
± 2 g/± 4 g/± 8 g/± 16 g |
|
Digitaalinen lähtörajapinta |
I2c/spi |
|
Datan lähtöresoluutio |
16-bittinen |
|
Ohjelmoitavat keskeytysgeneraattorit |
2 riippumatonta generaattoria vapaasti pudota ja liikettä varten
havaitseminen |
|
Orientaation havaitseminen |
6D/4D -havaitsemiskyky |
|
Vapaasti syksyinen havaitseminen |
Tuettu |
|
Liikkeen havaitseminen |
Tuettu |
|
Upotettu lämpötila -anturi |
Integroitu |
|
Upotettu itsetesti |
Integroitu |
|
Upotettu FIFO |
32 16-bittisen datan tuotosta FIFO |
|
Korkea shokin säilyvyys |
10000 g |
|
Ympäristön noudattaminen |
Ecopack®, ROHS ja "vihreä" yhteensopiva |
LIS3DH -kiihtyvyysmittarissa on monipuolinen valikoima toimintoja, jotka tekevät siitä erittäin monipuolisen eri sovelluksille, etenkin mobiililaitteiden ja kannettavien laitteiden maailmassa.Sen suuntauksen havaitsemisominaisuus on tärkeä energian säilyttämisessä ja automatisoidun kuvan sijoittamisen tehokkaassa hallinnassa.Tämä kyky ylittää yksinkertaisen näytön kierto- ja hienosäätölaitteen käyttäytymisen tarpeettoman virrankäytön minimoimiseksi.
Yksi LIS3DH: n vaikuttavimmista piirteistä on sen orientaation havaitseminen.Tämä toiminto on korvaamaton paitsi näytön suuntausten säätämiseksi myös erilaisten toimintatapojen käynnistämiseksi laitteen suunnan perusteella.Esimerkiksi, kun tabletti asetetaan tasaiseksi, kiihtyvyysanturi voi kehottaa laitetta pääsemään pienitehoiseen tilaan, mikä johtaa akun kestoon.
LIS3DH tarjoaa sekä 4D- että 6D -tiloja.4D-tila on suunniteltu sivuuttamaan z-akseli sijainnin havaitsemisen aikana, joka toimii tehokkaasti skenaarioissa, joissa XY-tason suunta riittää.Tämä tila voi älykkäästi siirtyä pienitehoiseen tilaan havaitaan tiettyjä ennalta määritettyjä tapahtumia (muokattavissa kynnysarvolla ja kestoparametreilla).
LIS3DH siirtyy pienitehoiseen tilaan, kun erityiset olosuhteet havaitaan, ja se palaa normaaliin tai korkean resoluution toimintatilaansa saumattomasti, kun nämä olosuhteet on ratkaistu.Tämä on pääasiassa hyödyllistä puettavissa laitteissa, joissa suorituskyvyn tasapainotus ja tehon tehokkuus ovat hallitsevia.Esimerkiksi kuntoseurannat voivat deaktivoida korkean resoluution seurannan passiivisuuden aikana, pidentäen huomattavasti akun käyttöikää.
LIS3DH tukee 32-tason FIFO-puskuria, joka mahdollistaa erilaiset toimintatavat, kuten FIFO, Stream, Stream-to-FIFO ja FIFO-ohitus.Tämä edistynyt puskurointi varmistaa tehokkaan tiedonkäsittelyn, lieventäen merkittävästi prosessorin käsittelykuormaa.Tämä johtaa tasaisempaan ja nopeampaan tietojenkäsittelyyn, joka on perustiedot sovelluksista, kuten liikkeen tunnistaminen peliohjaimissa.
|
Tyyppi |
Parametri |
|
Elinkaari
Status |
Esikatselu
(Viimeksi päivitetty: 8 kuukautta sitten) |
|
Asennus
Tyyppi |
Pinta
Asentaa |
|
Paketti
/ Tapaus |
16-vflga |
|
Pinta
Asentaa |
Kyllä |
|
Määrä
nastat |
16 |
|
Pakkaus |
Tarjotin |
|
JESD-609
Koodi |
E4 |
|
Osa
Status |
Vanhentunut |
|
Kosteus
Herkkyystaso (MSL) |
3
(168 tuntia) |
|
Määrä
päättämisen |
16 |
|
ECCN
Koodi |
Ear99 |
|
Tyyppi |
Digitaalinen |
|
Terminaali
Viimeistely |
Nikkeli/kulta
(Ni/au) - elektrolyyttinen |
|
HTS
Koodi |
8542.39.00.01 |
|
Jännite
- Tarjonta |
1,71 V
~ 3,6 V |
|
Terminaali
Sijainti |
Pohja |
|
Terminaali
Muodostaa |
Pusku |
|
Huippu
Palautuslämpötila (° C) |
260 ° C |
|
Määrä
toimintojen |
1 |
|
Toimittaa
Jännite |
2,5 V |
|
Terminaali
Piki |
0,5 mm |
|
Mitat
(L x w x h) |
3 mm
x 3mm x 1mm |
|
Aika
@ Peak Refow Temp (Max) |
30
sekunti |
|
Pohja
Osanumero |
LIS3 |
|
Nasta
Laskea |
16 |
|
Tulos
Tyyppi |
I2c,
SPI |
|
Käyttö-
Toimitusjännite |
2,5 V |
|
Rajapinta |
I2c,
SPI |
|
Käyttö-
Toimitusvirta |
11μA |
|
Ratkaisu |
2 b |
|
Anturi
Tyyppi |
3-akseli |
|
Max
Syöttöjännite (DC) |
3,6 V |
|
Mini
Syöttöjännite (DC) |
1,71 V |
|
Akseli |
X,
Y, z |
|
Kiihtyvyys
Etäisyys |
± 2 g,
4G, 8G, 16G |
|
Piirteet |
Säädettävä
Kaistanleveys, valittava mittakaava, lämpötila -anturi |
|
Herkkyys
(LSB/G) |
1000
(± 2 g) ~ 83 (± 16 g) |
|
Säteily
Kovettuminen |
Ei |
|
Tavoite
SVHC |
Ei
SVHC |
|
Rouhi
Status |
ROHS3
Vaatimusten mukainen |
|
Johtaa
Vapaa |
Kyllä |

|
Osa
Määrä |
Kuvaus |
Valmistaja |
|
Lis3de |
Digitaalinen MEMS
Lähtöliikenteen anturi Ultra-pieniteho korkean suorituskyvyn 3-akselit "Nano"
kiihtyvyysanturi |
Stmicroelectronics |
|
LIS3DETR |
Digitaalinen 3-akseli
Kiihtyvyysmittari, erittäin matalavirta, ± 2G/4G/8G/16G koko mittakaava, nopea I2C/SPI
Digitaalinen lähtö, upotettu FIFO, LLGA 16 3X3X1.0 -paketti |
Stmicroelectronics |
|
Lis3dhtr |
3-akselin mems
Kiihtyvyysmittari, erittäin matalavirta, ± 2G/4G/8G/16G koko mittakaava, nopea I2C/SPI
Digitaalinen lähtö, upotettu FIFO, korkean suorituskyvyn kiihtyvyysanturi, LLGA 16
3x3x1.0 -paketti |
Stmicroelectronics |

Jotta LIS3DH toimisi kunnolla, sen ydin vaatii VDD -viivan ja I/O -tyynyt tarvitsevat VDD_IO: ta.Virtalähteen purkamiskondensaattorit, mukaan lukien 100 NF: n keraaminen ja 10 μF alumiiniskondensaattori, on sijaittava lähellä nasta 14. Näiden kondensaattorien asettaminen vähenee strategisesti kohinaa ja parantaa vakautta.Kaikkien jännitteiden ja maatarvikkeiden tulisi olla läsnä samanaikaisesti laitteen asianmukaisen alustamisen ja toiminnallisuuden varmistamiseksi.Erityisesti VDD voidaan poistaa säilyttäen VDD_IO pitämään viestintäväylän aktiivisena.Tämä asennus mahdollistaa tietyn viestintätehtävien jatkamisen, vaikka mittausominaisuudet poistetaan käytöstä.Tässä tilassa anturi menee tehokkaasti pienitehoiseen tilaan.
LIS3DH tukee sekä I2C- että SPI -rajapintoja.Nämä rajapinnat tarjoavat joustavuuden järjestelmän suunnitteluun ja tiedonsiirtovaatimuksiin, jotka helpottavat saumattomia tiedonsiirtoa ja integrointia eri sovelluksiin.
Ohjelmoitavat keskeytystoiminnot sisältävät konfiguroitavat kynnysarvot ja ajoituksen.Tämä sopeutumiskyky mahdollistaa räätälöityjen operaatioiden, jotka osoittautuvat edullisiksi sovelluksissa, kuten liikkeen havaitsemisessa ja eleiden tunnistamisessa, joissa tarkkoja ja reagoivia keskeytysmekanismit ovat toivottavia.
Käyttämättömät ADC1-, ADC2- ja ADC3 -nastat voidaan jättää kelluvaksi tai sidottu VDD: hen tai GND: hen.Tämä käytäntö varmistaa, ettei ole tarpeetonta virrankulutusta tai potentiaalisia kelluvia PIN -ongelmia, pitäen järjestelmän eheyttä.
LIS3DH: lla on tärkeä rooli sovelluksissa, jotka vaativat tarkkaa liikkeen havaitsemista.Sen hyödyllisyys on laitteiden tai ominaisuuksien aktivoinnissa tiettyjen liikkeiden havaitsemisessa, kuten kunto -sovelluksen käynnistäminen aloittaessasi.Kiihdytysmittarin herkkyys varmistaa luotettavan suorituskyvyn haastavassa ympäristössä.Sen käytännöllisyys näkyy eri kulutuselektroniikassa.Se mahdollistaa saumattoman kokemuksen vähentäen manuaaliseen toimintaan riippuvuutta.
LIS3DH: n standout-ominaisuus on sen taito vapaiden laskujen havaitsemisessa.Tämä kyky suojaa herkkiä elektroniikkaa mahdollisilta vaurioilta.Esimerkiksi kannettavat tietokoneet ja älypuhelimet voivat automaattisesti aloittaa suojatoimenpiteet putoamisen tunnistamisen yhteydessä, mikä lieventää vaikutusvoimia.Tämä tekniikka suojaa henkilökohtaisia laitteita ja ulottuu teollisuussovelluksiin varmistaen kalliita ja arkaluontoisia laitteita.
LIS3DH parantaa laitteesi vuorovaikutusta sen kyvyn tunnistamiseen napsauttamalla ja kaksoisnapsauttamalla eleitä.Tämä toiminnallisuus on pääosin hyödyllinen puettavalle tekniikalle, jossa fyysiset painikkeet ovat vähemmän käytännöllisiä.Esimerkiksi älykellot käyttävät kiihtyvyysmittaripohjaista napsautustunnistusta saadaksesi intuitiivisemman hallinnan, mikä eliminoi lisälaitteiden tarpeen.Tämä integraatio johtaa hienostuneempiin ja ystävällisempiin rajapintoihin.
Tehokas virranhallinta on merkittävä LIS3DH: n sovellus.Havaitsemalla, onko laite käytössä vai paikallaan, kiihtyvyysmittarilla on tärkeä rooli akun keston pidentämisessä.Tämä ominaisuus on erittäin arvokas kannettavissa elektronisissa laitteissa, jotka riippuvat pitkittyneestä akun suorituskyvystä.Optimoitujen energianhallintatekniikoiden toteuttaminen täyttää yhä kompakti ja tehokkaampien laitteiden vaatimukset.
Terveys- ja kuntoteknologian maailmassa LIS3DH on ydinkomponentti vaiheiden ja liikkeiden tarkka seurantaan.Se on tarvittava askelmittarissa, mikä tarjoaa sinulle luotettavia tietoja fyysisten toimintojen seuraamiseksi.Kiihdytysmittarin kyky erottaa erityyppiset liikkeen varmistaa johdonmukaiset ja arvokkaat kuntoseurantatiedot.
LIS3DH on tärkeä tekijä näyttösuunnan hallinnassa havaitsemalla laitteen sijainnin ja liikkeen.Tämä kyky sallii automaattisen näytön säädöt optimaalisen katselun saavuttamiseksi.Älypuhelimissa ja tablet -laitteissa yleinen, tämä ominaisuus parantaa huomattavasti kokemustasi ja tukee samalla saavutettavuutta mukauttamalla saumattomasti tarpeisiisi.
LIS3DH on välttämätön pelaamisessa ja virtuaalitodellisuudessa, mikä tarjoaa tarkkoja liikepohjaisia tuloja.Se mahdollistaa syventävät ja intuitiiviset pelikokemukset havaitsemalla kallistus, kierto ja kiihtyvyys tarkalleen.Tämä tekniikka siltaa kuilun fyysisen liikkeen ja digitaalisen vastauksen välillä, mikä parantaa pelaajien sitoutumista ja käytännöllisyyttä virtuaaliympäristöissä.
Erilaisissa turvallisuussovelluksissa LIS3DH on erinomainen iskujen havaitsemisessa.Esimerkiksi autoteollisuudessa se voi laukaista turvatyynyjä tai muita turvallisuusmekanismeja törmäyksen havaitsemiseksi.Tämä sovellus on osoitus luotettavan ja nopean vastauksen välttämättömyydestä kriittisissä tilanteissa, lopulta pelastaen ihmishenkiä ja vähentämällä vammojen vakavuutta.
Tärinän seuranta on LIS3DH: n toinen merkittävä sovellus.Se on aktiivinen koneiden ja rakenteellisen terveyden ylläpitämisessä havaitsemalla poikkeavat värähtelyt, jotka viittaavat mahdollisiin vikoihin.Tämä ennakoiva lähestymistapa osoittautuu hyödylliseksi useilla toimialoilla, mikä helpottaa oikea -aikaista ylläpitoa ja vähentää operatiivisia seisokkeja.LIS3DH varmistaa jatkuvan toiminnan ja auttaa estämään kalliita rikkoutumisia.

Stmicroelectronics kukoistaa ensisijaisena globaalina puolijohdeyhtiönä, joka on erinomainen edistyneiden mikroelektroniikkaratkaisujen innovaatioissa, kehittämisessä ja jakelussa.Heidän johtajuutensa syntyy syvällisestä asiantuntemuksesta piisteknologioista, tiukasta valmistuskäytännöstä, laajoista immateriaalioikeuksista ja strategisista liittoutumista.Nämä puolet asettavat strategisesti stmicroelectronicsin edistyneiden system-chip (Soc) -teknologioiden eturintamassa, mikä johtaa merkittävästi nykyaikaisten sovellusten lähentymistrendejä.
Stmicroelectronicsin matka kestää vuosikymmeniä, jotka kehittyvät perinteisestä puolijohdevalmistajasta huippuluokan uudistajaksi mikroelektroniikassa.Heidän muutoksensa korostaa alan siirtymistä kohti integroituja ratkaisuja.Sopeutumiskyky ja ennakointi ovat vahvistaneet uraauurtavan asemansa, ja markkinoiden vaatimusten ja teknologisen kehityksen oppitunneilla on polkuaan.
Stmicroelectronics on tarkentanut piiteknologian hallintaaan muodostaen innovaatioidensa selkärangan.Piilähiihtäjillä on hallitseva rooli tehokkaiden ja kompaktien mikroelektroniikkaratkaisujen asettamisessa.Heidän tekninen kykynsä ja markkinatiedot ovat ilmeisiä heidän säälimätöntä harjoittamista teknologiseen toteutettavuuteen.Tämä tiedon syvyys ajaa niitä jatkuvasti nykyisten markkinatandardien ulkopuolelle.
LIS3DH on erittäin pienen voiman, korkean suorituskyvyn kolmen akselin lineaarinen kiihtyvyysanturi, joka sisältää digitaalisen I2C/SPI-rajapinnan.Se on muotoiltu tarkan liikkeen havaitsemiseksi ja mittaamiseksi erilaisissa sovelluksissa kulutuselektroniikasta teollisuusjärjestelmiin.Tämä laite erottuu sen tehokkuudesta ja sopeutumiskyvystä, mikä tekee siitä suosikki monissa tarkkoissa seurantaskenaarioissa.
3-akselin kiihtyvyysanturi mittaa kiihtyvyyttä kolmella kohtisuorassa akselilla (x, y ja z).Tämä monisuuntainen kyky mahdollistaa kattavan liikkeen tunnistuksen.Se on hyödyllinen aloilla, kuten robotiikka, ilmailutila ja puettava tekniikka.Liikkeen seuranta kaikissa ulottuvuuksissa tuo syvyyden analyysistä, joka muuttaa yksinkertaisen tiedon toimiviksi oivalluksiksi.
Vaikka kiihtyvyysmittarit mittaavat luonnostaan kiihtyvyyttä, nopeus voidaan saada integroimalla kiihtyvyystiedot ajan myötä.Käytännöllinen sovellus edellyttää kuitenkin huolellista kalibrointia.Tämän prosessin on otettava huomioon tekijät, kuten anturin kohina ja ajautuminen tarkan nopeuden arvioinnin varmistamiseksi.Ajoneuvojen telemetrian ja kävelyn analyysin kaltaisissa tilanteissa tämä siirtyminen raakatiedoista merkityksellisiin nopeuksiin vaatii huolellista huomiota heijastaen näillä aloilla vaadittavaa tarkkuutta.
Kiihdytysmittarin tarkkuus voi vaihdella merkittävästi, sillä sen tekniset tiedot ja tilanne, jossa sitä käytetään.Korkean tarkkuuden kiihtyvyysmittarit, kuten lääkinnällisissä laitteissa tai tarkalla askelmittarilla, voivat saavuttaa mittaustarkkuuden ± 1%: n sisällä kävelyetäisyydellä.Tämä tarkkuustaso on usein tiukkojen testaus- ja kalibrointiprosessien tulos, mikä varmistaa luotettavan suorituskyvyn herkillä sovelluksilla, joissa jokaisella murto -osalla on merkitystä.
Lähetä kysely, vastaamme heti.
17.10.2024
16.10.2024
19.04.8000 147784
19.04.2000 112078
19.04.1600 111352
19.04.0400 83844
01.01.1970 79648
01.01.1970 67022
01.01.1970 63140
01.01.1970 63071
01.01.1970 54100
01.01.1970 52237