
Se 2N2219 Transistori on monipuolinen NPN -transistori, jota käytetään laajasti elektronisissa piireissä.Kun tukikohdassa ei ole signaalia, transistori pysyy poissa tilassa, kun keräin ja emitteri on irrotettu.Kun signaali on levitetty pohjaan, transistori kytkeytyy päälle, jolloin virran virtaisi kollektorin ja emitterin välillä.Tämä kytkentäkyky on perusta transistorin toiminnasta riippumatta siitä, käytetäänkö signaalien vahvistamiseen tai piireiden kytkemiseen päälle ja pois päältä.Kun vahvistuksen arvo (HFE) on 50, 2N2219 pystyy käsittelemään erilaisia sovelluksia, jotka vaativat sekä signaalin monistuksen että kytkentäohjauksen.Sen suorituskyky määritellään sen kyvyllä hallita tehokkaasti virran virtausta, mikä tekee siitä käytännöllisen valinnan monissa piirimalleissa.



Keski -puolijohde 2N2219 Tekniset eritelmät, ominaisuudet, parametrit ja osat, joilla on samanlaiset eritelmät kuin keskuspuolijohde 2N2219.
| Tyyppi | Parametri |
| Tehtaan läpimenoaika | 8 viikkoa |
| Asentaa | Reiän läpi |
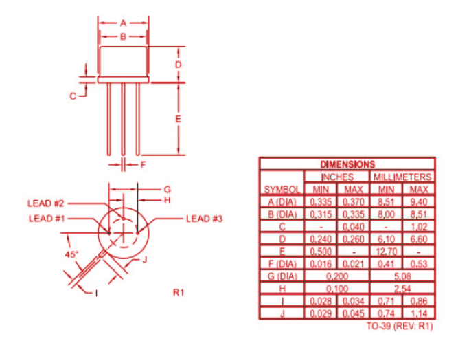
| Paketti / kotelo | To-39 |
| Keräilijän ja emitterin jakautuminen | 30 V |
| Elementtien lukumäärä | 1 |
| Tehon hajoaminen (max) | 800MW |
| hfe min | 35 |
| Julkaistu | 2012 |
| JESD-609-koodi | E0 |
| Pbfree -koodi | Ei |
| Osien tila | Aktiivinen |
| Päätteiden lukumäärä | 3 |
| ECCN -koodi | Ear99 |
| Terminaalipinta | Tina/lyijy (SN/PB) |
| Max -käyttölämpötila | 150 ° C |
| Min käyttölämpötila | -65 ° C |
| HTS -koodi | 8541.21.00.75 |
| Terminaalin sijainti | Pohja |
| Terminaalimuoto | Langa |
| Huippukämpötila (° C) | Ei määritelty |
| Time @ Peak Refow Temp (t) | Ei määritelty |
| Nastaluku | 3 |
| JESD-30-koodi | O-MBCY-W3 |
| Pätevyystila | Ei pätevä |
| Vastakkaisuus | Npn |
| Elementin kokoonpano | Yksittäinen |
| Transistorisovellus | Vaihtaminen |
| Hanki kaistanleveystuote | 250MHz |
| Keräilijän emitterijännite (VCEO) | 1,6 V |
| Max Collector Virta | 800maa |
| Siirtymätaajuus | 250MHz |
| Taajuus - siirtyminen | 250MHz |
| Keräilijän kantajännite (VCBO) | 60 V |
| Emitterin pohjajännite (VEBO) | 5V |
| DC-virranvahvistus-min (HFE) | 30 |
| Sammuta Time-Max (toff) | 285 ns |
| ROHS -tila | ROHS |
2N2219 on pieni signaalin NPN-transistori, mikä tarkoittaa, että se on suunniteltu käsittelemään pienitehoisia signaaleja.Se vaihtaa tai vahvistaa näitä pieniä signaaleja eri piireissä, mikä tekee siitä monipuolisen elektroniikan eri tehtäville.
Transistorin tyypillinen virranvahvistus (HFE) on 50. Tämä vahvistukset osoittavat, kuinka paljon transistori voi vahvistaa perussignaalin, mikä on hyödyllistä, kun sinun on ohjattava tai tehostamaan virtavirtaasi piirissä.
Tämä transistori pystyy käsittelemään jopa 800 mA jatkuvan kollektorivirran.Sen avulla voit hallita suurempia virrankuormia, mikä tekee siitä hyvän valinnan piireille, jotka vaativat tasaista virran virtausta.
2N2219 voi toimia korkeintaan 50 V: n keräilijän emitterin jännitteellä.Tämä korkeampi jännitteenkäsittelyominaisuus tarjoaa enemmän joustavuutta käytettäväksi piireissä, joilla on hiukan korkeampi jännitevaatimukset.
Keräilijäpohjaisen jännitteen ollessa 75 V, 2N2219 tarjoaa korkeamman marginaalin piireille, jotka toimivat kohonneilla jännitteillä.Tämä ominaisuus varmistaa luotettavan suorituskyvyn jopa piireissä, joilla on vaihtelevat jännitetasot.
Emitter-emäjännite on nimellisarvo 6 V, mikä osoittaa päästöjännitteen enimmäisjännitteen.Tämä auttaa suojaamaan transistoria piireidesi vaurioilta.
40N: n kääntymisaika ja 250N: n sammuttamisaika tarkoittavat, että transistori voi vaihtaa nopeasti.Tämä nopea vastaus on hyödyllinen sovelluksille, jotka tarvitsevat nopeaa on-off-pyöräilyä, kuten kytkentäpiireissä.
2N2219 on TO-39-metallipaketti, joka tarjoaa kestävyyden ja paremman lämmön hajoamisen.Tämä ominaisuus auttaa ylläpitämään transistorin suorituskykyä, etenkin korkean stressin ympäristöissä.
2N2219: tä käytetään usein releissä olevissa piireissä.Se vaihtaa virran releen hallitsemiseksi, jolloin se kytketään suurempia kuormia päälle ja pois päältä, mikä tekee siitä ihanteellisen automaatiotehtävien ja laitteiden hallitsemiseksi etäyhteyden kautta.
Tämä transistori on tehokas ajamaan LED -levyjä.Se hallitsee LEDin läpi virtaavaa virtaa varmistaen, että se toimii turvallisesti ja tehokkaasti valaistus- tai näyttöjärjestelmissä, joissa tarvitaan tarkkaa virranhallintaa.
Äänenvahvistinpiirissä 2N2219 voi vahvistaa matalan tason äänisignaaleja.Se auttaa parantamaan signaalia kaiuttimien tai kuulokkeiden ohjaamiseen, tarjoamalla selkeän äänen ulostulon erilaisissa äänijärjestelmissä.
2N2219 toimii hyvin signaalin monistustehtävissä, kuten viestintäjärjestelmissä.Se vahvistaa heikkoja signaaleja, mikä parantaa lähetettyjen tai vastaanotettujen signaalien voimakkuutta ja selkeyttä.
Voit yhdistää 2N2219 toisen transistorin kanssa muodostaaksesi Darlington -parin.Tämä asennus mahdollistaa suuremman virran monistumisen, mikä tekee siitä hyödyllisen, kun piirisovelluksissasi vaaditaan suurempi vahvistus.
Olla 2N2905
2N2219 -transistori löytyy lukuisista sovelluksista, kuten sen yleisempi vastine, 2N2222.Se on erityisen hyödyllinen tilanteissa, joissa kyseessä on hiukan korkeammat jännitteet, sen metallin ansiosta voi pakata, joka pystyy käsittelemään lisääntynyttä stressiä.Rakennatko kytkentäpiirejä tai vahvistimia, 2N2219 tekee luotettavan työn.Kytkentäpiireissä sitä käytetään usein kuormitusten, kuten moottorien tai releiden hallintaan, kun taas monistuksessa se auttaa lisäämään heikompia signaaleja.Suunnittelun yksinkertaisuus ja kyky hallita korkeampia jännitteitä tekevät 2N2219: stä valinnan valikoimasta tehtäviä varten, vaihtatko kuormituksia vai monistatko pieniä signaaleja.
2N2219 -transistoria käytetään yleisesti kytkimenä eri piireissä.Transistorin asettamisessa kytket kuorman keräilijälle, kun emitteri on maadoitettu.Tämä NPN -transistori toimii ohjaamalla virtavirtausta pohjatapin läpi.Kun pohjalle kohdistetaan pieni virta, se aktivoi transistorin, jolloin suurempi virta voi virtata kollektorista emitteriin kytkemällä kytketty kuorma päälle.

Avain osa 2N2219: tä tehokkaasti on oikean perusvastuksen valitseminen, joka rajoittaa pohjaan kulkevan virran.Tämän vastuksen arvo lasketaan vaaditun perusvirran (IB) perusteella, joka on sidottu kuorman nykyiseen kysyntään (IC).IB: n laskeminen kaava on:
Ib = ic / hfe
Tässä tapauksessa HFE (nykyinen vahvistus) on noin 50. Oletetaan, että kuormanne laskee jopa 800 mA: iin, joten keräilijävirta (IC) on 800 mA.Tämän perusteella tarvittava perusvirta (IB) olisi 16 mA.
Seuraavaksi sinun on laskettava perusvastus (RB) tällä kaavalla:
RB = (VCC - VBE) / IB
Täällä VCC on syöttöjännite ja VBE on pohja-emitterin jännite, tyypillisesti 1,3 V 2N2219: lle.Näitä arvoja käyttämällä voit määrittää oikean vastuksen varmistaaksesi, että kanta vastaanottaa vain tarpeeksi virtaa transistorin kytkemiseksi päälle ylikuormittamatta sitä.
Tämä prosessi tekee 2N2219: stä luotettavan kytkimen piireissä, joissa tarvitaan korkeampien virtojen ohjaaminen pienillä perussignaaleilla.Vaikka kaava tarjoaa arvion, vastuksen arvon hienosäätö kokeilun avulla voi joskus olla välttämätöntä saadaksesi parhaan suorituskyvyn transistorilta.

Keski-puolijohde on ollut luotettava nimi puolijohdemaailmassa vuodesta 1974 lähtien. Tunnettu korkealaatuisten erillisten puolijohteiden tuottamisesta, yrityksen tuotteita käytetään elektronisissa laitteissa ympäri maailmaa.Central Semiconductor on vuosien varrella kehittänyt laajan tuotevalikoiman, mukaan lukien mosfetit, tasasuuntaajat, piikarbidilaitteet ja monet muut.He ovat rakentaneet mainetta luotettavuudesta, toimittaen jatkuvasti komponentteja, jotka täyttävät nykyaikaisen elektroniikan vaatimukset.Tämä pitkäaikainen kokemus varmistaa, että heidän tuotteensa, kuten 2N2219, ovat edelleen vankka valinta insinööreille ja suunnittelijoille, jotka etsivät luotettavia puolijohderatkaisuja.
Kyllä, 2N2219 on melko samanlainen kuin suosittu NPN -transistori, 2N2222.Suurin ero on kuitenkin pakkauksessa.2N2219 on metallipukke, jonka avulla se voi käsitellä hiukan suurempia jännitteitä verrattuna 2N2222: een.
2N2219 on suunniteltu pienille signaalisovelluksille ja kytkentätehtäville.Sitä käytetään yleisesti piireissä, joissa tarvitaan kytkentä ja signaalin monistus.
2N2219 on TO-39-metallipaketti, joka tarjoaa paremman lämmön hajoamisen ja kestävyyden eri piirisovelluksissa.
Lähetä kysely, vastaamme heti.
24.10.2024
24.10.2024
18.04.8000 147758
18.04.2000 111954
18.04.1600 111349
18.04.0400 83725
01.01.1970 79508
01.01.1970 66921
01.01.1970 63078
01.01.1970 63017
01.01.1970 54083
01.01.1970 52147