

|
Nimeä |
Nro |
Tyyppi |
Kuvaus |
|
VDD |
16 |
Voima |
Syöttöjännite (+3 - +15 V) |
|
Hölynpöly |
8 |
Voima |
Maa (0 V) |
|
D0-D7 |
1, 4, 5, 6, 7, 13, 14, 15 |
Syöttö |
Rinnakkaistiedon syöttötapit |
|
Q5, Q6, Q7 |
2, 3, 12 |
Tulos |
Puskuroidut lähdöt kolmesta viimeisestä bitistä |
|
PE -PE |
9 |
Syöttö |
Rinnakkain ottaminen käyttöön |
|
CP |
10 |
Syöttö |
Kellotappi synkronoidaksesi tulo |
|
Ds |
11 |
Syöttö |
Sarjantulotappi |
Aloittamalla 4014 IC: n hyödyntäminen, aloita yhdistämällä VDD huolellisesti virtalähteen positiiviseen päätelaitteeseen ja GND: hen negatiiviseen päätelaitteeseen.Tämä IC toimii 3- 15 V: n sähköalueella, mutta erityiset mallit voivat ulottua jopa 20 V.On suositeltavaa tutkia tarkkoja sähköisiä yksityiskohtia koskevaa tietotarviketta, joka räätälöidä yhteensopivuuden yksilölliselle asennuksellesi.Valittu jännitealue vaikuttaa suoraan laitteen toiminnan eheyteen ja tasaiseen toiminnallisuuteen.
Aloita rinnakkaistietojen lataus vaihtamalla rinnakkaiskäyttötappi korkeaan tilaan.Kytke valitsemasi datatulot rinnakkaisten datatappien välillä, jotka on merkitty D0: ksi D7: ksi.CLK -nastaan käytetty nouseva reunasignaali kaappaa suunnitellun datan rekisteriin.Tämä valmisteluvaihe peilit ryhmän asettamisen hyvin koordinoidusta käytännöstä, jossa roolit ja synkronointi ovat erittäin tärkeitä.
Aloita tietojen siirtyminen vaihtamalla PE -nasta matalaan tilaan.Jokainen nouseva CLK -pulssi siirtää tietoja asteittain.Tässä tilassa DS -nasta palvelee sarjatietojen syöttöä, mikä helpottaa joustavaa tietojenkäsittelyä.Tästä toiminnosta tulee erityisen hyödyllistä, kun tarvitaan nestetiedonsiirtymistä, mikä varmistaa digitaalisten signaalien tehokkaan organisoinnin ja luokittelun.

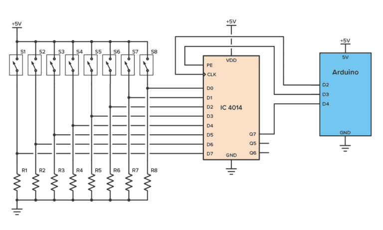
Se CD4014 Shift Register on käytännöllinen työkalu jopa kahdeksan kytkimen tilojen lukemiseen käyttämällä vain kolme mikrokontrolleritappia, kuten Arduinon kanssa.Tämä tekee siitä ihanteellisen projekteille, joissa PIN -saatavuus on rajoitettua, koska se laajentaa syöttökapasiteettia tehokkaasti ilman ylimääräistä laitteistoa.Piiri toimii kaappaamalla kaikkien kytkettyjen kytkimien tiloja ja lähettämällä nämä tiedot mikrokontrollerille yksi kerrallaan.CD4014 käyttää rinnakkaista sarjan muuntamista, jolloin voit seurata useita kytkimiä pitäen johdotuksen yksinkertaisena ja kompakti.
Asenna se kytke Arduinon D3 -nasta CD4014: n rinnakkaiseen käyttöön (PE) -tappiin, D2 kellon (CLK) -tappiin ja D4 datalutput (Q) -tappiin.D3 aktivoi salvan kytkentätilojen sieppaamiseksi, D2 lähettää kellopulssit tilojen siirtämiseksi lähtöön ja D4 lukee tiedot peräkkäin.Jokainen kellopulssi siirtää seuraavan kytkimen tilaan lähtötapin, jolloin Arduino voi lukea kaikki kahdeksan kytkintä yksi kerrallaan.Tämä lähestymistapa on tehokas ja säästää sekä tilaa että resursseja.Käyttämällä CD4014: tä voit hallita useita tuloja minimaalisella I/O -käyttöä, yksinkertaistaa malliasi ja vähentää johdotuksen monimutkaisuutta.Se on kompakti ja luotettava ratkaisu hankkeille, jotka vaativat kytkentätilojen tarkkaa seurantaa.
• NTE4014
Olla MC14014
Olla HCF4014
• HEF4014
Olla CD4014be
• 74HC165
Olla 74HC166
• 74HC198
Lähetä kysely, vastaamme heti.
09.12.2024
08.12.2024
18.04.8000 147757
18.04.2000 111935
18.04.1600 111349
18.04.0400 83719
01.01.1970 79508
01.01.1970 66900
01.01.1970 63018
01.01.1970 63010
01.01.1970 54081
01.01.1970 52121