
Kunkin invertterin toiminta 74LS04 on kääntää tulosignaalin logiikkatila siirtämällä se korkeasta tai matalaan korkeaan.Tällä toiminnalla on dynaaminen rooli elektronisessa piirisuunnittelussa, joka vaikuttaa sekä analogisiin että digitaalisiin sovelluksiin mahdollistamalla monipuolisen signaalin manipuloinnin ja tehokkaan tiedonkäsittelyn.
Elektronisissa järjestelmissä, lähinnä digitaalisten piirien sisällä, 74LS04 -invertterit tukevat loogisia toimintoja.Näitä inverttereitä käytetään rakentamaan ei portteja, mikä helpottaa monimutkaisten logiikkatoimintojen toteuttamista.Lisäksi ne voidaan konfiguroida muodostamaan edistyneitä logiikkaportteja, kuten NAND ja NOT, mikä laajentaa laskennallisia kapasiteetteja.Analogisissa järjestelmissä 74LS04 vaikuttaa merkittävästi signaalin eheyden ja melunmuodostumiseen.Kääntämällä signaaleja, nämä komponentit auttavat synkronointia ja tahdistusta viestintäpiireissä.Tämä vuorovaikutus vähentää ajoituseroja ja parantaa signaalin selkeyttä, korostaen yleistä suorituskykyä.




|
Ominaisuus |
Eritelmä |
|
Jännitesyöttöalue |
+4,75 V - +5,25 V |
|
Suurin toimitettu jännite |
+7 V |
|
Suurin lähtövirta porttia kohti |
8Ma |
|
TTL -lähdöt |
Lyijytön |
|
Enimmäisaika |
15ns |
|
Suurin pudotusaika |
15ns |
|
Käyttölämpötila -alue |
0 ° C - 70 ° C |

|
Parametri |
SN54S04 |
SN74S04 |
Yksikkö |
||||
|
Min nom |
Max |
Min nom |
Max |
||||
|
VCC -syöttöjännite |
4.5 |
5 |
5.5 |
4.75 |
5 |
5.25 |
V |
|
Vih korkean tason tulo
jännite |
2 |
2 |
V |
||||
|
VIL-matalan tason tulo
jännite |
0,8 |
0,8 |
V |
||||
|
IOH-korkeatasoinen
lähtövirta |
-1 |
-1 |
mehu |
||||
|
IOL: n matalan tason lähtö
nykyinen |
20 |
20 |
mehu |
||||
|
TA -toiminta
lämpötila |
-55 |
125 |
0 - |
70 |
° C |
||
|
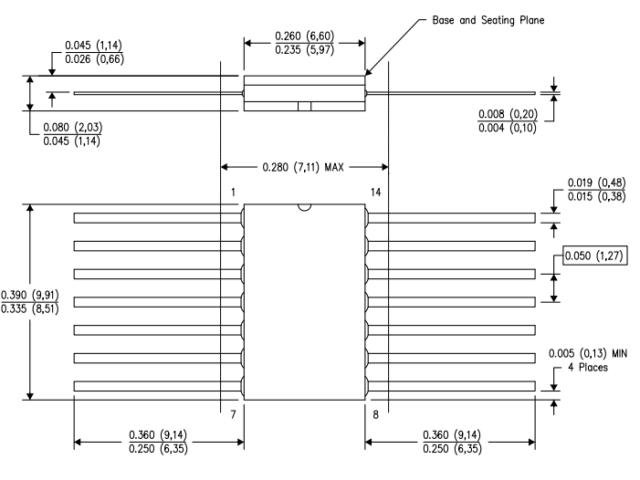
Osanumero |
Kuvaus |
Valmistaja |
|
GD54LS04Logic |
Invertter, LS-sarja, 6-func, 1-tulos, TTL, PDIP14 |
Goldstar Electron Co Ltd |
|
Sn74ls04nlogic |
Invertter, LS-sarja, 6-func, 1-tulos, TTL, PDIP14, 646-06 |
Motorola -puolijohdetuotteet |
|
SN74LS04N-00Logic |
LS-sarja, HEX 1-INPUT-käänteinen portti, PDIP14, paketti-14 |
Rochester Electronics LLC |
|
Sn74ls04jlogic |
Hex Inverters 14-CDIP 0-70 |
Texas Instruments |
|
M38510/30003Scalogic |
Invertter, LS-sarja, 6-func, 1-I-TTL, CDIP14,
Keraaminen, DIP-14 |
Signetiikka |
|
74LS04alogic |
IC LS -sarja, HEX 1-INPUT-käänteinen portti, PDIP14, portti |
NXP -puolijohteet |
|
GD74LS04Logic |
Invertteri, TTL, PDIP14 |
LG Semicon Co Ltd |
|
GD74LS04JLOGIC |
Invertteri, LS-sarja, 6-func, 1-tulos, TTL, CDIP14 |
Goldstar Electron Co Ltd |
|
HD74LS04Plogic |
Inverter, LS-sarja, 6-func, 1-I-Oput, TTL, PDIP14, DP-14 |
Hitachi Ltd |
|
M38510/30003bcalogic |
Invertter, LS-sarja, 6-func, 1-I-TTL, CDIP14,
Keraaminen, DIP-14 |
Motorola -puolijohdetuotteet |
Tässä on Raytheon Semiconductor -taulukomuodossa esitetyt tiedot 74LS04N.
|
Tyyppi |
Parametri |
|
JESD-609-koodi |
E0 |
|
Terminaalipinta |
Tina/lyijy (SN/PB) |
|
Huippukämpötila (° C) |
Ei määritelty |
|
Aika @ Peak Refow -lämpötila (Max) |
Ei määritelty |
|
ROHS -tila |
Ei-ROHS-yhteensopiva |
Hex -invertterin 74LS04 löytää erilaisia sovelluksia logiikkapiirissä tarjoamalla signaalin inversiota.Sitä käytetään monimutkaisten logiikkatoimintojen luomiseen, toiminnan virtauksen parantamiseen digitaalisten piirien sisällä.Voit luottaa tähän komponenttiin signaalitasojen hallitsemiseksi varmistaen tarkan ajoituksen ja sekvensoinnin, jotka ovat hyödyllisiä käytännön sovelluksissa.
Palvelinsuunnittelussa 74LS04 käytetään signaalin ilmastointiin ja modifiointiin, digitaalisten signaalien käsittelemiseen sujuvan tietojenkäsittelyn ja vähentyneen viiveen varmistamiseksi.Tämä komponentti on arvokas palvelimien virranhallintapiireissä, etenkin korkean liikenteen tietokeskuksissa, joissa luotettavuus ja tehokkuus priorisoidaan.
Digitaalisissa instrumenteissa 74LS04 on arvokas signaalin tulojen ja lähdöiden vakauttamiseksi, mikä edistää tarkkoja ja luotettavia mittauksia.Sillä on huomattava rooli laitteissa, jotka vaativat suurta tarkkuutta, kuten oskilloskoopit ja multimittarit, mikä tukee niiden johdonmukaista suorituskykyä todellisissa tilanteissa.
Verkkojärjestelmissä 74LS04 myötävaikuttaa signaalin parantamiseen ja melun vähentämiseen.Se on integroitu tiedonsiirtoprotokolliin tietojen eheyden ja tehokkuuden ylläpitämiseksi, etenkin hyödyttävät ympäristöjä, joissa suorituskyvyn maksimointi ja virheiden minimointi on erittäin huolestuttavaa.

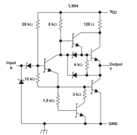
74LS04 sisältää kuusi erillistä porttia, joista kukin suorittaa logiikan kääntötoiminnon.Lähtösignaalit ovat suoraan vastakohtana niiden tulosignaaleihin.Inverter kääntää tulosignaalin vaiheen 180 asteeseen.Tämä piiri löytää sovelluksensa erilaisissa analogisissa järjestelmissä, mukaan lukien äänivahvistimet ja kellooskillaattorit.Inverttereitä käytetään laajasti elektronisessa piirisuunnittelussa, muokkaamalla toiminnallisuutta tarkkuudella ja sopeutumiskyvyllä.
Lähetä kysely, vastaamme heti.
24.10.2024
24.10.2024
17.04.8000 147713
17.04.2000 111738
17.04.1600 111323
17.04.0400 83632
01.01.1970 79282
01.01.1970 66786
01.01.1970 62949
01.01.1970 62836
01.01.1970 54036
01.01.1970 52003