

|
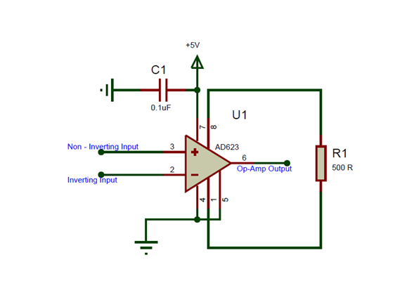
Pinanumero |
Nimeä |
Kuvaus |
|
1 |
Voittoa (-rg) |
Vastuksen kytkettyjen vahvistuspäätteen kääntäminen vahvistuksen asettamiseksi
arvo |
|
2 |
Tulon kääntäminen (in-) |
OP-AMP: n käänteinen syöttötappi |
|
3 |
Ei-inverkong tulo (in+) |
Vahvistimen ei-invertoimaton tulotappi |
|
4 |
Voima (-vs) |
Negatiivinen toimitusterminaali |
|
5 |
Viite |
Lähtöviitetulo.Yleensä kytketty yhteiseen |
|
6 |
Tulos |
Vahvistimen lähtötappi |
|
7 |
Teho (+vs) |
Positiivinen tarjontapääte |
|
8 |
Voitto (+RG) |
Ei-invertoimaton vahvistusterminaali, joka on kytketty vastusiin asetettuun
saada arvoa |
|
Ominaisuus/eritelmä |
Yksityiskohdat |
|
Tyyppi |
Rautatieyhteysvahvistin |
|
Toimitusjännite |
Toimii yhden ja kaksinkertaisen syöttöjännitteen kanssa |
|
Käyttövirta (max) |
550 µA |
|
Voittoalue |
1 - 1000 |
|
Kaistanleveys |
800 kHz |
|
Saada asetus |
Aseta voitto vain yhdellä vastuksella |
|
Pakettivaihtoehdot |
8-nastainen pdip, soic ja vsSop |
Olla INA333
Olla LM4871
Olla AD620
• IC6283
Olla JRC4558
Asettaa AD623 on suhteellisen suoraviivainen prosessi, joka sisältää pääasiassa vastuksen valinnan sen vahvistuksen määrittelemiseksi.Tämä yksinkertaisuus on yksi AD623: n houkuttelevista näkökohdista, mikä tekee siitä sinulle lähestyttävän.Tyypillinen kokoonpano edellyttää IC: n yhdistämistä yhdeksi +5 V: n virtalähteelle, kun PIN 4: n maadoitus. Skenaarioissa, jotka vaativat kaksoissyöttökokoonpanoja, Pin 4: n tulisi muodostaa yhteys negatiiviseen jännitteeseen, laajentaen siten signaalinkäsittelysovellusten aluetta.

Tulossignaalit kohdistetaan invertointiin (nasta 2) ja kääntämiseen (nasta 3), kun taas referenssitappi (nasta 5) on usein maadoitettu.Tämän PIN -koodin maadoittaminen varmistaa, että lähtöjännite kohdistuu oikein, kun tulosignaalien välillä ei ole eroa, mikä minimoi signaalin tulkinnan mahdolliset virheet.Tämä käytäntö ilmentää lopullista periaatetta piirisuunnittelussa: Stabiilin vertailupisteen ylläpitäminen on dynaamista tarkkojen mittausten ja luotettavan suorituskyvyn kannalta.
AD623: n vahvistuksen säätäminen saavutetaan asettamalla vastus PIN 8: n (RG) ja PIN 1: n välillä.vastaamaan tiettyjä sovellustarpeita.

Lisäksi voit laskea vahvistuksen käyttämällä annettua kaavaa tai referenssikaaviota, jotka vastaavat erilaisia vastusarvoja.Tällainen sopeutumiskyky osoittautuu enimmäkseen edulliseksi todellisissa skenaarioissa, joissa signaalitasot voivat vaihdella merkittävästi.
|
1% STD -taulukon arvo RG (ω) |
Laskettu voitto |
0,1% STD -taulukon arvo RG
(Ω) |
Laskettu voitto |
|
49,9k |
1,990 |
49,3k |
2.002 |
|
12.4k |
4.984 |
12.4k |
4.984 |
|
5,49k |
9.998 |
5,49k |
9.998 |
|
2,61k |
19.93 |
2,61k |
19.93 |
|
1,00 000 |
50.40 |
1,01k |
49,91 |
|
499 |
100 |
499 |
100.0 |
|
249 |
199.4 |
249 |
199.4 |
|
100 |
495 |
98.8 |
501.0 |
|
49,9 |
991 |
49,3 |
1 003 |
AD623 soveltuu poikkeuksellisen hyvin monipuoliseen valikoimalle voimaherkälle sovelluksille.Sen hyödyllisyys kattaa kalibrointi- ja testauslaitteet, pienitehoiset lääketieteelliset instrumentit, differentiaaliset vahvistimet, tiedonkeruujärjestelmät ja ohjausprosessijärjestelmät.AD623: n suunnittelu korostaa sekä tehokkuutta että tarkkuutta, mikä tekee siitä suositun vaihtoehdon skenaarioissa, joissa nämä ominaisuudet vaikuttavat merkittävästi suorituskykyyn.
Kalibrointi- ja testausympäristöissä AD623: n alhaisen melun ominaisuudet ja korkea tarkkuus erottuvat vakavina eduina.Nämä ominaisuudet mahdollistavat tarkat mittaukset, joilla on dynaaminen rooli eri instrumenttien luotettavuuden vahvistamisessa.Esimerkiksi anturin kalibroinnin aikana signaalin eheyden ylläpitäminen samalla kun virrankulutus minimoi tehokkaampia ja kestävämpiä testauskäytäntöjä.Tällä näkökulmalla on erityinen merkitys laboratorioissa, joissa laitteita käytetään usein jatkuvasti, ja energiatehokkuus voi johtaa huomattavaan operatiivisten kustannusten vähentymiseen.
Lääketieteellinen ala etsii yhä enemmän laitteita, jotka toimittavat tarkkoja lukemia kuluttaen minimaalista voimaa.AD623 vastaa tehokkaasti tätä kysyntää tarjoamalla pienitehoinen kulutus uhraamatta suorituskykyä.Sovelluksissa, kuten kannettavissa diagnostiset laitteet ja puettavissa olevat terveysmonitorit, kyky toimia tehokkaasti rajoitetuissa virtalähteissä parantaa potilaiden liikkuvuutta ja mukavuutta.Lisäksi tällaisen tekniikan integrointi rutiininomaiseen terveyden seurantaan voi parantaa huomattavasti potilaan tuloksia, koska johdonmukainen seuranta tulee toteuttamiskelpoisemmaksi ja helpommaksi.
Skenaarioissa, jotka vaativat pienten signaalien mittaamista melun keskellä, differentiaaliset vahvistimet ovat tärkeä rooli.AD623 on erinomainen tällä alueella, joka tarjoaa poikkeuksellisen yhteisen tilan hylkäämisen ja korkean tuloimpedanssin.Nämä ominaisuudet varmistavat, että vahvistin voi käsitellä tarkasti signaaleja eri lähteistä, mukaan lukien venymämittarit ja lämpötilanturit, joita käytetään yleisesti teollisuus- ja tutkimusyhteydessä.Yhdistämällä AD623 voit suunnitella järjestelmiä, jotka eivät vain lisää luotettavuutta, vaan myös tuottavat tarkkaa tietoa haastavassa ympäristössä.
AD623 on tiedonkeruujärjestelmien perusta, mikä helpottaa analogisten signaalien tarkkaa keräämistä ja käsittelyä.Sen tehokas toiminta pienellä teholla tekee siitä enimmäkseen sopivan akkukäyttöisiin laitteisiin, jotka ovat yhä yleisempiä etävalvontasovelluksissa.Tällaisten järjestelmien fuusio edistyneellä data-analytiikalla voi tuottaa tietoisempaa päätöksentekoa, etenkin aloilla, kuten ympäristön seuranta ja älykäs maatalous.Näistä järjestelmistä saadut näkemykset voivat herättää innovaatioita ja parannuksia eri aloilla.
Ohjausprosessijärjestelmissä AD623: n ominaisuudet mahdollistavat reagoivan ja tarkan prosessin hallinnan.Tätä ominaisuutta käytetään erityisesti automaatiossa ja teollisissa sovelluksissa, joissa nykyinen tietojenkäsittely on hallitsevaa.Vahvistimen alhainen virrankulutus edistää valvontajärjestelmien yleistä tehokkuutta, mikä mahdollistaa kestävän toiminnan.Teollisuuden jatkaessa automatisointia tehokkaiden ja tarkkojen komponenttien, kuten AD623, merkitys on avainasemassa edistymisessä ja toimintakyvyn parantamisessa.

Lähetä kysely, vastaamme heti.
26.12.2024
26.12.2024
24.04.8000 147826
24.04.2000 116848
24.04.1600 111382
24.04.0400 85354
01.01.1970 82137
01.01.1970 67770
01.01.1970 64260
01.01.1970 63527
01.01.1970 54309
01.01.1970 52546