Se 2N6488 Transistori, joka pidetään TO-220-muovikotelossa, tunnistetaan sen luotettavasta käytöstä teho-lineaarisissa ja matalataajuisissa asetuksissa.Tätä pakettia suositaan teollisuudessa, yhdistämällä käytännöllisyys ja tehokkuus, joka sopii moniin tilanteisiin.Suunnittelu tukee tehokasta lämmön hajoamista, mikä vaikuttaa transistorien kestävyyteen ja toimintaan.2N6488 kukoistaa voimakkaan lineaaristen sovellusten voimakkaan rakennus- ja lämpöominaisuuksien vuoksi.Se varmistaa piireiden vakauden johdonmukaisen virran ja jännitteen hallinnan.Tämä luotettavuus loistaa äänivahvistimissa ja säänneltyissä virtalähteissä, joissa tarvitaan vaihtelevien kuormien käsittely menettämättä suorituskykyä.
Matalataajuisissa tehtävissä 2N6488 osoittaa vaikuttavan sopeutumiskyvyn ja suorituskyvyn.Sen kyky käsitellä signaaleja pienellä vääristymisellä korostaa sen voimakkuutta.Lämpölähtöjen hallinta on keskeistä, kun työskentelet 2N6488: n kanssa.Tehokkaiden jäähdytyselementtien ja lämpöyhdisteiden käyttäminen auttaa lämmönsiirron optimoinnissa.Niiden on estämään ylikuumeneminen, mikä voi heikentää toiminnallisuutta ja vähentää komponentin elinaikaa.Alan nouseva näkymä on perinteisten komponenttien, kuten 2N6488, mukauttaminen innovatiivisiin käyttötarkoituksiin.Teknologian edistyessä näiden sisällyttäminen hybridiin, energiatehokkaisiin järjestelmiin on trendikäs.Tämä menetelmä hyödyntää 2N6488: n vakiintunutta luotettavuutta vastaten nykyaikaisten kestävyyden ja energiatehokkuuden tarpeita.
Olla 2N60
• 2N600
• 2N6000
• 2N6001
• 2N6002
Olla 2N6491




2N6488 -transistorilla on huomattava DC -nykyinen voitto vaikuttavan kaistanleveyden rinnalla.Nämä ominaisuudet nostavat sen tehokkuutta skenaarioissa, jotka vaativat erittäin uskollista äänen monistusta ja sujuvaa kytkentätoimintaa.Monet ilahduttavat usein näiden ominaisuuksien hyödyntämistä signaalin vääristymisen minimoimiseksi monimutkaisissa järjestelmissä, varmistaen selkeyden ja tarkkuuden.
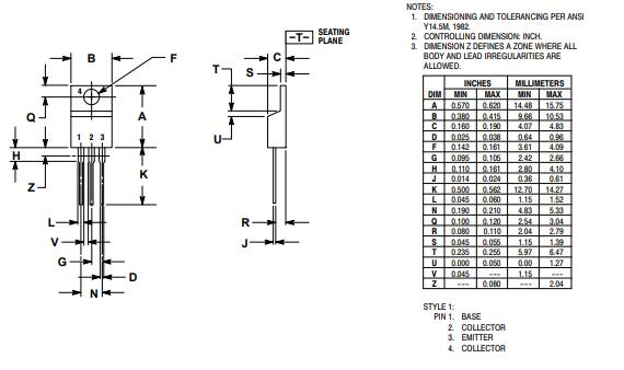
Virtaviivaiseen TO-220-pakkaukseen koteloitu 2N6488 edistää lämpötehokkuutta ja suoraviivaista asennusta.Sen rakenne helpottaa taitavasti lämmön hajoamista ylikuumenemisen torjumiseksi suuritehoisissa sovelluksissa.Monet mieluummin tämä paketti sen taitavaan lämmön ja kompaktin muodon käsittelyyn.
2N6488 vastaa ROHS-standardeja, korostaen ympäristön hyvinvoinnin huomaavaista suunnittelua minimoimalla haitalliset aineet.Nykyaikaisen tuotteen innovaatioiden kasvava merkitys tämä linjaus täydentää globaaleja ekologisia tavoitteita.
20 V: n keräilijän emitterin jakautumisen jännite, 2N6488 on joustava korkeajänniteasetuksissa.Tämä ominaisuus ansaitsee arvostuksen, kun luotettava suorituskyky paineen alla on välttämätöntä.Teollisuus valitsee usein tällaiset komponentit niiden kyvyn kestämiseksi huomattavien jännitemuperaatioiden kestämiseksi.
2N6488 -transistori erottuu äänijärjestelmistä, joissa sillä on rooli tehon monistuksessa.Se tarjoaa merkittävän suorituskyvyn ajaen kaiuttimia ja äänikomponentteja hallitsemalla tehokkaasti virran ja jännitteen tasoa.Tämä varmistaa äänen, joka on sekä selkeä että vääristymä.Ääni suosii usein transistoreita, kuten 2N6488, luokan AB -vahvistinpiirien käsityöhön.He arvostavat sen kykyä toimittaa johdonmukaista lämpöstabiilisuutta ja hajottaa tehokkaasti lämpöä, mikä parantaa äänenlaatua.
2N6488: n monipuolisuus näkyy kestävyydessä matalataajuisissa kytkentätehtävissä.Sitä käytetään usein piireissä, jotka vaativat tarkkaa ohjausta, kuten moottorin kuljettajissa ja muissa sähkömekaanisissa järjestelmissä.Monet transistorien kaltaiset transistorit voivat saavuttaa tasaisen suorituskyvyn ympäristöissä, joissa pitkäaikainen luotettavuus on ensisijainen huomio.
|
Tyyppi |
Parametri |
|
Elinkaaren tila |
Vanhentunut (viimeksi päivitetty: 3 päivää sitten) |
|
Paketti / kotelo |
TO-220AB |
|
Toimittajan laitepaketti |
TO-220AB |
|
Virtakeräin (IC) (Max) |
15a |
|
Käyttölämpötila |
-65 ° C -150 ° C TJ |
|
Julkaistu |
2007 |
|
Kosteuden herkkyystaso (MSL) |
1 (rajoittamaton) |
|
Min käyttölämpötila |
-65 ° C |
|
Enimmäisvoiman hajoaminen |
1,8W |
|
Perusosanumero |
2N6488 |
|
Elementin kokoonpano |
Yksittäinen |
|
Hanki kaistanleveystuote |
5MHz |
|
Keräilijän emitterijännite (VCEO) |
3,5 V |
|
DC Nykyinen voitto (HFE) (min) @ IC, VCE |
20 @ 5a 4v |
|
VCE -kylläisyys (max) @ ib, ic |
3,5 V @ 5a, 15a |
|
Taajuus - siirtyminen |
5MHz |
|
Emitterin pohjajännite (VEBO) |
5V |
|
Lyijyvapaa |
Sisältää lyijyä |
|
Asennustyyppi |
Reiän läpi |
|
Nastat |
3 |
|
Keräilijän ja emitterin jakautuminen |
80 V |
|
hfe/min |
20 |
|
Pakkaus |
Putki |
|
Osien tila |
Vanhentunut |
|
Max -käyttölämpötila |
150 ° C |
|
Jännite - nimellis tasavirta |
80 V |
|
Nykyinen luokitus |
15a |
|
Vastakkaisuus |
Npn |
|
Power - Max |
1,8W |
|
Transistorityyppi |
Npn |
|
Max Collector Virta |
15a |
|
Nykyinen - keräilijän raja (max) |
1MA |
|
Jännite - Keräilijän emitterin erittely (Max) |
80 V |
|
Keräilijän kantajännite (VCBO) |
90 V |
|
ROHS -tila |
Ei-ROHS-yhteensopiva |
|
Osa
Määrä |
Valmistaja |
Paketti |
Vastakkaisuus |
Keräilijän emitterin erittely
Jännite |
Jännite - Keräilijän emitteri
Erittely (max) |
Max Collector Virta |
Taajuussiirto |
Keräilijän päästö
Jännite |
hfe min |
|
2N6488 |
Puolijohteessa |
TO-220-3 |
Npn |
80 V |
80 V |
15 a |
5MHz |
3,5 V |
20 |
|
BD243B |
Puolijohteessa |
TO-220-3 |
Npn |
80 V |
80 V |
3 a |
3MHz |
1,2 V |
25 |
|
Kärki |
Puolijohteessa |
TO-220-3 |
Npn |
80 V |
80 V |
6 a |
- |
1,5 V |
15 |
|
BDW42 |
Puolijohteessa |
TO-220-3 |
Npn |
100 V |
- |
15 a |
4MHz |
- |
- |

Puolijohteessa toimittaa ratkaisuja, jotka ovat sekä innovatiivisia että tietoisia energiankulutuksesta ja veistäen johtavan aseman elektroniikassa.Sen laaja ulottuvuus ympäri maailmaa tukee erilaisia sovelluksia, mukaan lukien auto-, teollisuus- ja kulutuselektroniikka.Tämä laaja vaikutus pitää yrityksen teknisen edistymisen ruorissa.Kun katsomme eteenpäin, pohtiminen, kuinka puolijohde voi tasapainottaa jatkuvaa innovaatiota kestävyyden kanssa, on kiehtovaa.Tämä nopean teknologian kasvun ja ympäristönsuojelun vuorovaikutus aiheuttaa sekä esteitä että uusia polkuja.Yrityksen kyky ennustaa ja sopeutua tuleviin teollisuuden suuntauksiin muokkaa sen pitkäaikaista menestystä.
Useita laitteita 19/kesäkuu/2009.pdf
TIP31 (A, B, C), TIP32 (A, B, C) .PDF
Lähetä kysely, vastaamme heti.
29.10.2024
29.10.2024
19.04.8000 147781
19.04.2000 112057
19.04.1600 111352
19.04.0400 83813
01.01.1970 79624
01.01.1970 66996
01.01.1970 63119
01.01.1970 63057
01.01.1970 54097
01.01.1970 52207